0
DRV5021-Q1
  • DRV5021-Q1
  • DRV5021-Q1

DRV5021-Q1

ACTIVE

Automotive 2.5-V to 5.5-V Hall effect unipolar switch

Texas Instruments DRV5021-Q1 Product Info

1 April 2026 0

Parameters

Type

Unipolar switch

Operate point (typ) (mT)

2.9, 9.2, 17.9

Operate point (max) (mT)

4.7, 14, 25.4

Release point (min) (mT)

0.1, 2.7, 5.1

Supply current (µA)

2300

Bandwidth (kHz)

30

Supply voltage (min) (V)

2.5

Supply voltage (max) (V)

5.5

Rating

Automotive

Operating temperature range (°C)

-40 to 150

Output

Open drain

Package

SOT-23 (DBZ)-3-6.9204 mm² 2.92 x 2.37

Features

  • Qualified for automotive applications
  • AEC-Q100 qualified with the following results:
    • Device temperature grade 0: –40°C to 150°C ambient operating temperature range
    • Device HBM ESD classification level 3A
    • Device CDM ESD classification level C6
  • Digital unipolar-switch hall sensor
  • 2.5-V to 5.5-V operating VCC range
  • Magnetic sensitivity options (BOP, BRP):
    • DRV5021A1-Q1: 2.9 mT, 1.8 mT
    • DRV5021A2-Q1: 9.2 mT, 7.0 mT
    • DRV5021A3-Q1: 17.9 mT, 14.1 mT
  • Fast 30-kHz sensing bandwidth
  • Open-drain output capable of 20 mA
  • Optimized low-voltage architecture
  • Integrated hysteresis to enhance noise immunity
  • Standard industry package:
    • Surface-mount SOT-23
  • Qualified for automotive applications
  • AEC-Q100 qualified with the following results:
    • Device temperature grade 0: –40°C to 150°C ambient operating temperature range
    • Device HBM ESD classification level 3A
    • Device CDM ESD classification level C6
  • Digital unipolar-switch hall sensor
  • 2.5-V to 5.5-V operating VCC range
  • Magnetic sensitivity options (BOP, BRP):
    • DRV5021A1-Q1: 2.9 mT, 1.8 mT
    • DRV5021A2-Q1: 9.2 mT, 7.0 mT
    • DRV5021A3-Q1: 17.9 mT, 14.1 mT
  • Fast 30-kHz sensing bandwidth
  • Open-drain output capable of 20 mA
  • Optimized low-voltage architecture
  • Integrated hysteresis to enhance noise immunity
  • Standard industry package:
    • Surface-mount SOT-23

Description

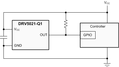
The DRV5021-Q1 device is a low-voltage, digital-switch, Hall effect sensor for high-speed automotive applications. Operating from a 2.5-V to 5.5-V power supply, the device senses magnetic flux density, and gives a digital output based on predefined magnetic thresholds.

This device senses magnetic fields perpendicular to the face of the package. When the applied magnetic flux density exceeds the magnetic operate point (BOP) threshold, the open-drain output of the device drives a low voltage. When the flux density decreases to less than the magnetic release point (BRP) threshold, the output goes to high impedance. The hysteresis resulting from the separation of BOP and BRP helps prevent output errors caused by input noise. This configuration makes system designs more robust against noise interference.

The device operates consistently across a wide ambient temperature range of –40°C to +150°C.

 

 

 

 

 

 

The DRV5021-Q1 device is a low-voltage, digital-switch, Hall effect sensor for high-speed automotive applications. Operating from a 2.5-V to 5.5-V power supply, the device senses magnetic flux density, and gives a digital output based on predefined magnetic thresholds.

This device senses magnetic fields perpendicular to the face of the package. When the applied magnetic flux density exceeds the magnetic operate point (BOP) threshold, the open-drain output of the device drives a low voltage. When the flux density decreases to less than the magnetic release point (BRP) threshold, the output goes to high impedance. The hysteresis resulting from the separation of BOP and BRP helps prevent output errors caused by input noise. This configuration makes system designs more robust against noise interference.

The device operates consistently across a wide ambient temperature range of –40°C to +150°C.

 

 

 

 

 

 

Subscribe to Welllinkchips !
Your Name
* Email
Submit a request