0
TPS57060-Q1
  • TPS57060-Q1
  • TPS57060-Q1
  • TPS57060-Q1

TPS57060-Q1

ACTIVE

Automotive 3.5V to 60V, 500mA Buck Converter with Eco-Mode™

Texas Instruments TPS57060-Q1 Product Info

1 April 2026 0

Parameters

Rating

Automotive

Topology

Buck

Iout (max) (A)

0.5

Vin (max) (V)

60

Vin (min) (V)

3.5

Vout (max) (V)

58

Vout (min) (V)

0.8

Features

Enable, Frequency synchronization, Light Load Efficiency, Over Current Protection, Power good, Soft Start Adjustable, Tracking, UVLO adjustable

Control mode

current mode

Operating temperature range (°C)

-40 to 125

Iq (typ) (A)

0.000116

Duty cycle (max) (%)

98

Package

HVSSOP (DGQ)-10-14.7 mm² 3 x 4.9

Features

  • Qualified for Automotive Applications
  • AEC-Q100 Qualified with the Following Results:
    • Device Temperature Grade 1: –40°C to +125°C
    • Device HBM ESD Classification Level 2
    • Device CDM ESD Classification Level C4B
  • 3.5-V to 60-V Input Voltage Range
  • 200-mΩ High-Side MOSFET
  • High Efficiency at Light Loads with a Pulse Skipping Eco-mode Control Scheme
  • 116-μA Operating Quiescent Current
  • 1.3-μA Shutdown Current
  • 100-kHz to 2.5-MHz Switching Frequency
  • Synchronizes to External Clock
  • Adjustable Slow Start/Sequencing
  • Undervoltage and Overvoltage Power Good Output
  • Adjustable UVLO Voltage and Hysteresis
  • 0.8-V Internal Voltage Reference
  • Supported by SwitcherPro Software Tool
    (www.ti.com/tool/SwitcherPro)

All trademarks are the property of their respective owners.

  • Qualified for Automotive Applications
  • AEC-Q100 Qualified with the Following Results:
    • Device Temperature Grade 1: –40°C to +125°C
    • Device HBM ESD Classification Level 2
    • Device CDM ESD Classification Level C4B
  • 3.5-V to 60-V Input Voltage Range
  • 200-mΩ High-Side MOSFET
  • High Efficiency at Light Loads with a Pulse Skipping Eco-mode Control Scheme
  • 116-μA Operating Quiescent Current
  • 1.3-μA Shutdown Current
  • 100-kHz to 2.5-MHz Switching Frequency
  • Synchronizes to External Clock
  • Adjustable Slow Start/Sequencing
  • Undervoltage and Overvoltage Power Good Output
  • Adjustable UVLO Voltage and Hysteresis
  • 0.8-V Internal Voltage Reference
  • Supported by SwitcherPro Software Tool
    (www.ti.com/tool/SwitcherPro)

All trademarks are the property of their respective owners.

Description

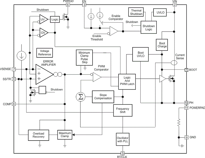
The TPS57060-Q1 device is a 60-V 0.5-A step-down regulator with an integrated high-side MOSFET. Current-mode control provides simple external compensation and flexible component selection. A low-ripple pulse-skip mode reduces the no load, regulated output supply current to 116 μA. When the enable pin is in the low state, the shutdown current is reduced to 1.3 μA.

Undervoltage lockout is internally set at 2.5 V, but can be increased using the enable pin. The output voltage startup ramp is controlled by the slow start pin that can also be configured for sequencing and tracking. An open-drain power good signal indicates the output is within 92% to 109% of the nominal voltage.

A wide switching frequency range allows efficiency and external component size to be optimized. Frequency fold back and thermal shutdown protects the part during an overload condition.

The TPS57060-Q1 device is available in a 10-pin thermally enhanced MSOP-PowerPAD package (DGQ) and a VSON (DRC) package.

For all available packages, see the orderable addendum at the end of the datasheet.

The TPS57060-Q1 device is a 60-V 0.5-A step-down regulator with an integrated high-side MOSFET. Current-mode control provides simple external compensation and flexible component selection. A low-ripple pulse-skip mode reduces the no load, regulated output supply current to 116 μA. When the enable pin is in the low state, the shutdown current is reduced to 1.3 μA.

Undervoltage lockout is internally set at 2.5 V, but can be increased using the enable pin. The output voltage startup ramp is controlled by the slow start pin that can also be configured for sequencing and tracking. An open-drain power good signal indicates the output is within 92% to 109% of the nominal voltage.

A wide switching frequency range allows efficiency and external component size to be optimized. Frequency fold back and thermal shutdown protects the part during an overload condition.

The TPS57060-Q1 device is available in a 10-pin thermally enhanced MSOP-PowerPAD package (DGQ) and a VSON (DRC) package.

For all available packages, see the orderable addendum at the end of the datasheet.

Subscribe to Welllinkchips !
Your Name
* Email
Submit a request