0
LM10011
  • LM10011
  • LM10011

LM10011

ACTIVE

1% Accuracy 4/6-Bit VID Voltage Programmer for Point of Load Regulator w/ Adj Start-Up Current

Texas Instruments LM10011 Product Info

1 April 2026 0

Parameters

Rating

Catalog

Operating temperature range (°C)

-40 to 125

Package

WSON (DSC)-10-9 mm² 3 x 3

Features

  • 1.0% Output Current Accuracy (0°C to 100°C)
  • 1.25% Output Current Accuracy (–40°C to 125°C)
  • Input Voltage Range: 2.97 V to 5.5 V
  • Pin Selectable VID Format (6- or 4-bit)
  • 16 Selectable Start-Up Currents
  • Precision Enable to Support Custom UVLO
  • SON-10 3-mm × 3-mm Footprint, 0.5-mm Pitch
  • Footprint Compatible with the LM10010
  • 1.0% Output Current Accuracy (0°C to 100°C)
  • 1.25% Output Current Accuracy (–40°C to 125°C)
  • Input Voltage Range: 2.97 V to 5.5 V
  • Pin Selectable VID Format (6- or 4-bit)
  • 16 Selectable Start-Up Currents
  • Precision Enable to Support Custom UVLO
  • SON-10 3-mm × 3-mm Footprint, 0.5-mm Pitch
  • Footprint Compatible with the LM10010

Description

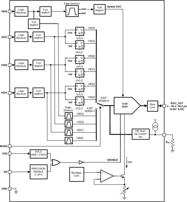
The LM10011 is a precision, digitally programmable device used to control the output voltage of a DC/DC converter. The LM10011 outputs a dc current proportional to a 6-bit or 4-bit input word. By connecting the IDAC_OUT pin to the feedback node of a regulator, the regulator output voltage can be adjusted to a desired range and resolution set by the user. As the input word counts up, the output voltage is adjusted higher based on the values of the feedback resistors in the converter.

The current from the IDAC_OUT pin on start-up is programmable by an external resistor to cover the range of 0 to 56.4 µA with 4 bits of resolution. The MODE pin allows programming of the device through a 4-bit parallel VID interface or through a 6-bit interface consisting of upper and lower 3-bit VID codes. The LM10011 is specifically designed to program a wide variety of Texas Instruments DC/DC converters for VID (Voltage Identification) applications.

The LM10011 is a precision, digitally programmable device used to control the output voltage of a DC/DC converter. The LM10011 outputs a dc current proportional to a 6-bit or 4-bit input word. By connecting the IDAC_OUT pin to the feedback node of a regulator, the regulator output voltage can be adjusted to a desired range and resolution set by the user. As the input word counts up, the output voltage is adjusted higher based on the values of the feedback resistors in the converter.

The current from the IDAC_OUT pin on start-up is programmable by an external resistor to cover the range of 0 to 56.4 µA with 4 bits of resolution. The MODE pin allows programming of the device through a 4-bit parallel VID interface or through a 6-bit interface consisting of upper and lower 3-bit VID codes. The LM10011 is specifically designed to program a wide variety of Texas Instruments DC/DC converters for VID (Voltage Identification) applications.

Subscribe to Welllinkchips !
Your Name
* Email
Submit a request