0
TPS57040-Q1
  • TPS57040-Q1
  • TPS57040-Q1
  • TPS57040-Q1

TPS57040-Q1

ACTIVE

Automotive 3.5V to 42V, 500mA Buck Converter with Eco-Mode™

Texas Instruments TPS57040-Q1 Product Info

1 April 2026 0

Parameters

Rating

Automotive

Topology

Buck

Iout (max) (A)

0.5

Vin (max) (V)

42

Vin (min) (V)

3.5

Vout (max) (V)

39

Vout (min) (V)

0.8

Features

Adjustable soft start, Enable, Frequency synchronization, Light-load efficiency, Power good, UVLO adjustable

Control mode

current mode

Operating temperature range (°C)

-40 to 125

Iq (typ) (A)

0.000116

Duty cycle (max) (%)

100

Package

HVSSOP (DGQ)-10-14.7 mm² 3 x 4.9

Features

  • Qualified for Automotive Applications
  • AEC-Q100 Qualified With the Following Results
    • Device Temperature Grade 1: –40°C to 125°C
      Ambient Operating Temperature Range
    • Device HBM ESD Classification Level 2
    • Device CDM ESD Classification Level C4B
  • 3.5-V to 42-V Input Voltage Range
  • 200-mΩ High-Side MOSFET
  • High Efficiency at Light Loads with a Pulse
    Skipping Eco-mode™ Control Scheme
  • 116-µA Operating Quiescent Current
  • 1.5-µA Shutdown Current
  • 100-kHz to 2.5-MHz Switching Frequency
  • Synchronizes to External Clock
  • Adjustable Slow Start/Sequencing
  • Undervoltage and Overvoltage Power-good Output
  • Adjustable Undervoltage Lockout Voltage and Hysteresis
  • 0.8-V Internal Voltage Reference
  • Supported by SwitcherPro™ Software Tool
    (http://focus.ti.com/docs/toolsw/folders/print/switcherpro.html)
  • Qualified for Automotive Applications
  • AEC-Q100 Qualified With the Following Results
    • Device Temperature Grade 1: –40°C to 125°C
      Ambient Operating Temperature Range
    • Device HBM ESD Classification Level 2
    • Device CDM ESD Classification Level C4B
  • 3.5-V to 42-V Input Voltage Range
  • 200-mΩ High-Side MOSFET
  • High Efficiency at Light Loads with a Pulse
    Skipping Eco-mode™ Control Scheme
  • 116-µA Operating Quiescent Current
  • 1.5-µA Shutdown Current
  • 100-kHz to 2.5-MHz Switching Frequency
  • Synchronizes to External Clock
  • Adjustable Slow Start/Sequencing
  • Undervoltage and Overvoltage Power-good Output
  • Adjustable Undervoltage Lockout Voltage and Hysteresis
  • 0.8-V Internal Voltage Reference
  • Supported by SwitcherPro™ Software Tool
    (http://focus.ti.com/docs/toolsw/folders/print/switcherpro.html)

Description

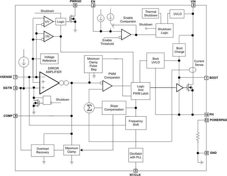
The TPS57040-Q1 device is a 42-V 0.5-A step-down regulator with an integrated high-side MOSFET. Current mode control provides simple external compensation and flexible component selection. A low-ripple pulse-skip mode reduces the no load, input supply current to 116 µA. Using the enable pin, shutdown supply current is reduced to 1.5 µA, when the enable pin is low.

Undervoltage lockout is internally set at 2.5 V, but can be increased using the enable pin. The output voltage startup ramp is controlled by the slow start pin that can also be configured for sequencing/tracking. An open drain power-good signal indicates the output is within 92% to 109% of its nominal voltage.

A wide switching frequency range allows efficiency and external component size to be optimized. Frequency fold back and thermal shutdown protects the part during an overload condition.

The TPS57040-Q1 is available in a 10-pin thermally enhanced MSOP PowerPAD™ package (DGQ) and a 10-pin SON package (DRC).

The TPS57040-Q1 device is a 42-V 0.5-A step-down regulator with an integrated high-side MOSFET. Current mode control provides simple external compensation and flexible component selection. A low-ripple pulse-skip mode reduces the no load, input supply current to 116 µA. Using the enable pin, shutdown supply current is reduced to 1.5 µA, when the enable pin is low.

Undervoltage lockout is internally set at 2.5 V, but can be increased using the enable pin. The output voltage startup ramp is controlled by the slow start pin that can also be configured for sequencing/tracking. An open drain power-good signal indicates the output is within 92% to 109% of its nominal voltage.

A wide switching frequency range allows efficiency and external component size to be optimized. Frequency fold back and thermal shutdown protects the part during an overload condition.

The TPS57040-Q1 is available in a 10-pin thermally enhanced MSOP PowerPAD™ package (DGQ) and a 10-pin SON package (DRC).

Subscribe to Welllinkchips !
Your Name
* Email
Submit a request