0
TPS55288
  • TPS55288
  • TPS55288
  • TPS55288
  • TPS55288
  • TPS55288

TPS55288

ACTIVE

36V, 16A buck-boost converter with PPS control

Texas Instruments TPS55288 Product Info

1 April 2026 1

Parameters

Rating

Catalog

Topology

Buck-Boost

Vin (max) (V)

36

Vin (min) (V)

2.7

Vout (max) (V)

21.26

Vout (min) (V)

0.8

Switch current limit (typ) (A)

16

Features

Adjustable current limit, Dynamic voltage scaling, Enable, Frequency synchronization, I2C interface, Light-load efficiency, Output discharge, Synchronous rectification, USB C/PD compatible, UVLO fixed

EMI features

Frequency Dithering, Spread Spectrum

Operating temperature range (°C)

-40 to 150

Iq (typ) (A)

0.0013

Duty cycle (max) (%)

100

Package

VQFN-HR (RPM)-26-14 mm² 4 x 3.5

Features

  • Programmable power supply (PPS) support for USB power delivery (USB PD)
    • Wide input voltage range: 2.7 V to 36 V
    • Programmable output voltage range: 0.8 V to 22 V with 20-mV step
    • ±1% reference voltage accuracy
    • Adjustable output voltage compensation for voltage droop over the cable
    • Programmable output current limit up to 6.35 A with 50-mA step
    • ±5% accurate output current monitoring
    • I2C interface
  • High efficiency over entire load range
    • 97% efficiency at VIN = 12 V, VOUT = 20 V and IOUT = 3 A
    • Programmable PFM and FPWM mode at light load
  • Avoid frequency interference and crosstalk
    • Optional clock synchronization
    • Programmable switching frequency from 200 kHz to 2.2 MHz
  • EMI mitigation
    • Optional programmable spread spectrum
    • Lead-less package
  • Rich protection features
    • Output overvoltage protection
    • Hiccup mode for output short-circuit protection
    • Thermal shutdown protection
    • Programmable average inductor current limit up to 16 A
  • Small solution size
    • Maximum switching frequency up to 2.2 MHz
    • 4.0-mm × 3.5-mm Hotrod™ QFN package
  • Fixed 4-ms soft-start time
  • Create a custom design using the TPS55288 with the WEBENCH Power Designer
  • Programmable power supply (PPS) support for USB power delivery (USB PD)
    • Wide input voltage range: 2.7 V to 36 V
    • Programmable output voltage range: 0.8 V to 22 V with 20-mV step
    • ±1% reference voltage accuracy
    • Adjustable output voltage compensation for voltage droop over the cable
    • Programmable output current limit up to 6.35 A with 50-mA step
    • ±5% accurate output current monitoring
    • I2C interface
  • High efficiency over entire load range
    • 97% efficiency at VIN = 12 V, VOUT = 20 V and IOUT = 3 A
    • Programmable PFM and FPWM mode at light load
  • Avoid frequency interference and crosstalk
    • Optional clock synchronization
    • Programmable switching frequency from 200 kHz to 2.2 MHz
  • EMI mitigation
    • Optional programmable spread spectrum
    • Lead-less package
  • Rich protection features
    • Output overvoltage protection
    • Hiccup mode for output short-circuit protection
    • Thermal shutdown protection
    • Programmable average inductor current limit up to 16 A
  • Small solution size
    • Maximum switching frequency up to 2.2 MHz
    • 4.0-mm × 3.5-mm Hotrod™ QFN package
  • Fixed 4-ms soft-start time
  • Create a custom design using the TPS55288 with the WEBENCH Power Designer

Description

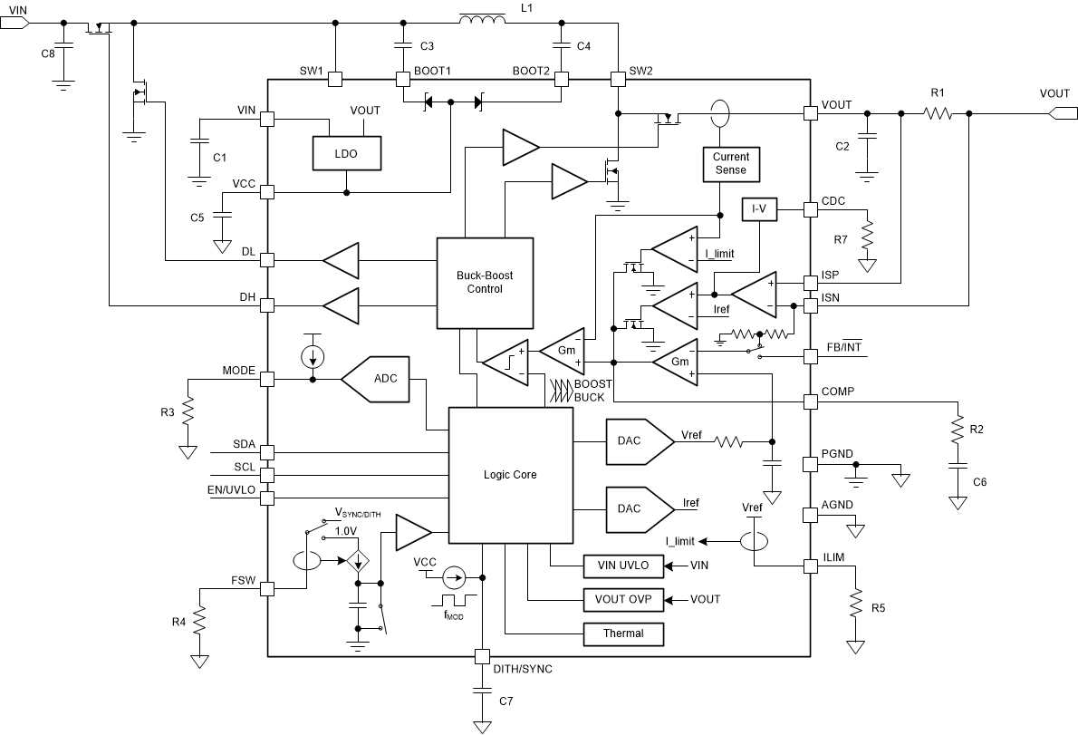
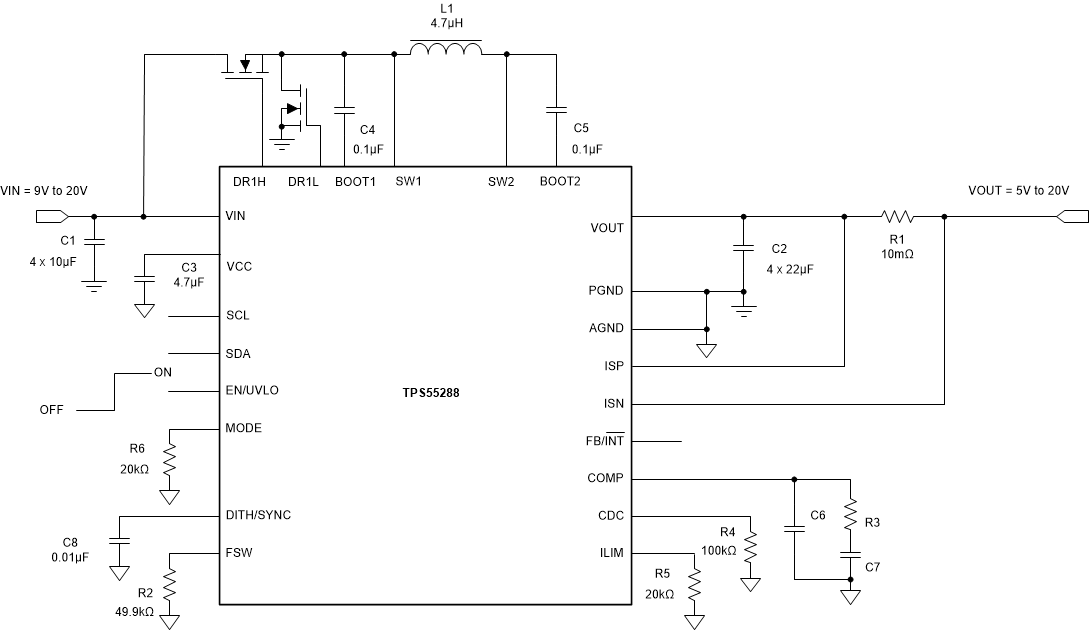
The TPS55288 is a synchronous four-switch buck-boost converter capable of regulating the output voltage at, above, or below the input voltage. The TPS55288 operates over 2.7-V to 36-V wide input voltage and capable of outputing 0.8-V to 22-V voltage to support a variety of applications.

The TPS55288 integrates two 16-A MOSFETs of the boost leg to balance the solution size and efficiency. With the programmable output voltage and output current limit through I2C interface, the TPS55288 is fully compliant to the USB PD specification. The TPS55288 is capable of delivering 100 W from 12-V input voltage.

The TPS55288 employs average current-mode control scheme. The switching frequency is programmable from 200 kHz to 2.2 MHz by an external resistor and can be synchronized to an external clock. The TPS55288 also provides optional spread spectrum to minimize peak EMI.

The TPS55288 offers output over-voltage protection, average inductor current limit, cycle-by-cycle peak current limit and output short circuit protection. The TPS55288 also ensures safe operating with optional output current limit and hiccup-mode protection in sustained overload conditions.

The TPS55288 can use a small inductor and small capacitors with high switching frequency. It is available in 4.0-mm × 3.5-mm QFN package.

The TPS55288 is a synchronous four-switch buck-boost converter capable of regulating the output voltage at, above, or below the input voltage. The TPS55288 operates over 2.7-V to 36-V wide input voltage and capable of outputing 0.8-V to 22-V voltage to support a variety of applications.

The TPS55288 integrates two 16-A MOSFETs of the boost leg to balance the solution size and efficiency. With the programmable output voltage and output current limit through I2C interface, the TPS55288 is fully compliant to the USB PD specification. The TPS55288 is capable of delivering 100 W from 12-V input voltage.

The TPS55288 employs average current-mode control scheme. The switching frequency is programmable from 200 kHz to 2.2 MHz by an external resistor and can be synchronized to an external clock. The TPS55288 also provides optional spread spectrum to minimize peak EMI.

The TPS55288 offers output over-voltage protection, average inductor current limit, cycle-by-cycle peak current limit and output short circuit protection. The TPS55288 also ensures safe operating with optional output current limit and hiccup-mode protection in sustained overload conditions.

The TPS55288 can use a small inductor and small capacitors with high switching frequency. It is available in 4.0-mm × 3.5-mm QFN package.

Subscribe to Welllinkchips !
Your Name
* Email
Submit a request