0
UCC27524A
  • UCC27524A
  • UCC27524A
  • UCC27524A
  • UCC27524A
  • UCC27524A

UCC27524A

ACTIVE

5-A/5-A dual-channel gate driver with 5-V UVLO, enable, and negative input voltage handling

Texas Instruments UCC27524A Product Info

1 April 2026 0

Parameters

Number of channels

2

Power switch

GaNFET, IGBT, MOSFET

Peak output current (A)

5

Input supply voltage (min) (V)

4.5

Input supply voltage (max) (V)

18

Features

Enable pin

Operating temperature range (°C)

-40 to 150

Rise time (ns)

7

Fall time (ns)

6

Propagation delay time (µs)

0.013

Input threshold

CMOS, TTL

Channel input logic

Dual, Non-Inverting

Input negative voltage (V)

-5

Rating

Catalog

Undervoltage lockout (typ) (V)

4

Driver configuration

Dual, Non-Inverting

Package

HVSSOP (DGN)-8-14.7 mm² 3 x 4.9

Features

  • Industry-standard pin out
  • Two independent gate-drive channels
  • 5A peak source and sink-drive current
  • Independent-enable function for each output
  • TTL and CMOS compatible logic threshold independent of supply voltage
  • Hysteretic-logic thresholds for high noise immunity
  • Ability to handle negative voltages (–5V) at inputs
  • Inputs and enable pin-voltage levels not restricted by VDD pin bias supply voltage
  • 4.5V to 18V single-supply range
  • Outputs held low during VDD-UVLO (ensures glitch-free operation at power up and power down)
  • Fast propagation delays (17ns typical)
  • Fast rise and fall times (6ns and 10ns typical)
  • 1ns typical delay matching between 2-channels
  • Two outputs are paralleled for higher drive current
  • Outputs held in low when inputs floating
  • SOIC-8, HVSSOP-8 PowerPAD™ package options
  • Operating junction temperature range of –40 to 150°C
  • Industry-standard pin out
  • Two independent gate-drive channels
  • 5A peak source and sink-drive current
  • Independent-enable function for each output
  • TTL and CMOS compatible logic threshold independent of supply voltage
  • Hysteretic-logic thresholds for high noise immunity
  • Ability to handle negative voltages (–5V) at inputs
  • Inputs and enable pin-voltage levels not restricted by VDD pin bias supply voltage
  • 4.5V to 18V single-supply range
  • Outputs held low during VDD-UVLO (ensures glitch-free operation at power up and power down)
  • Fast propagation delays (17ns typical)
  • Fast rise and fall times (6ns and 10ns typical)
  • 1ns typical delay matching between 2-channels
  • Two outputs are paralleled for higher drive current
  • Outputs held in low when inputs floating
  • SOIC-8, HVSSOP-8 PowerPAD™ package options
  • Operating junction temperature range of –40 to 150°C

Description

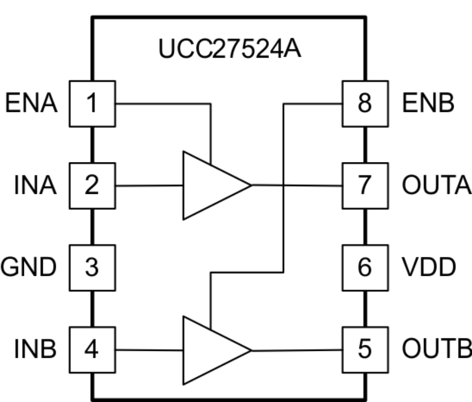
The UCC27524A device is a dual-channel, high-speed, low-side, gate-driver device capable of effectively driving MOSFET and IGBT power switches. The UCC27524A is a variant of the UCC2752x family. The UCC27524A adds the ability to handle –5V directly at the input pins for increased robustness. The UCC27524A is a dual non-inverting driver. Using a design that inherently minimizes shoot-through current, the UCC27524A is capable of delivering high-peak current pulses of up to 5A source and 5A sink into capacitive loads along with rail-to-rail drive capability and extremely small propagation delay typically 17ns. In addition, the drivers feature matched internal propagation delays between the two channels which are very well suited for applications requiring dual-gate drives with critical timing, such as synchronous rectifiers. This also enables connecting two channels in parallel to effectively increase current-drive capability or driving two switches in parallel with a single input signal. The input pin thresholds are based on TTL and CMOS compatible low-voltage logic, which is fixed and independent of the VDD supply voltage. Wide hysteresis between the high and low thresholds offers excellent noise immunity.

The UCC27524A device is a dual-channel, high-speed, low-side, gate-driver device capable of effectively driving MOSFET and IGBT power switches. The UCC27524A is a variant of the UCC2752x family. The UCC27524A adds the ability to handle –5V directly at the input pins for increased robustness. The UCC27524A is a dual non-inverting driver. Using a design that inherently minimizes shoot-through current, the UCC27524A is capable of delivering high-peak current pulses of up to 5A source and 5A sink into capacitive loads along with rail-to-rail drive capability and extremely small propagation delay typically 17ns. In addition, the drivers feature matched internal propagation delays between the two channels which are very well suited for applications requiring dual-gate drives with critical timing, such as synchronous rectifiers. This also enables connecting two channels in parallel to effectively increase current-drive capability or driving two switches in parallel with a single input signal. The input pin thresholds are based on TTL and CMOS compatible low-voltage logic, which is fixed and independent of the VDD supply voltage. Wide hysteresis between the high and low thresholds offers excellent noise immunity.

Subscribe to Welllinkchips !
Your Name
* Email
Submit a request