0
TPS55165-Q1
  • TPS55165-Q1
  • TPS55165-Q1
  • TPS55165-Q1
  • TPS55165-Q1

TPS55165-Q1

ACTIVE

2-V to 36-V, 1-A output, 2-MHz, 5-V or 12-V fixed output voltage, step-up and step-down converter

Texas Instruments TPS55165-Q1 Product Info

1 April 2026 0

Parameters

Rating

Automotive

Topology

Buck-Boost

Vin (max) (V)

36

Vin (min) (V)

2

Vout (max) (V)

12

Vout (min) (V)

5

Switch current limit (typ) (A)

3.5

Features

Spread Spectrum

EMI features

Frequency Dithering, Spread Spectrum

Operating temperature range (°C)

-40 to 125

Iq (typ) (A)

0.000015

Duty cycle (max) (%)

99

TI functional safety category

Functional Safety-Capable

Package

HTSSOP (PWP)-20-41.6 mm² 6.5 x 6.4

Features

  • Qualified for automotive applications
  • AEC-Q100 qualified with the following results:
    • Device temperature grade 1: –40°C to +125°C ambient operating temperature
    • Device HBM ESD classification level 2
    • Device CDM ESD classification level C4B
  • Functional Safety-Capable
  • 2-V to 36-V input voltage range for VOUT = 5 V
  • 5-V or 12-V fixed output voltage (TPS55165-Q1)
  • Adjustable output voltage options from 5.7 V to 9 V (TPS55160-Q1 and TPS55162-Q1)
  • Up to 85% efficiency
  • 1-A output current for VOUT = 5 V and VIN ≥ 5.3 V
  • 0.8-A output current for VOUT = 5 V and VIN ≥ 3.8 V
  • 0.4-A output current for VOUT = 5 V and VIN ≥ 2.3 V
  • Automatic transition between step-down and step-up mode
  • Low-power mode for improved efficiency at light load conditions (TPS55160-Q1/TPS55165-Q1)
  • Device quiescent current less than 15 µA in low-power mode (TPS55160-Q1/TPS55165-Q1)
  • Device shutdown current less than 3 µA
  • Forced fixed-frequency operation at 2 MHz
  • Selectable spread spectrum (TPS55160-Q1 and TPS55165-Q1)
  • Wake-up through IGN with power-latch function
  • Smart power-good output with configurable delay time
  • Overtemperature protection and output overvoltage protection
  • Available in easy-to-use 20-Pin HTSSOP PowerPAD™ package
  • Qualified for automotive applications
  • AEC-Q100 qualified with the following results:
    • Device temperature grade 1: –40°C to +125°C ambient operating temperature
    • Device HBM ESD classification level 2
    • Device CDM ESD classification level C4B
  • Functional Safety-Capable
  • 2-V to 36-V input voltage range for VOUT = 5 V
  • 5-V or 12-V fixed output voltage (TPS55165-Q1)
  • Adjustable output voltage options from 5.7 V to 9 V (TPS55160-Q1 and TPS55162-Q1)
  • Up to 85% efficiency
  • 1-A output current for VOUT = 5 V and VIN ≥ 5.3 V
  • 0.8-A output current for VOUT = 5 V and VIN ≥ 3.8 V
  • 0.4-A output current for VOUT = 5 V and VIN ≥ 2.3 V
  • Automatic transition between step-down and step-up mode
  • Low-power mode for improved efficiency at light load conditions (TPS55160-Q1/TPS55165-Q1)
  • Device quiescent current less than 15 µA in low-power mode (TPS55160-Q1/TPS55165-Q1)
  • Device shutdown current less than 3 µA
  • Forced fixed-frequency operation at 2 MHz
  • Selectable spread spectrum (TPS55160-Q1 and TPS55165-Q1)
  • Wake-up through IGN with power-latch function
  • Smart power-good output with configurable delay time
  • Overtemperature protection and output overvoltage protection
  • Available in easy-to-use 20-Pin HTSSOP PowerPAD™ package

Description

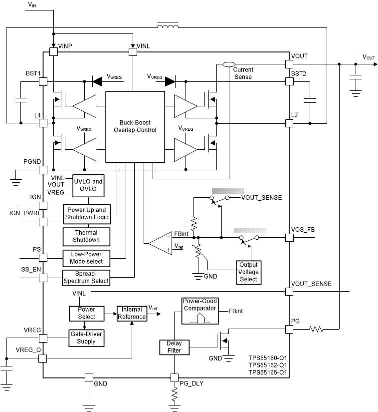
The TPS5516x-Q1 family of devices is a high-voltage synchronous buck-boost DC-DC converter. The device provides a stable power-supply output from a wide varying input-power supply such as an automotive car battery. The buck-boost overlap control ensures automatic transition between step-down and step-up mode with optimal efficiency. The TPS55165-Q1 output voltage can be set to a fixed level of 5 V or 12 V. The TPS55160-Q1 and TPS55162-Q1 devices have a configurable output voltage ranging from 5.7 V to 9 V that is set by an external resistive divider.

Output currents can be as high as 1 A for a normal car battery voltage, and can be maintained at 0.4 A for lower input voltages, such as those for common battery-cranking profiles. The buck-boost converter is based on a fixed-frequency, pulse-width-modulation (PWM) control circuit using synchronous rectification to obtain maximum efficiency. The switching frequency is set to 2 MHz (typical) which allows for the usage of a small inductor that uses less board space.

The TPS5516x-Q1 family of devices is a high-voltage synchronous buck-boost DC-DC converter. The device provides a stable power-supply output from a wide varying input-power supply such as an automotive car battery. The buck-boost overlap control ensures automatic transition between step-down and step-up mode with optimal efficiency. The TPS55165-Q1 output voltage can be set to a fixed level of 5 V or 12 V. The TPS55160-Q1 and TPS55162-Q1 devices have a configurable output voltage ranging from 5.7 V to 9 V that is set by an external resistive divider.

Output currents can be as high as 1 A for a normal car battery voltage, and can be maintained at 0.4 A for lower input voltages, such as those for common battery-cranking profiles. The buck-boost converter is based on a fixed-frequency, pulse-width-modulation (PWM) control circuit using synchronous rectification to obtain maximum efficiency. The switching frequency is set to 2 MHz (typical) which allows for the usage of a small inductor that uses less board space.

Subscribe to Welllinkchips !
Your Name
* Email
Submit a request