0
TPS54610
  • TPS54610
  • TPS54610

TPS54610

ACTIVE

3V to 6V Input, 6A Synchronous Step-Down Converter

Texas Instruments TPS54610 Product Info

1 April 2026 0

Parameters

Rating

Catalog

Topology

Buck

Iout (max) (A)

6

Vin (max) (V)

6

Vin (min) (V)

3

Vout (max) (V)

4.5

Vout (min) (V)

0.9

Features

Enable, Frequency synchronization, Power good, Synchronous Rectification

Control mode

Voltage mode

Operating temperature range (°C)

-40 to 85

Iq (typ) (A)

0.011

Duty cycle (max) (%)

90

Package

HTSSOP (PWP)-28-62.08 mm² 9.7 x 6.4

Features

  • 30-mΩ, 12-A Peak MOSFET Switches for High Efficiency at 6-A Continuous Output Source or Sink Current
  • Adjustable Output Voltage Down to 0.9 V With 1.0% Accuracy
  • Wide PWM Frequency: Fixed 350 kHz, 550 kHz or Adjustable 280 kHz to 700 kHz
  • Synchronizable to 700 kHz
  • Load Protected by Peak Current Limit and Thermal Shutdown
  • Integrated Solution Reduces Board Area and Component Count
  • SWIFT Documentation, Application Notes, and Design Software: www.ti.com/swift
  • 30-mΩ, 12-A Peak MOSFET Switches for High Efficiency at 6-A Continuous Output Source or Sink Current
  • Adjustable Output Voltage Down to 0.9 V With 1.0% Accuracy
  • Wide PWM Frequency: Fixed 350 kHz, 550 kHz or Adjustable 280 kHz to 700 kHz
  • Synchronizable to 700 kHz
  • Load Protected by Peak Current Limit and Thermal Shutdown
  • Integrated Solution Reduces Board Area and Component Count
  • SWIFT Documentation, Application Notes, and Design Software: www.ti.com/swift

Description

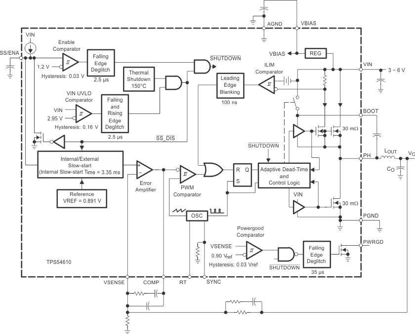
The TPS54610 low-input voltage high-output current synchronous buck PWM converter integrates all required active components. Included on the substrate with the listed features are a true, high performance, voltage error amplifier that enables maximum performance and flexibility in choosing the output filter L and C components; an undervoltage-lockout circuit to prevent start-up until the input voltage reaches 3 V; an internally or externally set slow-start circuit to limit inrush currents; and a power good output useful for processor/logic reset, fault signaling, and supply sequencing.

The TPS54610 is available in a thermally enhanced 28-pin HTSSOP (PWP) PowerPAD™ package, which eliminates bulky heatsinks. TI provides evaluation modules to aid in quickly achieving high-performance power supply designs to meet aggressive equipment development cycles.

The TPS54610 low-input voltage high-output current synchronous buck PWM converter integrates all required active components. Included on the substrate with the listed features are a true, high performance, voltage error amplifier that enables maximum performance and flexibility in choosing the output filter L and C components; an undervoltage-lockout circuit to prevent start-up until the input voltage reaches 3 V; an internally or externally set slow-start circuit to limit inrush currents; and a power good output useful for processor/logic reset, fault signaling, and supply sequencing.

The TPS54610 is available in a thermally enhanced 28-pin HTSSOP (PWP) PowerPAD™ package, which eliminates bulky heatsinks. TI provides evaluation modules to aid in quickly achieving high-performance power supply designs to meet aggressive equipment development cycles.

Subscribe to Welllinkchips !
Your Name
* Email
Submit a request