0
TPS54335A
  • TPS54335A
  • TPS54335A
  • TPS54335A
  • TPS54335A

TPS54335A

ACTIVE

4.5V to 28V Input, 3A, Synchronous, Step-Down Converter with Eco-mode

Texas Instruments TPS54335A Product Info

1 April 2026 1

Parameters

Rating

Catalog

Topology

Buck

Iout (max) (A)

3

Vin (max) (V)

28

Vin (min) (V)

4.5

Vout (max) (V)

24

Vout (min) (V)

0.8

Features

Enable, Light-load efficiency, Soft-start fixed, Synchronous rectification

Control mode

current mode

Operating temperature range (°C)

-40 to 150

Iq (typ) (A)

0.0006

Duty cycle (max) (%)

90

Package

HSOIC (DDA)-8-29.4 mm² 4.9 x 6

Features

  • Synchronous 128-mΩ and 84-mΩ MOSFETs for
    3-A Continuous Output Current
  • TPS54335A: Internal 2-ms Soft-Start,
    50-kHz to 1.5-MHz Adjustable Frequency
  • TPS54336A: Adjustable Soft-Start,
     Fixed 340-kHz Frequency
  • Low 2-µA Shutdown, Quiescent Current
  • 0.8-V Voltage Reference with ±0.8%
    Accuracy
  • Current Mode Control
  • Monotonic Startup into Pre-Biased Outputs
  • Pulse Skipping for Light-Load Efficiency
  • Hiccup Mode Overcurrent Protection
  • Thermal Shutdown (TSD) and
    Overvoltage Transition Protection
  • 8-Pin SO PowerPAD and 10-Pin VSON Packages
  • Synchronous 128-mΩ and 84-mΩ MOSFETs for
    3-A Continuous Output Current
  • TPS54335A: Internal 2-ms Soft-Start,
    50-kHz to 1.5-MHz Adjustable Frequency
  • TPS54336A: Adjustable Soft-Start,
     Fixed 340-kHz Frequency
  • Low 2-µA Shutdown, Quiescent Current
  • 0.8-V Voltage Reference with ±0.8%
    Accuracy
  • Current Mode Control
  • Monotonic Startup into Pre-Biased Outputs
  • Pulse Skipping for Light-Load Efficiency
  • Hiccup Mode Overcurrent Protection
  • Thermal Shutdown (TSD) and
    Overvoltage Transition Protection
  • 8-Pin SO PowerPAD and 10-Pin VSON Packages

Description

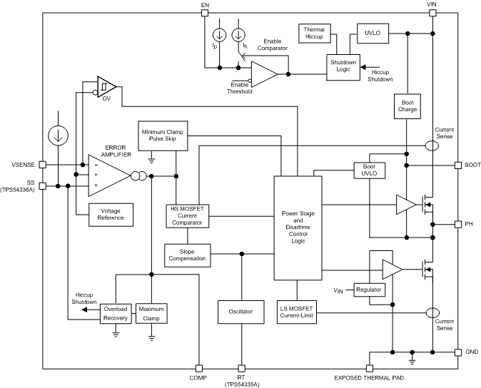
The TPS5433xA family of devices are synchronous converters with an input-voltage range of 4.5 to 28 V. These devices include an integrated low-side switching FET that eliminates the need for an external diode which reduces component count.

Efficiency is maximized through the integrated 128-mΩ and 84-mΩ MOSFETs, low IQ and pulse skipping at light loads. Using the enable pin, the shutdown supply current is reduced to 2 μA. This step-down (buck) converter provides accurate regulation for a variety of loads with a well-regulated voltage reference that is 1.5% over temperature.

Cycle-by-cycle current limiting on the high-side MOSFET protects the TPS5433xA family of devices in overload situations and is enhanced by a low-side sourcing current limit which prevents current runaway. A low-side sinking current-limit turns off the low-side MOSFET to prevent excessive reverse current. Hiccup protection is triggered if the overcurrent condition continues for longer than the preset time. Thermal shutdown disables the device when the die temperature exceeds the threshold and enables the device again after the built-in thermal hiccup time.

The TPS5433xA family of devices are synchronous converters with an input-voltage range of 4.5 to 28 V. These devices include an integrated low-side switching FET that eliminates the need for an external diode which reduces component count.

Efficiency is maximized through the integrated 128-mΩ and 84-mΩ MOSFETs, low IQ and pulse skipping at light loads. Using the enable pin, the shutdown supply current is reduced to 2 μA. This step-down (buck) converter provides accurate regulation for a variety of loads with a well-regulated voltage reference that is 1.5% over temperature.

Cycle-by-cycle current limiting on the high-side MOSFET protects the TPS5433xA family of devices in overload situations and is enhanced by a low-side sourcing current limit which prevents current runaway. A low-side sinking current-limit turns off the low-side MOSFET to prevent excessive reverse current. Hiccup protection is triggered if the overcurrent condition continues for longer than the preset time. Thermal shutdown disables the device when the die temperature exceeds the threshold and enables the device again after the built-in thermal hiccup time.

Subscribe to Welllinkchips !
Your Name
* Email
Submit a request