0
TPS54418
  • TPS54418
  • TPS54418

TPS54418

ACTIVE

2.95V to 6V Input, 4A Synchronous Step-Down SWIFT™ Converter

Texas Instruments TPS54418 Product Info

1 April 2026 0

Parameters

Rating

Catalog

Topology

Buck

Iout (max) (A)

4

Vin (max) (V)

6

Vin (min) (V)

2.95

Vout (max) (V)

4.5

Vout (min) (V)

0.8

Features

Enable, Frequency synchronization, Power good, Pre-Bias Start-Up, Soft Start Adjustable, Synchronous Rectification, UVLO adjustable

Control mode

current mode

Operating temperature range (°C)

-40 to 150

Iq (typ) (A)

0.00035

Duty cycle (max) (%)

98

Package

WQFN (RTE)-16-9 mm² 3 x 3

Features

  • Two, 30-mΩ (typical) MOSFETs for High-Efficiency at 4-A loads
  • Switching Frequency: 200 kHz to 2 MHz
  • Voltage Reference Over Temperature: 0.8 V ± 1%
  • Synchronizes to External Clock
  • Adjustable Soft Start/Sequencing
  • UV and OV Power-Good Output
  • Low Operating and Shutdown Quiescent Current
  • Safe Start-Up into Prebiased Output
  • Cycle-by-Cycle Current Limit, Thermal and Frequency Foldback Protection
  • Operating Junction Temperature Range: –40°C to 150°C
  • Thermally Enhanced 3 mm × 3 mm 16-pin WQFN Package
  • Create a Custom Design Using the TPS54418 With the WEBENCH® Power Designer
  • Two, 30-mΩ (typical) MOSFETs for High-Efficiency at 4-A loads
  • Switching Frequency: 200 kHz to 2 MHz
  • Voltage Reference Over Temperature: 0.8 V ± 1%
  • Synchronizes to External Clock
  • Adjustable Soft Start/Sequencing
  • UV and OV Power-Good Output
  • Low Operating and Shutdown Quiescent Current
  • Safe Start-Up into Prebiased Output
  • Cycle-by-Cycle Current Limit, Thermal and Frequency Foldback Protection
  • Operating Junction Temperature Range: –40°C to 150°C
  • Thermally Enhanced 3 mm × 3 mm 16-pin WQFN Package
  • Create a Custom Design Using the TPS54418 With the WEBENCH® Power Designer

Description

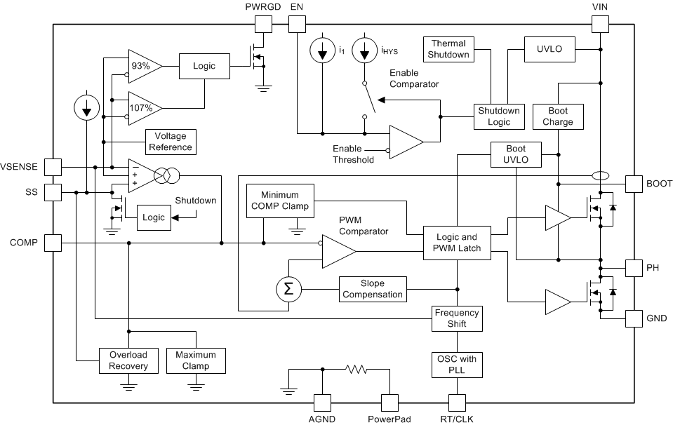
TheTPS54418 device is a full-featured, 6-V, 4-A, synchronous, step-down current-mode converter with two integrated MOSFETs.

The TPS54418 device enables small designs by integrating the MOSFETs, implementing current mode control to reduce external component count, reducing inductor size by enabling up to 2-MHz switching frequency, and minimizing the device footprint with a small, 3 mm x 3 mm, thermally enhanced, QFN package.

The TPS54418 device provides accurate regulation for a variety of loads with an accurate ±1% voltage reference (VREF) over temperature.

Efficiency is maximized through the integrated 30-mΩ MOSFETs and a 350-µA typical supply current. Using the EN pin, shutdown supply current is reduced to 2 µA by entering a shutdown mode.

Undervoltage lockout is internally set at 2.6 V, but can be increased by programming the threshold with a resistor network on the enable pin. The output voltage startup ramp is controlled by the soft-start pin. An open-drain power-good signal indicates the output is within 93% to 107% of its nominal voltage. Frequency foldback and thermal shutdown protects the device during an overcurrent condition.

For more SWIFT™ documentation, see the TI website at www.ti.com/swift.

TheTPS54418 device is a full-featured, 6-V, 4-A, synchronous, step-down current-mode converter with two integrated MOSFETs.

The TPS54418 device enables small designs by integrating the MOSFETs, implementing current mode control to reduce external component count, reducing inductor size by enabling up to 2-MHz switching frequency, and minimizing the device footprint with a small, 3 mm x 3 mm, thermally enhanced, QFN package.

The TPS54418 device provides accurate regulation for a variety of loads with an accurate ±1% voltage reference (VREF) over temperature.

Efficiency is maximized through the integrated 30-mΩ MOSFETs and a 350-µA typical supply current. Using the EN pin, shutdown supply current is reduced to 2 µA by entering a shutdown mode.

Undervoltage lockout is internally set at 2.6 V, but can be increased by programming the threshold with a resistor network on the enable pin. The output voltage startup ramp is controlled by the soft-start pin. An open-drain power-good signal indicates the output is within 93% to 107% of its nominal voltage. Frequency foldback and thermal shutdown protects the device during an overcurrent condition.

For more SWIFT™ documentation, see the TI website at www.ti.com/swift.

Subscribe to Welllinkchips !
Your Name
* Email
Submit a request