0
TPS54302
  • TPS54302
  • TPS54302

TPS54302

ACTIVE

4.5-V to 28-V Input, 3-A Output, EMI Friendly Synchronous Step-Down Converter

Texas Instruments TPS54302 Product Info

1 April 2026 2

Parameters

Rating

Catalog

Topology

Buck

Iout (max) (A)

3

Vin (max) (V)

28

Vin (min) (V)

4.5

Vout (max) (V)

26

Vout (min) (V)

0.6

Features

Enable, Light-load efficiency, Prebias startup, Soft-start fixed, Spread Spectrum, Synchronous rectification, UVLO adjustable

EMI features

Spread Spectrum

Control mode

current mode

Operating temperature range (°C)

-40 to 125

Iq (typ) (A)

0.00004

Duty cycle (max) (%)

100

Package

SOT-23-THN (DDC)-6-8.12 mm² 2.9 x 2.8

Features

  • 4.5-V to 28-V wide input voltage range
  • Integrated 85-mΩ and 40-mΩ MOSFETs for 3-A, continuous output current
  • Low 2-µA shutdown, 45-µA quiescent current
  • Internal 5-ms soft start
  • Fixed 400-kHz switching frequency
  • Frequency spread spectrum to reduce EMI
  • Advanced Eco-mode™ pulse skip
  • Peak current-mode control
  • Internal loop compensation
  • Overcurrent protection for both MOSFETs with hiccup mode protection
  • Overvoltage protection
  • Thermal shutdown
  • SOT-23 (6) package
  • 4.5-V to 28-V wide input voltage range
  • Integrated 85-mΩ and 40-mΩ MOSFETs for 3-A, continuous output current
  • Low 2-µA shutdown, 45-µA quiescent current
  • Internal 5-ms soft start
  • Fixed 400-kHz switching frequency
  • Frequency spread spectrum to reduce EMI
  • Advanced Eco-mode™ pulse skip
  • Peak current-mode control
  • Internal loop compensation
  • Overcurrent protection for both MOSFETs with hiccup mode protection
  • Overvoltage protection
  • Thermal shutdown
  • SOT-23 (6) package

Description

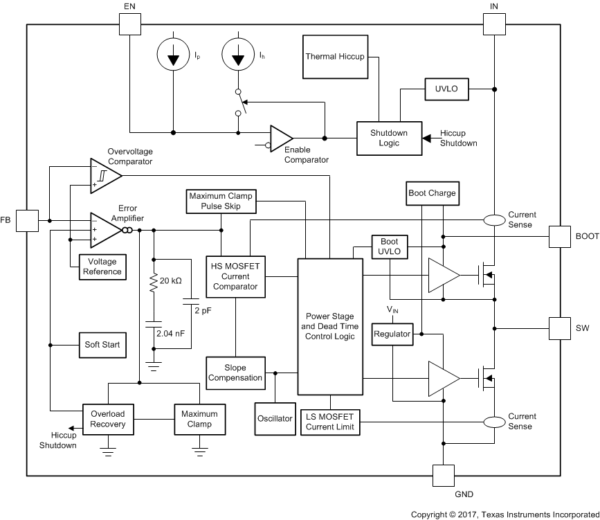
The TPS54302 device is a 4.5-V to 28-V input voltage range, 3-A synchronous buck converter. The device includes two integrated switching FETs, internal loop compensation, and 5-ms internal soft start to reduce component count.

By integrating the MOSFETs and employing the SOT-23 package, the TPS54302 device achieves the high power density and offers a small footprint on the PCB.

Advanced Eco-mode implementation maximizes the light load efficiency and reduces the power loss.

In the TPS54302 device, the frequency spread spectrum operation is introduced for EMI reduction.

Cycle-by-cycle current limit in both high-side MOSFET protects the converter in an overload condition and is enhanced by a low-side MOSFET freewheeling current limit which prevents current runaway. Hiccup mode protection is triggered if the overcurrent condition has persisted for longer than the present time.

The TPS54302 device is a 4.5-V to 28-V input voltage range, 3-A synchronous buck converter. The device includes two integrated switching FETs, internal loop compensation, and 5-ms internal soft start to reduce component count.

By integrating the MOSFETs and employing the SOT-23 package, the TPS54302 device achieves the high power density and offers a small footprint on the PCB.

Advanced Eco-mode implementation maximizes the light load efficiency and reduces the power loss.

In the TPS54302 device, the frequency spread spectrum operation is introduced for EMI reduction.

Cycle-by-cycle current limit in both high-side MOSFET protects the converter in an overload condition and is enhanced by a low-side MOSFET freewheeling current limit which prevents current runaway. Hiccup mode protection is triggered if the overcurrent condition has persisted for longer than the present time.

Subscribe to Welllinkchips !
Your Name
* Email
Submit a request