0
TPS54202
  • TPS54202
  • TPS54202

TPS54202

ACTIVE

4.5V to 28V Input, 2A Output, EMI Friendly Synchronous Step-Down Converter

Texas Instruments TPS54202 Product Info

1 April 2026 1

Parameters

Rating

Catalog

Topology

Buck

Iout (max) (A)

2

Vin (max) (V)

28

Vin (min) (V)

4.5

Vout (max) (V)

26

Vout (min) (V)

0.6

Features

Enable, Light-load efficiency, Prebias startup, Soft-start fixed, Spread Spectrum, Synchronous rectification, UVLO adjustable

EMI features

Spread Spectrum

Control mode

current mode

Operating temperature range (°C)

-40 to 125

Iq (typ) (A)

0.00004

Duty cycle (max) (%)

100

Package

SOT-23-THN (DDC)-6-8.12 mm² 2.9 x 2.8

Features

  • 4.5V to 28V wide input voltage range
  • Integrated 148mΩ and 78mΩ MOSFETs for 2A, continuous output current
  • Low 3µA shutdown, 45µA quiescent current
  • Internal 5mS soft start
  • Fixed 500kHz switching frequency
  • Frequency spread spectrum to reduce EMI
  • Advanced Eco-mode™ pulse skip
  • Peak current mode control
  • Internal loop compensation
  • Overcurrent protection for both MOSFETs with hiccup mode protection
  • Overvoltage protection
  • Thermal shutdown
  • SOT-23 (6) package
  • 4.5V to 28V wide input voltage range
  • Integrated 148mΩ and 78mΩ MOSFETs for 2A, continuous output current
  • Low 3µA shutdown, 45µA quiescent current
  • Internal 5mS soft start
  • Fixed 500kHz switching frequency
  • Frequency spread spectrum to reduce EMI
  • Advanced Eco-mode™ pulse skip
  • Peak current mode control
  • Internal loop compensation
  • Overcurrent protection for both MOSFETs with hiccup mode protection
  • Overvoltage protection
  • Thermal shutdown
  • SOT-23 (6) package

Description

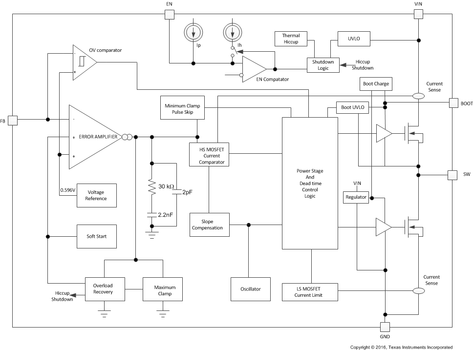
The TPS54202 is a 4.5V to 28V input voltage range, 2A synchronous buck converter. The device includes two integrated switching FETs, internal loop compensation and 5ms internal soft start to reduce component count.

By integrating the MOSFETs and employing the SOT-23 package, the TPS54202 achieves the high power density and offers a small footprint on the PCB.

Advanced Eco-modeTM implementation maximizes the light load efficiency and reduces the power loss.

The frequency spread spectrum operation is introduced for EMI reduction.

Cycle-by-cycle current limit in both high-side MOSFET protects the converter in an overload condition and is enhanced by a low-side MOSFET freewheeling current limit which prevents current runaway. Hiccup mode protection is triggered if the overcurrent condition has persisted for longer than the present time.

The TPS54202 is a 4.5V to 28V input voltage range, 2A synchronous buck converter. The device includes two integrated switching FETs, internal loop compensation and 5ms internal soft start to reduce component count.

By integrating the MOSFETs and employing the SOT-23 package, the TPS54202 achieves the high power density and offers a small footprint on the PCB.

Advanced Eco-modeTM implementation maximizes the light load efficiency and reduces the power loss.

The frequency spread spectrum operation is introduced for EMI reduction.

Cycle-by-cycle current limit in both high-side MOSFET protects the converter in an overload condition and is enhanced by a low-side MOSFET freewheeling current limit which prevents current runaway. Hiccup mode protection is triggered if the overcurrent condition has persisted for longer than the present time.

Subscribe to Welllinkchips !
Your Name
* Email
Submit a request