0
TPS3431-Q1
  • TPS3431-Q1
  • TPS3431-Q1
  • TPS3431-Q1

TPS3431-Q1

ACTIVE

Automotive, standard programmable watchdog timer with enable

Texas Instruments TPS3431-Q1 Product Info

1 April 2026 1

Parameters

Rating

Automotive

Features

Timeout watchdog, Watchdog disable, Watchdog timer

Reset threshold accuracy (%)

0

Iq (typ) (mA)

0.01

Output driver type/reset output

Active-low, Open-drain

Time delay (ms)

200

Watchdog timer WDI (s)

0.2, Programmable

Supply voltage (min) (V)

1.8

Supply voltage (max) (V)

6.5

TI functional safety category

Functional Safety-Capable

Operating temperature range (°C)

-40 to 125

Package

VSON (DRB)-8-9 mm² 3 x 3

Features

  • AEC-Q100 qualified for automotive applications:
    • Device temperature grade 1: –40°C to +125°C ambient operating temperature
  • Functional safety-capable
  • Factory-programmed precision watchdog timers:
    • ±2.5% Accurate watchdog timeout (WDT) typical at 25°C
  • Watchdog disable feature
  • User-programmable watchdog timeout
  • Input voltage range: VDD = 1.8 V to 6.5 V
  • Low quiescent current: IDD = 10 µA (typical)
  • Active-low open-drain output
  • Enable input (EN) and enable output (ENOUT)
  • Available in a small 3-mm × 3-mm, 8-pin VSON package
  • Junction operating temperature range: –40°C to +125°C
  • AEC-Q100 qualified for automotive applications:
    • Device temperature grade 1: –40°C to +125°C ambient operating temperature
  • Functional safety-capable
  • Factory-programmed precision watchdog timers:
    • ±2.5% Accurate watchdog timeout (WDT) typical at 25°C
  • Watchdog disable feature
  • User-programmable watchdog timeout
  • Input voltage range: VDD = 1.8 V to 6.5 V
  • Low quiescent current: IDD = 10 µA (typical)
  • Active-low open-drain output
  • Enable input (EN) and enable output (ENOUT)
  • Available in a small 3-mm × 3-mm, 8-pin VSON package
  • Junction operating temperature range: –40°C to +125°C

Description

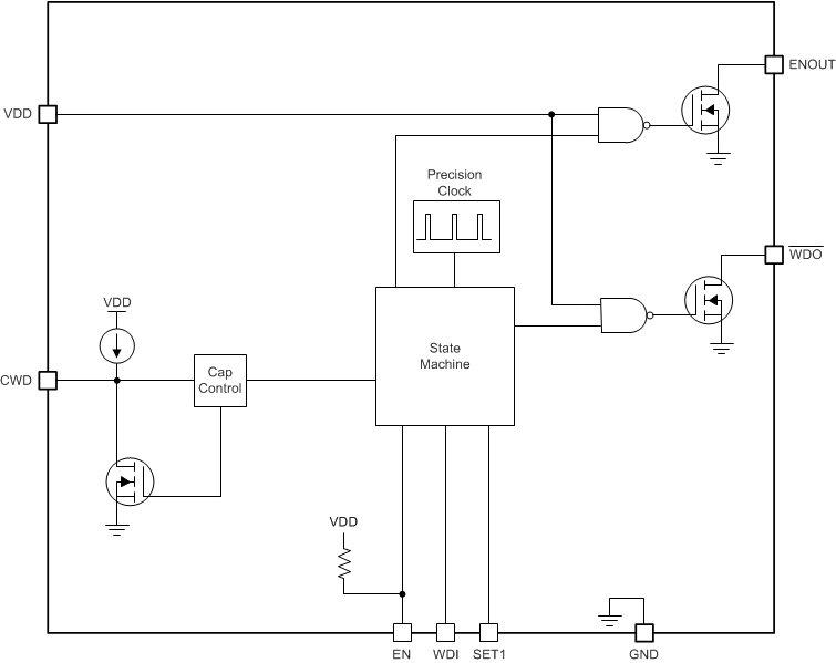
The TPS3431-Q1 is a standard automotive programmable watchdog timer with an enable feature for automotive applications. The watchdog timeout features a 15% accuracy, high-precision timing (–40°C to +125°C) and 2.5% typical at 25°C. The watchdog timeout can be programmed either by an external capacitor, or by factory-programmed default delay settings. The watchdog can be disabled via the Enable pin or the SET logic pins to avoid undesired watchdog timeouts during the development process.

The TPS3431-Q1 is available in a small 3.00-mm × 3.00-mm, 8-pin VSON package. The TPS3431-Q1 features wettable flanks for easy optical inspection.

The TPS3431-Q1 is a standard automotive programmable watchdog timer with an enable feature for automotive applications. The watchdog timeout features a 15% accuracy, high-precision timing (–40°C to +125°C) and 2.5% typical at 25°C. The watchdog timeout can be programmed either by an external capacitor, or by factory-programmed default delay settings. The watchdog can be disabled via the Enable pin or the SET logic pins to avoid undesired watchdog timeouts during the development process.

The TPS3431-Q1 is available in a small 3.00-mm × 3.00-mm, 8-pin VSON package. The TPS3431-Q1 features wettable flanks for easy optical inspection.

Subscribe to Welllinkchips !
Your Name
* Email
Submit a request