0
TPS53315
  • TPS53315
  • TPS53315

TPS53315

ACTIVE

3-V to 15-V, 12-A synchronous buck converter with optimized light load efficiency

Texas Instruments TPS53315 Product Info

1 April 2026 0

Parameters

Rating

Catalog

Topology

Buck

Iout (max) (A)

12

Vin (max) (V)

15

Vin (min) (V)

3

Vout (max) (V)

5.5

Vout (min) (V)

0.6

Features

Adjustable current limit, Enable, Forced PWM, Light-load efficiency, Overcurrent protection, Power good, Prebias startup, Soft-start adjustable, Synchronous rectification, UVLO Fixed

Control mode

D-CAP

Operating temperature range (°C)

-40 to 85

Iq (typ) (A)

0.00032

Duty cycle (max) (%)

90

Package

VQFN (RGF)-40-35 mm² 7 x 5

Features

  • Conversion input voltage range: 3 V to 15 V
  • VDD input voltage range: 4.5 V to 25 V
  • Output voltage range: 0.6 V to 5.5 V
  • 5-V LDO output
  • Integrated power MOSFETs with 12-A continuous output current
  • < 10-µA shutdown current
  • Auto-skip Eco-mode for light-load efficiency
  • D-CAP integrated circuit with fast transient response
  • Selectable switching frequency from 250 kHz to 1 MHz with an external resistor
  • Built-in 1%, 0.6-V reference
  • 0.7-ms, 1.4-ms, 2.8-ms and 5.6-ms selectable internal voltage servo soft start
  • Pre-charged start-up capability
  • Integrated boost switch
  • Adjustable overcurrent limit through external resistor
  • Overvoltage, undervoltage, UVLO, and overtemperature protection
  • Support all ceramic output capacitors
  • Open drain power-good indication
  • 40-pin VQFN package with thermal pad
  • Conversion input voltage range: 3 V to 15 V
  • VDD input voltage range: 4.5 V to 25 V
  • Output voltage range: 0.6 V to 5.5 V
  • 5-V LDO output
  • Integrated power MOSFETs with 12-A continuous output current
  • < 10-µA shutdown current
  • Auto-skip Eco-mode for light-load efficiency
  • D-CAP integrated circuit with fast transient response
  • Selectable switching frequency from 250 kHz to 1 MHz with an external resistor
  • Built-in 1%, 0.6-V reference
  • 0.7-ms, 1.4-ms, 2.8-ms and 5.6-ms selectable internal voltage servo soft start
  • Pre-charged start-up capability
  • Integrated boost switch
  • Adjustable overcurrent limit through external resistor
  • Overvoltage, undervoltage, UVLO, and overtemperature protection
  • Support all ceramic output capacitors
  • Open drain power-good indication
  • 40-pin VQFN package with thermal pad

Description

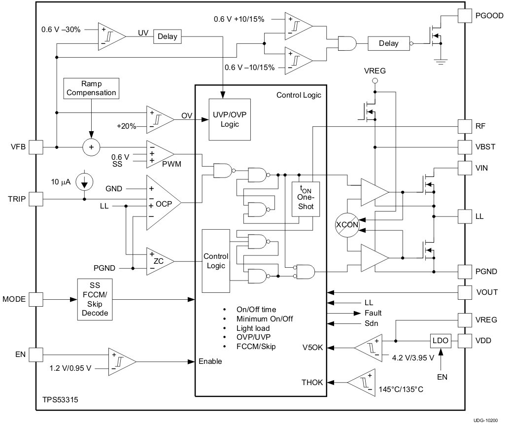
TPS53315 is a D-CAP integrated circuit, 12-A synchronous switcher with integrated MOSFETs. The device is designed for ease of use, low external component count, and small package power systems.

This device features single-rail input support, one 19-mΩ and one 7-mΩ integrated MOSFET, accurate 1%, 0.6-V Reference, and integrated boost switch. A sample of competitive features include: greater than 96% maximum efficiency, 3-V to 15-V wide input voltage range, very low external component count, D-CAP integrated circuit for super fast transient, selectable auto-skip and PWM operation, internal soft-start control, adjustable frequency, and no need for compensation.

The conversion input voltage ranges from 3 V to 15 V, the supply voltage range is from 4.5 V to 25 V, and the output voltage range is from 0.6 V to 5.5 V.

The TPS53315 is available in a 5 mm × 7 mm 40-pin, VQFN package and is specified from –40°C to 85°C.

TPS53315 is a D-CAP integrated circuit, 12-A synchronous switcher with integrated MOSFETs. The device is designed for ease of use, low external component count, and small package power systems.

This device features single-rail input support, one 19-mΩ and one 7-mΩ integrated MOSFET, accurate 1%, 0.6-V Reference, and integrated boost switch. A sample of competitive features include: greater than 96% maximum efficiency, 3-V to 15-V wide input voltage range, very low external component count, D-CAP integrated circuit for super fast transient, selectable auto-skip and PWM operation, internal soft-start control, adjustable frequency, and no need for compensation.

The conversion input voltage ranges from 3 V to 15 V, the supply voltage range is from 4.5 V to 25 V, and the output voltage range is from 0.6 V to 5.5 V.

The TPS53315 is available in a 5 mm × 7 mm 40-pin, VQFN package and is specified from –40°C to 85°C.

Subscribe to Welllinkchips !
Your Name
* Email
Submit a request