0
TPS61086
  • TPS61086
  • TPS61086

TPS61086

ACTIVE

18.5-V, 2-A, 2-MHz step-up DC/DC converter

Texas Instruments TPS61086 Product Info

1 April 2026 2

Parameters

Rating

Catalog

Topology

Boost

Vin (max) (V)

6

Vin (min) (V)

2.3

Vout (max) (V)

18.5

Vout (min) (V)

2.8

Switch current limit (typ) (A)

2.6

Features

Enable, Light-load efficiency, Nonsynchronous, Power good

Operating temperature range (°C)

-40 to 125

Iq (typ) (A)

0.00007

Duty cycle (max) (%)

90

Package

VSON (DRC)-10-9 mm² 3 x 3

Features

  • 2.3-V to 6.0-V Input Voltage Range
  • 18.5-V Boost Converter With 2.0-A Switch Current
  • 1.2-MHz Switching Frequency
  • Power Save Mode for Improved Efficiency at Low-
    Output Power or Forced PWM
  • Adjustable Soft-Start
  • Thermal Shutdown
  • Undervoltage Lockout
  • 10-Pin VSON Package
  • 2.3-V to 6.0-V Input Voltage Range
  • 18.5-V Boost Converter With 2.0-A Switch Current
  • 1.2-MHz Switching Frequency
  • Power Save Mode for Improved Efficiency at Low-
    Output Power or Forced PWM
  • Adjustable Soft-Start
  • Thermal Shutdown
  • Undervoltage Lockout
  • 10-Pin VSON Package

Description

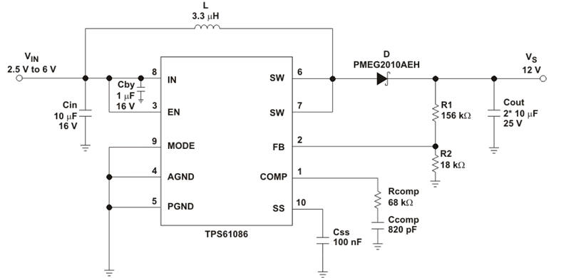
The TPS61086 device is a high-frequency, high-efficiency DC-to-DC converter with an integrated 2.0-A, 0.13-Ω power switch capable of providing an output voltage up to 18.5 V. The implemented boost converter is based on a fixed frequency of 1.2-MHz, pulse-width-modulation (PWM) controller that allows the use of small external inductors and capacitors and provides fast transient response.

At light-load, the device can operate in Power Save Mode with pulse-frequency-modulation (PFM) to improve the efficiency while keeping a low-output voltage ripple. For very noise-sensitive applications, the device can be forced to PWM Mode operation over the entire load range by pulling the MODE pin high. The external compensation allows optimizing the application for specific conditions. A capacitor connected to the soft-start pin minimizes inrush current at start-up.

The TPS61086 device is a high-frequency, high-efficiency DC-to-DC converter with an integrated 2.0-A, 0.13-Ω power switch capable of providing an output voltage up to 18.5 V. The implemented boost converter is based on a fixed frequency of 1.2-MHz, pulse-width-modulation (PWM) controller that allows the use of small external inductors and capacitors and provides fast transient response.

At light-load, the device can operate in Power Save Mode with pulse-frequency-modulation (PFM) to improve the efficiency while keeping a low-output voltage ripple. For very noise-sensitive applications, the device can be forced to PWM Mode operation over the entire load range by pulling the MODE pin high. The external compensation allows optimizing the application for specific conditions. A capacitor connected to the soft-start pin minimizes inrush current at start-up.

Subscribe to Welllinkchips !
Your Name
* Email
Submit a request