0
TPS51716
  • TPS51716
  • TPS51716

TPS51716

ACTIVE

Complete DDR2/3/3L/4 Memory Power Solution Synchronous Buck Controller, 2-A LDO

Texas Instruments TPS51716 Product Info

1 April 2026 0

Parameters

Product type

DDR

Vin (min) (V)

3

Vin (max) (V)

28

Vout (min) (V)

0.7

Vout (max) (V)

1.8

Features

Complete Solution, Eco Mode, S3/S5 Support

Rating

Catalog

Operating temperature range (°C)

-40 to 85

Iq (typ) (mA)

0.6

DDR memory type

DDR, DDR2, DDR3, DDR3L, DDR4, LPDDR2, LPDDR3

Package

WQFN (RUK)-20-9 mm² 3 x 3

Features

  • Synchronous Buck Controller (VDDQ)
    • Conversion Voltage Range: 3 to 28 V
    • Output Voltage Range: 0.7 to 1.8 V
    • 0.8% VREF Accuracy
    • D-CAP2™ Mode for Ceramic Output Capacitors
    • Selectable 500-kHz/670-kHz Switching Frequencies
    • Optimized Efficiency at Light and Heavy Loads With Auto-Skip Function
    • Supports Soft-Off in S4/S5 States
    • OCL/OVP/UVP/UVLO Protections
    • Powergood Output
  • 2-A LDO (VTT), Buffered Reference (VTTREF)
    • 2-A (Peak) Sink and Source Current
    • Requires Only 10-µF of Ceramic Output Capacitance
    • Buffered, Low Noise, 10-mA VTTREF Output
    • 0.8% VTTREF, 20-mV VTT Accuracy
    • Support High-Z in S3 and Soft-Off in S4/S5
  • Thermal Shutdown
  • 20-Pin, 3 mm × 3 mm, WQFN Package
  • Synchronous Buck Controller (VDDQ)
    • Conversion Voltage Range: 3 to 28 V
    • Output Voltage Range: 0.7 to 1.8 V
    • 0.8% VREF Accuracy
    • D-CAP2™ Mode for Ceramic Output Capacitors
    • Selectable 500-kHz/670-kHz Switching Frequencies
    • Optimized Efficiency at Light and Heavy Loads With Auto-Skip Function
    • Supports Soft-Off in S4/S5 States
    • OCL/OVP/UVP/UVLO Protections
    • Powergood Output
  • 2-A LDO (VTT), Buffered Reference (VTTREF)
    • 2-A (Peak) Sink and Source Current
    • Requires Only 10-µF of Ceramic Output Capacitance
    • Buffered, Low Noise, 10-mA VTTREF Output
    • 0.8% VTTREF, 20-mV VTT Accuracy
    • Support High-Z in S3 and Soft-Off in S4/S5
  • Thermal Shutdown
  • 20-Pin, 3 mm × 3 mm, WQFN Package

Description

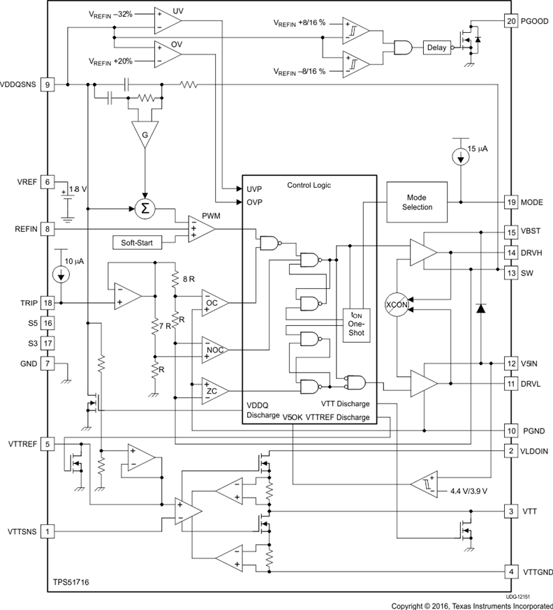
The TPS51716 provides a complete power supply for DDR2, DDR3, DDR3L, LPDDR3, and DDR4 memory systems in the lowest total cost and minimum space. It integrates a synchronous buck regulator controller (VDDQ) with a 2-A sink/source tracking LDO (VTT) and buffered low noise reference (VTTREF). The TPS51716 employs D-CAP2 mode coupled with 500 kHz or 670 kHz operating frequencies that supports ceramic output capacitors without an external compensation circuit. The VTTREF tracks VDDQ/2 with excellent 0.8% accuracy. The VTT, which provides 2-A sink/source peak current capabilities, requires only 10 µF of ceramic capacitance. In addition, the device features a dedicated LDO supply input.

The TPS51716 provides rich, useful functions as well as excellent power supply performance. It supports flexible power state control, placing VTT at high-Z in S3 and discharging VDDQ, VTT and VTTREF (soft-off) in S4/S5 state. It includes programmable OCL with low-side MOSFET RDS(on) sensing, OVP/UVP/UVLO and thermal shutdown protections.

TI offers the TPS51716 in a 20-pin, 3 mm × 3 mm, WQFN package and specifies it for an ambient temperature range between –40°C and 85°C.

The TPS51716 provides a complete power supply for DDR2, DDR3, DDR3L, LPDDR3, and DDR4 memory systems in the lowest total cost and minimum space. It integrates a synchronous buck regulator controller (VDDQ) with a 2-A sink/source tracking LDO (VTT) and buffered low noise reference (VTTREF). The TPS51716 employs D-CAP2 mode coupled with 500 kHz or 670 kHz operating frequencies that supports ceramic output capacitors without an external compensation circuit. The VTTREF tracks VDDQ/2 with excellent 0.8% accuracy. The VTT, which provides 2-A sink/source peak current capabilities, requires only 10 µF of ceramic capacitance. In addition, the device features a dedicated LDO supply input.

The TPS51716 provides rich, useful functions as well as excellent power supply performance. It supports flexible power state control, placing VTT at high-Z in S3 and discharging VDDQ, VTT and VTTREF (soft-off) in S4/S5 state. It includes programmable OCL with low-side MOSFET RDS(on) sensing, OVP/UVP/UVLO and thermal shutdown protections.

TI offers the TPS51716 in a 20-pin, 3 mm × 3 mm, WQFN package and specifies it for an ambient temperature range between –40°C and 85°C.

Subscribe to Welllinkchips !
Your Name
* Email
Submit a request