0
TPS51313
  • TPS51313
  • TPS51313

TPS51313

ACTIVE

3V to 5.5V input, DCAP2, 1MHz, Step-Down DC/DC Converter for nVidia Graphics PEX (PCI-Express) Rail

Texas Instruments TPS51313 Product Info

1 April 2026 0

Parameters

Rating

Catalog

Topology

Buck

Iout (max) (A)

3

Vin (max) (V)

5.5

Vin (min) (V)

3.1

Vout (max) (V)

3.3

Vout (min) (V)

0.6

Features

Enable, Light load efficiency, Output discharge, Power good, Pre-Bias Start-Up, Soft Start Fixed, Synchronous Rectification

Control mode

D-CAP2

Operating temperature range (°C)

-10 to 85

Iq (typ) (A)

0.0008

Duty cycle (max) (%)

90

Package

VSON (DRC)-10-9 mm² 3 x 3

Features

  • Input Voltage VIN Range : 3.1 V to 5.5 V
  • Bias Voltage VCC Range: 3.1 V to 5.5 V
  • Output Voltage Range: 0.6 V to 3.3 V
  • 0.6-V, 1% Voltage Reference Accuracy
  • Switching Frequency: 1 MHz
  • No External Compensation is Required
  • Fixed Voltage Servo Soft-Start Function
  • Thermal Shutdown
  • Input Voltage VIN Range : 3.1 V to 5.5 V
  • Bias Voltage VCC Range: 3.1 V to 5.5 V
  • Output Voltage Range: 0.6 V to 3.3 V
  • 0.6-V, 1% Voltage Reference Accuracy
  • Switching Frequency: 1 MHz
  • No External Compensation is Required
  • Fixed Voltage Servo Soft-Start Function
  • Thermal Shutdown

Description

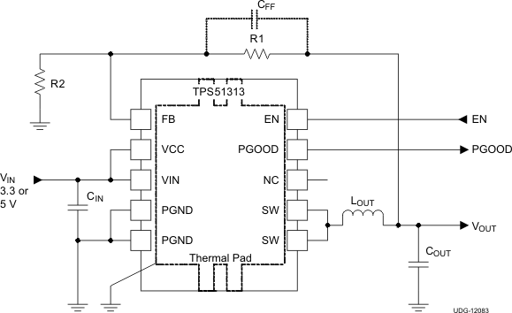
The TPS51313 is an easy-to-use, fully integrated, synchronous buck converter for low voltage point-of-load applications. It is designed to meet the NVIDIA OpenVreg Type 0 specifications, including the package and footprint requirement. It supports 3-A (maximum) of dc output current at output voltages from 0.6 V to 3.3 V. The D-CAP2 mode adaptive, constant on-time control with 1-MHz switching frequency allows a small footprint when designed using all ceramic output capacitors and offers a low external component count. The device also features auto-skip function at light load condition, pre-biased start-up and internally fixed soft-start time. When the device is disabled, the output capacitor is discharged through internal resistor. The TPS51313 is available in a 3 mm x 3 mm, 10-pin DRC package (Green RoHS compliant and Pb free) and is specified between –10°C and 85°C.

The TPS51313 is an easy-to-use, fully integrated, synchronous buck converter for low voltage point-of-load applications. It is designed to meet the NVIDIA OpenVreg Type 0 specifications, including the package and footprint requirement. It supports 3-A (maximum) of dc output current at output voltages from 0.6 V to 3.3 V. The D-CAP2 mode adaptive, constant on-time control with 1-MHz switching frequency allows a small footprint when designed using all ceramic output capacitors and offers a low external component count. The device also features auto-skip function at light load condition, pre-biased start-up and internally fixed soft-start time. When the device is disabled, the output capacitor is discharged through internal resistor. The TPS51313 is available in a 3 mm x 3 mm, 10-pin DRC package (Green RoHS compliant and Pb free) and is specified between –10°C and 85°C.

Subscribe to Welllinkchips !
Your Name
* Email
Submit a request