0
TPS51275B-1
  • TPS51275B-1
  • TPS51275B-1

TPS51275B-1

ACTIVE

5.5-V to 24-V, dual-synchronous buck controller with Out-of-Audio™ mode and 3.2 ms soft start

Texas Instruments TPS51275B-1 Product Info

1 April 2026 1

Parameters

Rating

Catalog

Topology

Buck

Iout (max) (A)

20

Vin (max) (V)

24

Vin (min) (V)

5

Vout (max) (V)

5.1

Vout (min) (V)

4.85

Control mode

D-CAP

Features

Enable, Power good, Synchronous Rectification

Duty cycle (max) (%)

95

Iq (typ) (A)

0.0008

Number of phases

1

Operating temperature range (°C)

-40 to 85

Package

WQFN (RUK)-20-9 mm² 3 x 3

Features

  • Input Voltage Range: 5 V to 24 V
  • Output Voltages: 5 V and 3.3 V (Adjustable Range
    ±10%)
  • Built-in, 100-mA, 5-V, and 3.3-V LDOs
  • Clock Output for Charge-Pump
  • ±1% Reference Accuracy
  • Adaptive On-Time D-CAP™ Mode Control
    Architecture with 300-kHz and 355-kHz Frequency
    Setting
  • Out-of-Audio™ (OOA) Light-Load Operation
  • Internal 3.2-ms Voltage Servo Soft-Start
  • Low-Side RDS(on) Current Sensing Scheme
  • Built-In Output Discharge Function
  • Separate Enable Input for Switchers
  • Dedicated OC Setting Terminals
  • Power Good Indicator
  • OVP, UVP, and OCP Protection
  • Non-Latch UVLO and OTP Protection
  • 20-Pin, 3-mm × 3-mm, WQFN (RUK) Package
  • Input Voltage Range: 5 V to 24 V
  • Output Voltages: 5 V and 3.3 V (Adjustable Range
    ±10%)
  • Built-in, 100-mA, 5-V, and 3.3-V LDOs
  • Clock Output for Charge-Pump
  • ±1% Reference Accuracy
  • Adaptive On-Time D-CAP™ Mode Control
    Architecture with 300-kHz and 355-kHz Frequency
    Setting
  • Out-of-Audio™ (OOA) Light-Load Operation
  • Internal 3.2-ms Voltage Servo Soft-Start
  • Low-Side RDS(on) Current Sensing Scheme
  • Built-In Output Discharge Function
  • Separate Enable Input for Switchers
  • Dedicated OC Setting Terminals
  • Power Good Indicator
  • OVP, UVP, and OCP Protection
  • Non-Latch UVLO and OTP Protection
  • 20-Pin, 3-mm × 3-mm, WQFN (RUK) Package

Description

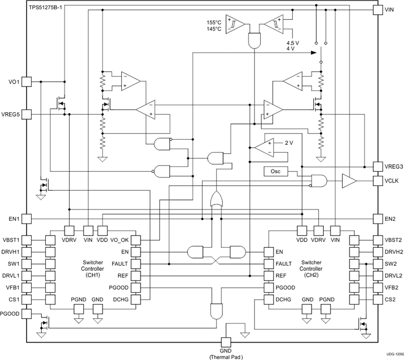
The TPS51275B-1 device is a cost-effective, dual-synchronous buck controller targeted for notebook system-power supply solutions. The device has 5-V and 3.3-V low-dropout regulators (LDOs) and requires few external components. The 260-kHz VCLK output can be used to drive an external charge pump, generating gate drive voltage for the load switches without reducing the main converter efficiency. The TPS51275B-1 device supports high efficiency, fast transient response and provides a combined power-good signal. Adaptive on-time, D-CAP control provides convenient and efficient operation. The device operates with a supply input voltage ranging from 5 to 24 V and supports output voltages of 5 V and 3.3 V. The TPS51275B-1 device is available in a 20-pin, 3-mm × 3-mm, WQFN package and is specified from –40°C to 85°C.

The TPS51275B-1 device is a cost-effective, dual-synchronous buck controller targeted for notebook system-power supply solutions. The device has 5-V and 3.3-V low-dropout regulators (LDOs) and requires few external components. The 260-kHz VCLK output can be used to drive an external charge pump, generating gate drive voltage for the load switches without reducing the main converter efficiency. The TPS51275B-1 device supports high efficiency, fast transient response and provides a combined power-good signal. Adaptive on-time, D-CAP control provides convenient and efficient operation. The device operates with a supply input voltage ranging from 5 to 24 V and supports output voltages of 5 V and 3.3 V. The TPS51275B-1 device is available in a 20-pin, 3-mm × 3-mm, WQFN package and is specified from –40°C to 85°C.

Subscribe to Welllinkchips !
Your Name
* Email
Submit a request