0
TPS386000-Q1
  • TPS386000-Q1
  • TPS386000-Q1

TPS386000-Q1

ACTIVE

Automotive, quad-supply voltage supervisors with programmable delay & watchdog timer

Texas Instruments TPS386000-Q1 Product Info

1 April 2026 0

Parameters

Rating

Automotive

Number of supplies monitored

3, 4

Threshold voltage 1 (typ) (V)

0.4, Adjustable

Features

Manual reset capable, Negative voltage monitoring, Timeout watchdog, Undervoltage and overvoltage monitor, Watchdog timer

Reset threshold accuracy (%)

0.5, 1

Iq (typ) (mA)

0.011, 0.012

Output driver type/reset output

Active-low, Open-drain

Time delay (ms)

20, 30, 300

Watchdog timer WDI (s)

0.6

Supply voltage (min) (V)

1.8

Supply voltage (max) (V)

6.5

Operating temperature range (°C)

-40 to 125

Package

VQFN (RGP)-20-16 mm² 4 x 4

Features

  • Qualified for Automotive Applications
  • AEC Q100 Test Guidance With the Following
    Results:
    • Device Temperature Grade 1: –40°C to 125°C
      Ambient Operating Temperature Range
    • Device HBM ESD Classification Level H2
    • Device CDM ESD Classification Level C4B
  • Four Complete SVS Modules on one Silicon
    Platform
  • Programmable Delay Time: 1.4 ms to 10 s
  • Very Low Quiescent Current: 12 µA Typical
  • Threshold Accuracy: 0.25% Typical
  • SVS-1: Manual Reset (MR) Input
  • SVS-1, 2, 3: Adjustable Threshold Down to 0.4 V
  • SVS-4:
    • Adjustable Threshold at Any Positive or
      Negative Voltage with VREF (1.2 V)
    • Window Comparator
  • Watchdog Timer with Dedicated Output
  • Well-Controlled RESETn Output During Power-Up
  • Open-Drain RESETn and WDO
  • Package: 4-mm × 4-mm, 20-pin VQFN
  • Qualified for Automotive Applications
  • AEC Q100 Test Guidance With the Following
    Results:
    • Device Temperature Grade 1: –40°C to 125°C
      Ambient Operating Temperature Range
    • Device HBM ESD Classification Level H2
    • Device CDM ESD Classification Level C4B
  • Four Complete SVS Modules on one Silicon
    Platform
  • Programmable Delay Time: 1.4 ms to 10 s
  • Very Low Quiescent Current: 12 µA Typical
  • Threshold Accuracy: 0.25% Typical
  • SVS-1: Manual Reset (MR) Input
  • SVS-1, 2, 3: Adjustable Threshold Down to 0.4 V
  • SVS-4:
    • Adjustable Threshold at Any Positive or
      Negative Voltage with VREF (1.2 V)
    • Window Comparator
  • Watchdog Timer with Dedicated Output
  • Well-Controlled RESETn Output During Power-Up
  • Open-Drain RESETn and WDO
  • Package: 4-mm × 4-mm, 20-pin VQFN

Description

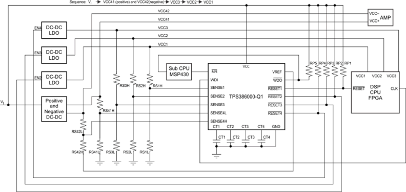
The TPS386000-Q1 family of voltage supervisors can monitor four power rails that are greater than 0.4 V and one power rail less than 0.4 V (including negative voltage) with a 0.25% (typical) threshold accuracy. Each of the four supervisory circuits (SVS-n) assert a RESETn or RESETn output signal when the SENSEm input voltage drops below the programmed threshold. With external resistors, the threshold of each SVS-n can be programmed (where n = 1, 2, 3, 4 and m = 1, 2, 3, 4L, 4H).

Each SVS-n has a programmable delay before releasing RESETn or RESETn. The delay time can be set from 1.4 ms to 10 s through the CTn pin connection. Only SVS-1 has an active-low manual reset (MR) input; a logic-low input to MR asserts RESET1 or RESET1.

SVS-4 monitors the threshold window using two comparators. The extra comparator can be configured as a fifth SVS to monitor negative voltage with voltage reference output VREF.

The TPS386000-Q1 device has a very low quiescent current of 12 µA (typical) and is available in a small, 4-mm × 4-mm, VQFN-20 package.

The TPS386000-Q1 family of voltage supervisors can monitor four power rails that are greater than 0.4 V and one power rail less than 0.4 V (including negative voltage) with a 0.25% (typical) threshold accuracy. Each of the four supervisory circuits (SVS-n) assert a RESETn or RESETn output signal when the SENSEm input voltage drops below the programmed threshold. With external resistors, the threshold of each SVS-n can be programmed (where n = 1, 2, 3, 4 and m = 1, 2, 3, 4L, 4H).

Each SVS-n has a programmable delay before releasing RESETn or RESETn. The delay time can be set from 1.4 ms to 10 s through the CTn pin connection. Only SVS-1 has an active-low manual reset (MR) input; a logic-low input to MR asserts RESET1 or RESET1.

SVS-4 monitors the threshold window using two comparators. The extra comparator can be configured as a fifth SVS to monitor negative voltage with voltage reference output VREF.

The TPS386000-Q1 device has a very low quiescent current of 12 µA (typical) and is available in a small, 4-mm × 4-mm, VQFN-20 package.

Subscribe to Welllinkchips !
Your Name
* Email
Submit a request