0
LM1117
  • LM1117
  • LM1117
  • LM1117
  • LM1117
  • LM1117
  • LM1117
  • LM1117

LM1117

ACTIVE

800-mA 15-V linear voltage regulator

Texas Instruments LM1117 Product Info

1 April 2026 1

Parameters

Rating

Catalog

Vin (max) (V)

15

Vin (min) (V)

2.6

Iout (max) (A)

0.8

Output options

Adjustable Output, Fixed Output

Vout (max) (V)

13.8

Vout (min) (V)

1.25

Fixed output options (V)

1.8, 2.5, 3.3, 5, 13.8

Noise (µVrms)

38

PSRR at 100 KHz (dB)

47

Iq (typ) (mA)

5

Thermal resistance θJA (°C/W)

24, 39, 41, 45, 62

Load capacitance (min) (µF)

10

Regulated outputs (#)

1

Accuracy (%)

3

Dropout voltage (Vdo) (typ) (mV)

1200

Operating temperature range (°C)

-40 to 125

Package

SOT-223 (DCY)-4-45.5 mm² 6.5 x 7

Features

  • For a newer drop-in alternative, see the TLV1117
  • For drop-in replacements in fixed output SOT-223 package configuration and improved functionality, see the TLV761
  • Available in 1.8 V, 2.5 V, 3.3 V, 5 V, and adjustable versions
  • Space-saving SOT-223 and WSON packages
  • Current limiting and thermal protection
  • Output current: 800 mA
  • Line regulation: 0.2% (maximum)
  • Load regulation: 0.4% (maximum)
  • Temperature range:
    • LM1117: 0°C to +125°C
    • LM1117I: –40°C to +125°C
  • For a newer drop-in alternative, see the TLV1117
  • For drop-in replacements in fixed output SOT-223 package configuration and improved functionality, see the TLV761
  • Available in 1.8 V, 2.5 V, 3.3 V, 5 V, and adjustable versions
  • Space-saving SOT-223 and WSON packages
  • Current limiting and thermal protection
  • Output current: 800 mA
  • Line regulation: 0.2% (maximum)
  • Load regulation: 0.4% (maximum)
  • Temperature range:
    • LM1117: 0°C to +125°C
    • LM1117I: –40°C to +125°C

Description

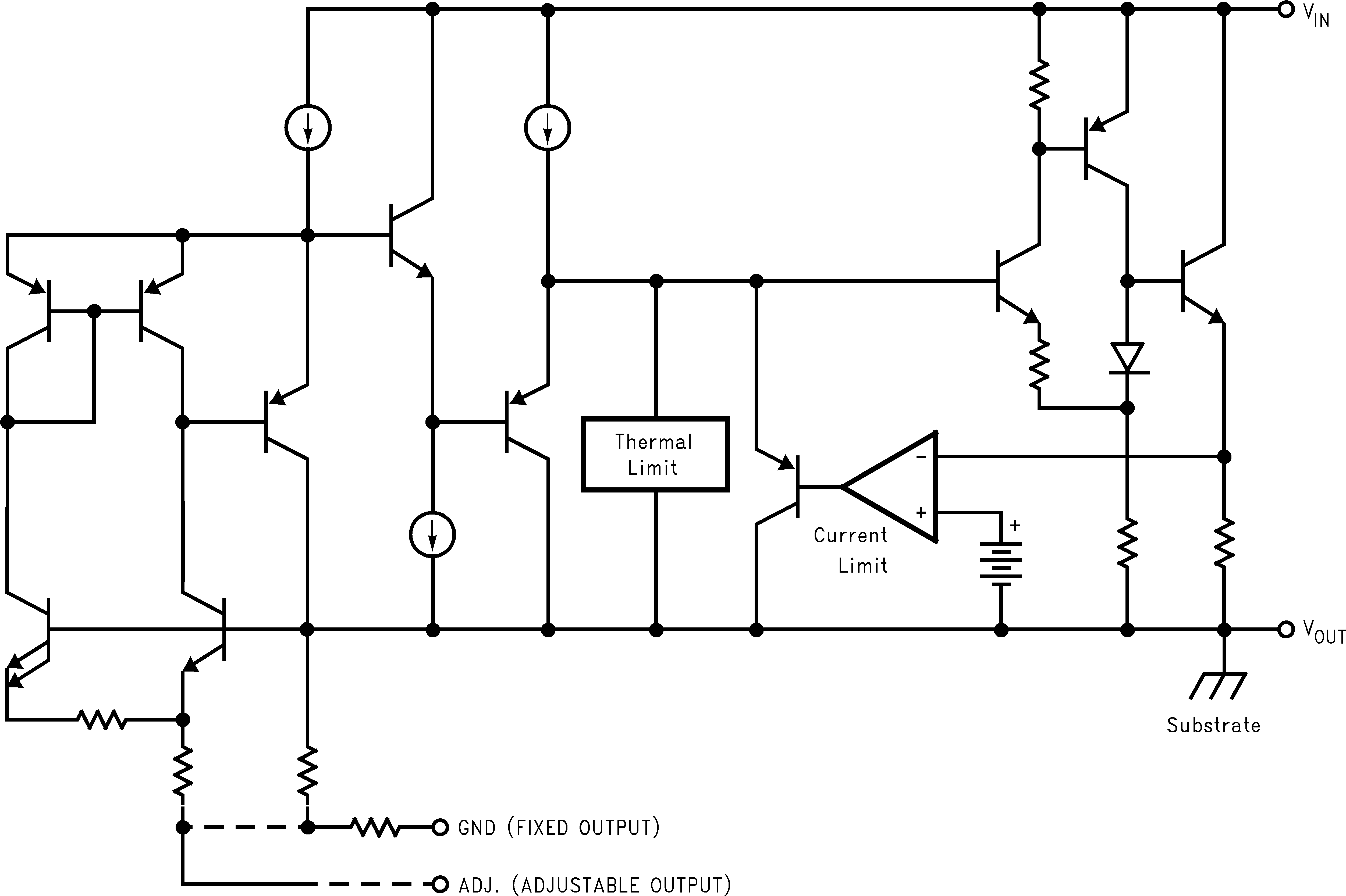
The LM1117 is a low dropout voltage regulator with a dropout of 1.2 V at 800 mA of load current.

The LM1117 is available in an adjustable version, which can set the output voltage from 1.25 V to 13.8 V with only two external resistors. In addition, the device is available in five fixed voltages, 1.8 V, 2.5 V, 3.3 V, and 5 V.

The LM1117 offers current limiting and thermal shutdown. The circuit includes a Zener trimmed band-gap reference to assure output voltage accuracy to within ±1%.

A minimum of 10-µF tantalum capacitor is required at the output to improve the transient response and stability.

The LM1117 is a low dropout voltage regulator with a dropout of 1.2 V at 800 mA of load current.

The LM1117 is available in an adjustable version, which can set the output voltage from 1.25 V to 13.8 V with only two external resistors. In addition, the device is available in five fixed voltages, 1.8 V, 2.5 V, 3.3 V, and 5 V.

The LM1117 offers current limiting and thermal shutdown. The circuit includes a Zener trimmed band-gap reference to assure output voltage accuracy to within ±1%.

A minimum of 10-µF tantalum capacitor is required at the output to improve the transient response and stability.

Subscribe to Welllinkchips !
Your Name
* Email
Submit a request