0
TPS25840-Q1
  • TPS25840-Q1
  • TPS25840-Q1
  • TPS25840-Q1

TPS25840-Q1

ACTIVE

USB-A SDP/CDP charge port converter with STB protection and cable compensation

Texas Instruments TPS25840-Q1 Product Info

1 April 2026 0

Parameters

Product type

Charge port converter

Rating

Automotive

Continuous current (max) (A)

3.5

Current limit (A)

0.1 to 3.5

Number of switches

1

Enable

Active High

Vin (max) (V)

36

Vin (min) (V)

4.5

Operating temperature range (°C)

-40 to 125

TI functional safety category

Functional Safety-Capable

Current limit accuracy at 1 A

adjustable

Package

VQFN (RHB)-32-25 mm² 5 x 5

Features

  • AEC-Q100 qualified for automotive applications:
    • Temperature grade 1: –40°C to +125°C, TA
    • HBM ESD Classification level H2
    • CDM ESD Classification level C5
  • Functional Safety-Capable
  • Synchronous Buck DC/DC regulator
    • Input voltage range: 4.5 V to 36 V
    • Output current: 3.5 A
    • 5.1-V output voltage with ±1% accuracy
    • Current mode control
    • Adjustable frequency: 300 kHz to 2.2 MHz
    • Frequency synchronization to external clock
    • FPWM with spread-spectrum dithering
    • Internal compensation for ease of use
  • Compliant to USB-IF standards
    • CDP/SDP mode per USB BC1.2
  • Optimized for USB power and communication
    • User-programmable USB current limit
    • Cable droop compensation up to 1.5 V
    • High bandwidth data switches on DP and DM
    • Client mode for system update
  • Integrated protection
    • VBUS Short-to-VBAT protection
    • DP_IN and DM_IN Short-to-VBAT (TPS25840-Q1 only)
    • DP_IN and DM_IN Short-to-VBUS
    • DP_IN, DM_IN IEC 61000-4-2 rated
      • ±8-kV contact and ±15-kV air discharge
  • Fault flag reports
  • 32-pin QFN package with wettable flank
  • AEC-Q100 qualified for automotive applications:
    • Temperature grade 1: –40°C to +125°C, TA
    • HBM ESD Classification level H2
    • CDM ESD Classification level C5
  • Functional Safety-Capable
  • Synchronous Buck DC/DC regulator
    • Input voltage range: 4.5 V to 36 V
    • Output current: 3.5 A
    • 5.1-V output voltage with ±1% accuracy
    • Current mode control
    • Adjustable frequency: 300 kHz to 2.2 MHz
    • Frequency synchronization to external clock
    • FPWM with spread-spectrum dithering
    • Internal compensation for ease of use
  • Compliant to USB-IF standards
    • CDP/SDP mode per USB BC1.2
  • Optimized for USB power and communication
    • User-programmable USB current limit
    • Cable droop compensation up to 1.5 V
    • High bandwidth data switches on DP and DM
    • Client mode for system update
  • Integrated protection
    • VBUS Short-to-VBAT protection
    • DP_IN and DM_IN Short-to-VBAT (TPS25840-Q1 only)
    • DP_IN and DM_IN Short-to-VBUS
    • DP_IN, DM_IN IEC 61000-4-2 rated
      • ±8-kV contact and ±15-kV air discharge
  • Fault flag reports
  • 32-pin QFN package with wettable flank

Description

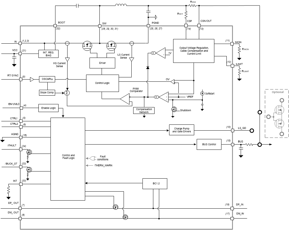
The TPS2584x-Q1 is a USB Type-A BC1.2 charging solution that includes a synchronous DC/DC converter. With cable droop compensation, the Vbus voltage remains constant regardless of load current, ensuring connected portable devices charge at optimal current and voltage even under heavy loads.

The TPS2584x-Q1 includes high bandwidth analog switches for DP and DM pass-through.

The TPS25840-Q1 also integrates short-to-battery protection on VBUS, DM_IN and DP_IN pins. These pins can withstand voltage up to 18 V. TPS25842-Q1 does not support data line (Dx) short-to-VBAT protection.

The synchronous buck regulator operates with current mode control and is internally compensated to simplify design. A resistor on the RT pin sets the switching frequency between 300 kHz and 2.2 MHz. Operating below 400 kHz results in better system efficiency. Operation above 2.1 MHz avoids the AM radio bands and allows for use of a smaller inductor.

The TPS2584x-Q1 integrates electrical signatures necessary for legacy devices which use USB data lines to determine charging configuration.

A precision current sense amplifier is included for user programmable cable droop compensation and current limit tuning. Cable compensation aids portable devices in charging at optimum current and voltage under heavy loads by changing the buck regulator output voltage linearly with load current to counteract the voltage drop due to wire resistance in automotive cabling. The VBUS voltage measured at a connected portable device remains approximately constant, regardless of load current, allowing the portable device’s battery charger to work optimally.

The USB specifications require current limiting of USB charging ports, but give system designers reasonable flexibility to choose overcurrent protection levels based on system requirements. The TPS2584x-Q1 uses a novel two-threshold current limit circuit allowing system designers to either program average current limit protection of the buck regulator, or optionally, current limit using an external NMOS between the CSN/OUT and BUS pins. The NFET implementation enables the TPS2584x-Q1 buck regulator to supply a 5-V output for other loads during an overcurrent condition on the USB port.

Protection features include cycle-by-cycle current limit, hiccup short-circuit protection, undervoltage lockout, VBUS overvoltage and overcurrent, data line (Dx) short to VBUS, and die overtemperature protection.

The TPS25840-Q1 includes high bandwidth analog switches for DP and DM pass-through, and support data line (Dx) short to VBAT protection. TPS25842-Q1 don’t support data line (Dx) short to VBAT protection.

The TPS2584x-Q1 is a USB Type-A BC1.2 charging solution that includes a synchronous DC/DC converter. With cable droop compensation, the Vbus voltage remains constant regardless of load current, ensuring connected portable devices charge at optimal current and voltage even under heavy loads.

The TPS2584x-Q1 includes high bandwidth analog switches for DP and DM pass-through.

The TPS25840-Q1 also integrates short-to-battery protection on VBUS, DM_IN and DP_IN pins. These pins can withstand voltage up to 18 V. TPS25842-Q1 does not support data line (Dx) short-to-VBAT protection.

The synchronous buck regulator operates with current mode control and is internally compensated to simplify design. A resistor on the RT pin sets the switching frequency between 300 kHz and 2.2 MHz. Operating below 400 kHz results in better system efficiency. Operation above 2.1 MHz avoids the AM radio bands and allows for use of a smaller inductor.

The TPS2584x-Q1 integrates electrical signatures necessary for legacy devices which use USB data lines to determine charging configuration.

A precision current sense amplifier is included for user programmable cable droop compensation and current limit tuning. Cable compensation aids portable devices in charging at optimum current and voltage under heavy loads by changing the buck regulator output voltage linearly with load current to counteract the voltage drop due to wire resistance in automotive cabling. The VBUS voltage measured at a connected portable device remains approximately constant, regardless of load current, allowing the portable device’s battery charger to work optimally.

The USB specifications require current limiting of USB charging ports, but give system designers reasonable flexibility to choose overcurrent protection levels based on system requirements. The TPS2584x-Q1 uses a novel two-threshold current limit circuit allowing system designers to either program average current limit protection of the buck regulator, or optionally, current limit using an external NMOS between the CSN/OUT and BUS pins. The NFET implementation enables the TPS2584x-Q1 buck regulator to supply a 5-V output for other loads during an overcurrent condition on the USB port.

Protection features include cycle-by-cycle current limit, hiccup short-circuit protection, undervoltage lockout, VBUS overvoltage and overcurrent, data line (Dx) short to VBUS, and die overtemperature protection.

The TPS25840-Q1 includes high bandwidth analog switches for DP and DM pass-through, and support data line (Dx) short to VBAT protection. TPS25842-Q1 don’t support data line (Dx) short to VBAT protection.

Subscribe to Welllinkchips !
Your Name
* Email
Submit a request