0
TPS23730
  • TPS23730
  • TPS23730

TPS23730

ACTIVE

IEEE 802.3bt type-3 class 1-6 PoE 2 PD with high efficiency DC-DC controller

Texas Instruments TPS23730 Product Info

1 April 2026 1

Parameters

PoE standards supported

802.3at Type 1 (802.3af), 802.3at Type 2, 802.3bt Type 3

PD power level

13W, 25W, 51W

DC/DC control

PD and DC/DC

Vin (max) (V)

60

Vin (min) (V)

10.2

PoE current limit (min) (mA)

1550

PoE inrush limit (mA) (typ) (A)

0.14

rDS(on) per FET (typ) (mΩ)

300

Features

Adapter priority, Advanced startup, Automatic MPS, Error amplifier, Inrush delay, Primary-side adapter priority, Primary-side regulation, Second Gate Drive, Spread-spectrum frequency dithering, Thermal shutdown

Fault response

Auto Retry

Operating temperature range (°C)

-40 to 125

Rating

Catalog

Package

VQFN (RMT)-45-35 mm² 7 x 5

Features

  • Complete IEEE 802.3bt Type 3 (Class 1-6) PoE PD Solution
    • EA Gen 2 logo-ready (PoE 2 PD Controller)
    • Robust 100-V, 0.3-Ω (typ) Hotswap MOSFET
    • Supports power levels for up to 60-W operation
    • Allocated power indicator outputs - parallel or serial encoding selectable
  • Integrated PWM controller for flyback or Active Clamp Forward configuration
    • Flyback control with primary-side regulation
      • Supports CCM operation
      • ±1.5% (typ, 5-V output) load regulation (0-100% load range) — with Sync FET
    • Also supports secondary-side regulation
    • Soft-start control with advanced startup and hiccup mode overload protection
    • Soft-stop shutdown
    • Adjustable frequency with synchronization
    • Programmable frequency dithering for EMI
  • Automatic Maintain Power Signature (MPS)
    • Auto-adjust to PSE type and load current with auto-stretch
  • Primary adapter priority input
  • –40°C to 125°C junction temperature range
  • Complete IEEE 802.3bt Type 3 (Class 1-6) PoE PD Solution
    • EA Gen 2 logo-ready (PoE 2 PD Controller)
    • Robust 100-V, 0.3-Ω (typ) Hotswap MOSFET
    • Supports power levels for up to 60-W operation
    • Allocated power indicator outputs - parallel or serial encoding selectable
  • Integrated PWM controller for flyback or Active Clamp Forward configuration
    • Flyback control with primary-side regulation
      • Supports CCM operation
      • ±1.5% (typ, 5-V output) load regulation (0-100% load range) — with Sync FET
    • Also supports secondary-side regulation
    • Soft-start control with advanced startup and hiccup mode overload protection
    • Soft-stop shutdown
    • Adjustable frequency with synchronization
    • Programmable frequency dithering for EMI
  • Automatic Maintain Power Signature (MPS)
    • Auto-adjust to PSE type and load current with auto-stretch
  • Primary adapter priority input
  • –40°C to 125°C junction temperature range

Description

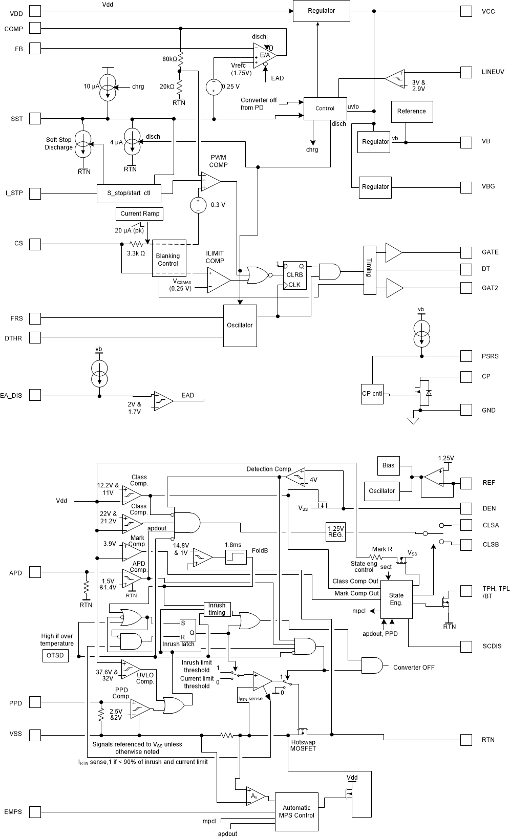
The TPS23730 device combines a Power over Ethernet (PoE) powered device (PD) interface, and a current-mode DC-DC controller optimized for flyback and active clamp forward (ACF) switching regulator designs . In the case of flyback configuration, the use of primary-side regulation (PSR) is supported. The PoE interface supports the IEEE 802.3bt standard for applications needing up to 51 W or less at PD input.

Programmable spread spectrum frequency dithering (SSFD) is provided to minimize the size and cost of EMI filter. Advanced Startup with adjustable soft-start helps to use minimal bias capacitor while simplifying converter startup and hiccup design, also ensuring that IEEE 802.3bt startup requirements are met.

The soft-stop feature minimizes stress on switching power FETs , allowing FET BOM cost reduction.

The PSR feature of the DC-DC controller uses feedback from an auxiliary winding for control of the output voltage, eliminating the need for external shunt regulator and optocoupler. It is optimized for continuous conduction mode (CCM), and can work with secondary side synchronous rectification, resulting in optimum efficiency, regulation accuracy and step load response over multiple outputs.

The DC-DC controller features slope compensation and blanking. Typical switching frequency is 250 kHz.

The automatic MPS enables applications with low power modes or multiple power feeds. It automatically adjusts its pulsed current amplitude and duration according to PSE Type and system conditions, to maintain power while minimizing consumption.

The TPS23730 device combines a Power over Ethernet (PoE) powered device (PD) interface, and a current-mode DC-DC controller optimized for flyback and active clamp forward (ACF) switching regulator designs . In the case of flyback configuration, the use of primary-side regulation (PSR) is supported. The PoE interface supports the IEEE 802.3bt standard for applications needing up to 51 W or less at PD input.

Programmable spread spectrum frequency dithering (SSFD) is provided to minimize the size and cost of EMI filter. Advanced Startup with adjustable soft-start helps to use minimal bias capacitor while simplifying converter startup and hiccup design, also ensuring that IEEE 802.3bt startup requirements are met.

The soft-stop feature minimizes stress on switching power FETs , allowing FET BOM cost reduction.

The PSR feature of the DC-DC controller uses feedback from an auxiliary winding for control of the output voltage, eliminating the need for external shunt regulator and optocoupler. It is optimized for continuous conduction mode (CCM), and can work with secondary side synchronous rectification, resulting in optimum efficiency, regulation accuracy and step load response over multiple outputs.

The DC-DC controller features slope compensation and blanking. Typical switching frequency is 250 kHz.

The automatic MPS enables applications with low power modes or multiple power feeds. It automatically adjusts its pulsed current amplitude and duration according to PSE Type and system conditions, to maintain power while minimizing consumption.

Subscribe to Welllinkchips !
Your Name
* Email
Submit a request