0
TPS2372
  • TPS2372
  • TPS2372

TPS2372

ACTIVE

IEEE 802.3bt PoE high-power PD interface with automatic MPS & autoclass

Texas Instruments TPS2372 Product Info

1 April 2026 0

Parameters

PoE standards supported

802.3bt Type 3, 802.3bt Type 4

PD power level

13W, 25W, 51W, 71W

DC/DC control

PD Only

Vin (max) (V)

57

Vin (min) (V)

8

PoE current limit (min) (mA)

1550, 1900

PoE inrush limit (mA) (typ) (A)

0.2, 0.335, 200, 335

rDS(on) per FET (typ) (mΩ)

100, 300

Features

Autoclass, Automatic MPS, Inrush delay, Non-standard POE++ compatible, PG, Thermal shutdown

Fault response

Auto Retry

Operating temperature range (°C)

-40 to 125

Rating

Catalog

Package

VQFN (RGW)-20-25 mm² 5 x 5

Features

  • IEEE 802.3bt (Draft) PD Solution for Type 3 or Type 4 PoE
  • Supports Power Levels for Type-4 ( TPS2372-4) 90-W and Type-3 ( TPS2372-3) 60-W Operation
  • Robust 100 V Hotswap MOSFET
    • TPS2372-4 (typ.): 0.1-Ω, 2.2-A Current Limit
    • TPS2372-3 (typ.): 0.3-Ω, 1.85-A Current Limit
  • Allocated Power Indicator Outputs
  • PG Output with Inrush Completion Delay
    • Compliant to PSE Inrush
  • Automatic Maintain Power Signature (MPS)
    • Auto-adjust MPS for Type 1-2 or 3-4 PSE
    • Supports Ultra-Low Power Standby Modes
  • Supports Autoclass Operation
  • Supports PoE++ PSE
  • -40°C to 125°C Junction Temperature Range
  • 20-lead VQFN Package
  • IEEE 802.3bt (Draft) PD Solution for Type 3 or Type 4 PoE
  • Supports Power Levels for Type-4 ( TPS2372-4) 90-W and Type-3 ( TPS2372-3) 60-W Operation
  • Robust 100 V Hotswap MOSFET
    • TPS2372-4 (typ.): 0.1-Ω, 2.2-A Current Limit
    • TPS2372-3 (typ.): 0.3-Ω, 1.85-A Current Limit
  • Allocated Power Indicator Outputs
  • PG Output with Inrush Completion Delay
    • Compliant to PSE Inrush
  • Automatic Maintain Power Signature (MPS)
    • Auto-adjust MPS for Type 1-2 or 3-4 PSE
    • Supports Ultra-Low Power Standby Modes
  • Supports Autoclass Operation
  • Supports PoE++ PSE
  • -40°C to 125°C Junction Temperature Range
  • 20-lead VQFN Package

Description

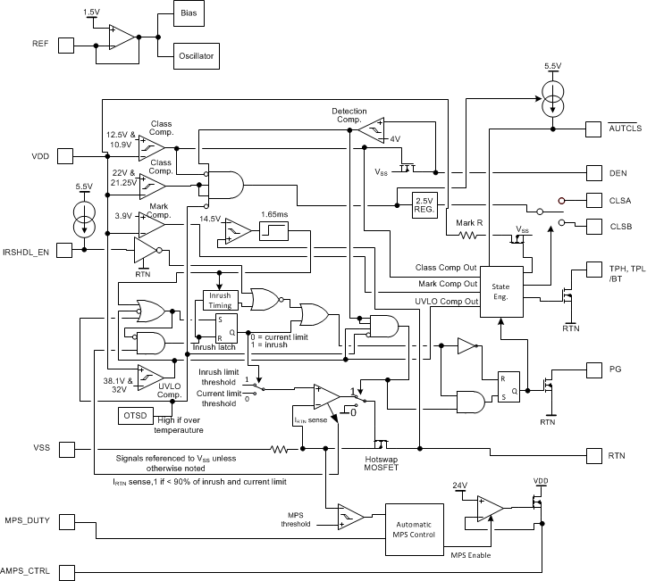
The TPS2372 contains all of the features needed to implement an IEEE802.3at or IEEE802.3bt (draft) (Type 1-4) powered device (PD). The low internal switch resistance allows the TPS2372-4 and TPS2372-3 to support high power applications up to 90 W and 60 W respectively. Assuming 100-meter CAT5 cable, this translates into 71.3 W and 51 W at PD input.

The TPS2372 operates with enhanced features.

The Automatic MPS function enables applications requiring very low power standby modes. The TPS2372 automatically generates the necessary pulsed current to maintain the PSE power. An external resistor is used to enable this functionality and to program the MPS pulsed current amplitude.

The TPS2372 also implements a delay function to allow the remote PSE to complete its inrush phase before releasing the Power Good (PG) output. This ensures that the IEEE802.3bt (draft) startup requirements are met.

The Autoclass enable input also allows advanced system power optimization modes compliant with IEEE802.3bt (draft) standard.

The TPS2372 contains all of the features needed to implement an IEEE802.3at or IEEE802.3bt (draft) (Type 1-4) powered device (PD). The low internal switch resistance allows the TPS2372-4 and TPS2372-3 to support high power applications up to 90 W and 60 W respectively. Assuming 100-meter CAT5 cable, this translates into 71.3 W and 51 W at PD input.

The TPS2372 operates with enhanced features.

The Automatic MPS function enables applications requiring very low power standby modes. The TPS2372 automatically generates the necessary pulsed current to maintain the PSE power. An external resistor is used to enable this functionality and to program the MPS pulsed current amplitude.

The TPS2372 also implements a delay function to allow the remote PSE to complete its inrush phase before releasing the Power Good (PG) output. This ensures that the IEEE802.3bt (draft) startup requirements are met.

The Autoclass enable input also allows advanced system power optimization modes compliant with IEEE802.3bt (draft) standard.

Subscribe to Welllinkchips !
Your Name
* Email
Submit a request