0
TPS22976
  • TPS22976
  • TPS22976

TPS22976

ACTIVE

2-ch, 5.7-V, 6-A, 14-mΩ, load switch with adj. rise time and optional output discharge

Texas Instruments TPS22976 Product Info

1 April 2026 0

Parameters

Imax (A)

6

Vin (max) (V)

5.7

Vin (min) (V)

0.6

Number of channels

2

Features

Inrush current control, Quick output discharge, Reverse current blocking, Thermal shutdown

Quiescent current (Iq) (typ) (µA)

37

Soft start

Adjustable Rise Time

Rating

Catalog

Ron (typ) (mΩ)

14

Shutdown current (ISD) (typ) (µA)

1.38

Current limit type

None

Function

Inrush current control, Thermal shutdown

FET

Internal

Operating temperature range (°C)

-40 to 105

Device type

Load switches

Package

WSON (DPU)-14-6 mm² 3 x 2

Features

  • Integrated dual-channel load switch
  • Input voltage range: 0.6 V to VBIAS
  • VBIAS voltage range: 2.5 V to 5.7 V
  • On-resistance
    • RON = 14 mΩ (typical) at VIN = 0.6 V to 5 V, VBIAS = 5 V
    • RON = 18 mΩ (typical) at VIN = 0.6 V to 2.5 V, VBIAS = 2.5 V
  • 6-A maximum continuous switch current per channel
  • Quiescent current for TPS22976, TPS22976N
    • 37 µA (typical, both channels) at VIN = VBIAS = 5 V
    • 35 µA (typical, single channel) at VIN = VBIAS = 5 V
  • Quiescent current for TPS22976A
    • 85 µA (typical, both channels) at VIN = VBIAS = 5 V
    • 83 µA (typical, single channel) at VIN = VBIAS = 5 V
  • Control input threshold enables use of 1.2-, 1.8-, 2.5-, and 3.3-V logic
  • Configurable rise time
  • Fast turn ON time (TPS22976A)
    • tON = 17µs at VIN = 1.05V
  • Thermal shutdown
  • Quick Output Discharge (QOD) (optional)
  • SON 14-pin package with thermal pad
  • ESD performance tested per JESD 22
    • 2-kV HBM and 1-kV CDM
  • Integrated dual-channel load switch
  • Input voltage range: 0.6 V to VBIAS
  • VBIAS voltage range: 2.5 V to 5.7 V
  • On-resistance
    • RON = 14 mΩ (typical) at VIN = 0.6 V to 5 V, VBIAS = 5 V
    • RON = 18 mΩ (typical) at VIN = 0.6 V to 2.5 V, VBIAS = 2.5 V
  • 6-A maximum continuous switch current per channel
  • Quiescent current for TPS22976, TPS22976N
    • 37 µA (typical, both channels) at VIN = VBIAS = 5 V
    • 35 µA (typical, single channel) at VIN = VBIAS = 5 V
  • Quiescent current for TPS22976A
    • 85 µA (typical, both channels) at VIN = VBIAS = 5 V
    • 83 µA (typical, single channel) at VIN = VBIAS = 5 V
  • Control input threshold enables use of 1.2-, 1.8-, 2.5-, and 3.3-V logic
  • Configurable rise time
  • Fast turn ON time (TPS22976A)
    • tON = 17µs at VIN = 1.05V
  • Thermal shutdown
  • Quick Output Discharge (QOD) (optional)
  • SON 14-pin package with thermal pad
  • ESD performance tested per JESD 22
    • 2-kV HBM and 1-kV CDM

Description

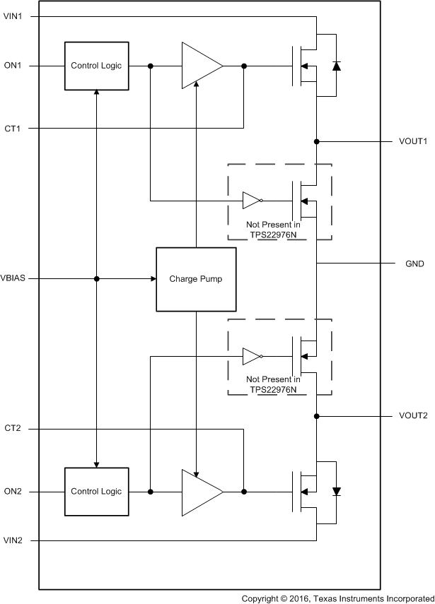
The TPS22976 product family consists of three devices: TPS22976, TPS22976A and TPS22976N. Each device is a dual-channel load switch with controlled turnon. The device contains two N-channel MOSFETs that can operate over an input voltage range of 0.6 V to 5.7 V, and can support a maximum continuous current of 6 A per channel. Each switch is independently controlled by an on and off input (ON1 and ON2), which can interface directly with low-voltage control signals. The TPS22976 is capable of thermal shutdown when the junction temperature is above the threshold, turning the switch off. The switch turns on again when the junction temperature stabilizes to a safe range. The TPS22976 also offers an optional integrated 230-Ω on-chip load resistor for quick output discharge when the switch is turned off.

The TPS22976 is available in a small, space-saving 3-mm × 2-mm 14-SON package (DPU) with integrated thermal pad allowing for high power dissipation. The device is characterized for operation over the free-air temperature range of –40°C to 105°C.

The TPS22976 product family consists of three devices: TPS22976, TPS22976A and TPS22976N. Each device is a dual-channel load switch with controlled turnon. The device contains two N-channel MOSFETs that can operate over an input voltage range of 0.6 V to 5.7 V, and can support a maximum continuous current of 6 A per channel. Each switch is independently controlled by an on and off input (ON1 and ON2), which can interface directly with low-voltage control signals. The TPS22976 is capable of thermal shutdown when the junction temperature is above the threshold, turning the switch off. The switch turns on again when the junction temperature stabilizes to a safe range. The TPS22976 also offers an optional integrated 230-Ω on-chip load resistor for quick output discharge when the switch is turned off.

The TPS22976 is available in a small, space-saving 3-mm × 2-mm 14-SON package (DPU) with integrated thermal pad allowing for high power dissipation. The device is characterized for operation over the free-air temperature range of –40°C to 105°C.

Subscribe to Welllinkchips !
Your Name
* Email
Submit a request