0
TPS22968
  • TPS22968
  • TPS22968

TPS22968

ACTIVE

2-ch, 5.5-V, 4-A, 25-mΩ load switch with adj. rise time and output discharge

Texas Instruments TPS22968 Product Info

1 April 2026 0

Parameters

Imax (A)

4

Vin (max) (V)

5.5

Vin (min) (V)

0.8

Number of channels

2

Features

Inrush current control, Quick output discharge, Reverse current protection

Quiescent current (Iq) (typ) (µA)

55

Soft start

Adjustable Rise Time

Rating

Catalog

Ron (typ) (mΩ)

25

Shutdown current (ISD) (typ) (µA)

0.5

Current limit type

None

Function

Inrush current control, Reverse current blocking

FET

Internal

Operating temperature range (°C)

-40 to 105

Device type

Load switches

Package

WSON (DPU)-14-6 mm² 3 x 2

Features

  • Integrated Dual Channel Load Switch
  • Input Voltage Range: 0.8 V to 5.5 V
  • VBIAS Voltage Range: 2.5 V to 5.5 V
    • Ideal for 1S Battery Configuration
  • Ultra-Low RON Resistance
    • RON = 27 mΩ at VIN = 5 V (VBIAS = 5 V)
    • RON = 25 mΩ at VIN = 3.3 V (VBIAS = 5 V)
    • RON = 25 mΩ at VIN = 1.8 V (VBIAS = 5 V)
  • 4-A Maximum Continuous Switch Current per Channel
  • Low Quiescent Current
    • 55 µA at VBIAS = 5 V (Both Channels)
    • 55 µA at VBIAS = 5 V (Single Channel)
  • Low Control Input Threshold Enables Use of
    1.2-,1.8-, 2.5-, 3.3-V Logic
  • Configurable Rise Time(1)
  • Quick Output Discharge (QOD)(2) (Optional)
  • SON 14-Pin Package with Thermal Pad
  • ESD Performance Tested per JEDEC Standard
    • 2-kV HBM and 1-kV CDM
  • Latch-Up Performance Exceeds 100 mA per JESD 78, Class II
  • GPIO Enable – Active High
  • TPS22968N: Product Preview Only (1) (2)

(1)See the Application Information section for CT value vs. rise time

(2)This feature discharges the output of the switch to GND through a 270-Ω resistor, preventing the output from floating.

  • Integrated Dual Channel Load Switch
  • Input Voltage Range: 0.8 V to 5.5 V
  • VBIAS Voltage Range: 2.5 V to 5.5 V
    • Ideal for 1S Battery Configuration
  • Ultra-Low RON Resistance
    • RON = 27 mΩ at VIN = 5 V (VBIAS = 5 V)
    • RON = 25 mΩ at VIN = 3.3 V (VBIAS = 5 V)
    • RON = 25 mΩ at VIN = 1.8 V (VBIAS = 5 V)
  • 4-A Maximum Continuous Switch Current per Channel
  • Low Quiescent Current
    • 55 µA at VBIAS = 5 V (Both Channels)
    • 55 µA at VBIAS = 5 V (Single Channel)
  • Low Control Input Threshold Enables Use of
    1.2-,1.8-, 2.5-, 3.3-V Logic
  • Configurable Rise Time(1)
  • Quick Output Discharge (QOD)(2) (Optional)
  • SON 14-Pin Package with Thermal Pad
  • ESD Performance Tested per JEDEC Standard
    • 2-kV HBM and 1-kV CDM
  • Latch-Up Performance Exceeds 100 mA per JESD 78, Class II
  • GPIO Enable – Active High
  • TPS22968N: Product Preview Only (1) (2)

(1)See the Application Information section for CT value vs. rise time

(2)This feature discharges the output of the switch to GND through a 270-Ω resistor, preventing the output from floating.

Description

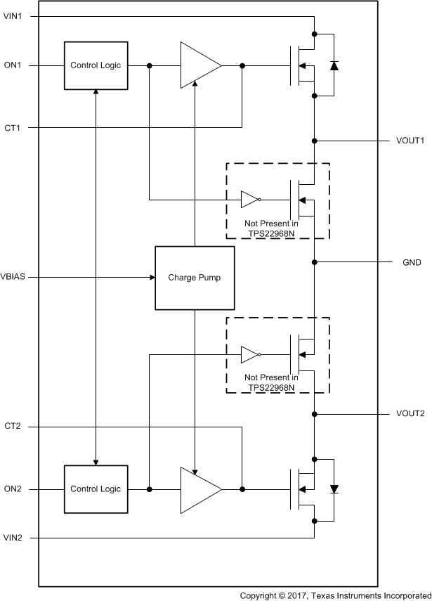
The TPS22968x is a small, ultra-low RON, dual-channel load switch with controlled turn on. The device contains two N-channel MOSFETs that can operate over an input voltage range of 0.8 to 5.5 V and can support a maximum continuous current of
4 A per channel. Each switch is independently controlled by an on and off input (ON1 and ON2), which is capable of interfacing directly with low-voltage control signals. In TPS22968, a 270-Ω on-chip load resistor is added for output quick discharge when switch is turned off.

The TPS22968x is available in a small, space-saving package (DPU) with integrated thermal pad allowing for high power dissipation. The device is characterized for operation over the free-air temperature range of –40 to +105°C.

The TPS22968x is a small, ultra-low RON, dual-channel load switch with controlled turn on. The device contains two N-channel MOSFETs that can operate over an input voltage range of 0.8 to 5.5 V and can support a maximum continuous current of
4 A per channel. Each switch is independently controlled by an on and off input (ON1 and ON2), which is capable of interfacing directly with low-voltage control signals. In TPS22968, a 270-Ω on-chip load resistor is added for output quick discharge when switch is turned off.

The TPS22968x is available in a small, space-saving package (DPU) with integrated thermal pad allowing for high power dissipation. The device is characterized for operation over the free-air temperature range of –40 to +105°C.

Subscribe to Welllinkchips !
Your Name
* Email
Submit a request