0
TPS2051B
  • TPS2051B
  • TPS2051B
  • TPS2051B
  • TPS2051B
  • TPS2051B
  • TPS2051B
  • TPS2051B
  • TPS2051B

TPS2051B

ACTIVE

0.5A loading, 2.7-5.5V, 70mΩ USB power switch, active-high

Texas Instruments TPS2051B Product Info

1 April 2026 0

Parameters

Product type

Fixed current limit, Power switch

Rating

Catalog

Continuous current (max) (A)

0.5

Current limit (A)

1

Number of switches

1

Enable

Active High

Vin (max) (V)

5.5

Vin (min) (V)

2.7

Operating temperature range (°C)

-40 to 125

Current limit accuracy at 1 A

0.25

Package

HVSSOP (DGN)-8-14.7 mm² 3 x 4.9

Features

  • 70mΩ High-Side MOSFET
  • 500mA Continuous Current
  • Thermal and Short-Circuit Protection
  • Accurate Current Limit (0.75A Minimum, 1.25A Maximum)
  • Operating Range: 2.7V to 5.5V
  • 0.6ms Typical Rise Time
  • Undervoltage Lockout
  • Deglitched Fault Report ( OC)
  • No OC Glitch During Power Up
  • Maximum Standby Supply Current: 1µA (Single, Dual) or 2µA (Triple, Quad)
  • Ambient Temperature Range: –40°C to 85°C
  • UL Recognized, File Number E169910
  • Additional UL Recognition for TPS2042B and TPS2052B for Ganged Configuration
  • 70mΩ High-Side MOSFET
  • 500mA Continuous Current
  • Thermal and Short-Circuit Protection
  • Accurate Current Limit (0.75A Minimum, 1.25A Maximum)
  • Operating Range: 2.7V to 5.5V
  • 0.6ms Typical Rise Time
  • Undervoltage Lockout
  • Deglitched Fault Report ( OC)
  • No OC Glitch During Power Up
  • Maximum Standby Supply Current: 1µA (Single, Dual) or 2µA (Triple, Quad)
  • Ambient Temperature Range: –40°C to 85°C
  • UL Recognized, File Number E169910
  • Additional UL Recognition for TPS2042B and TPS2052B for Ganged Configuration

Description

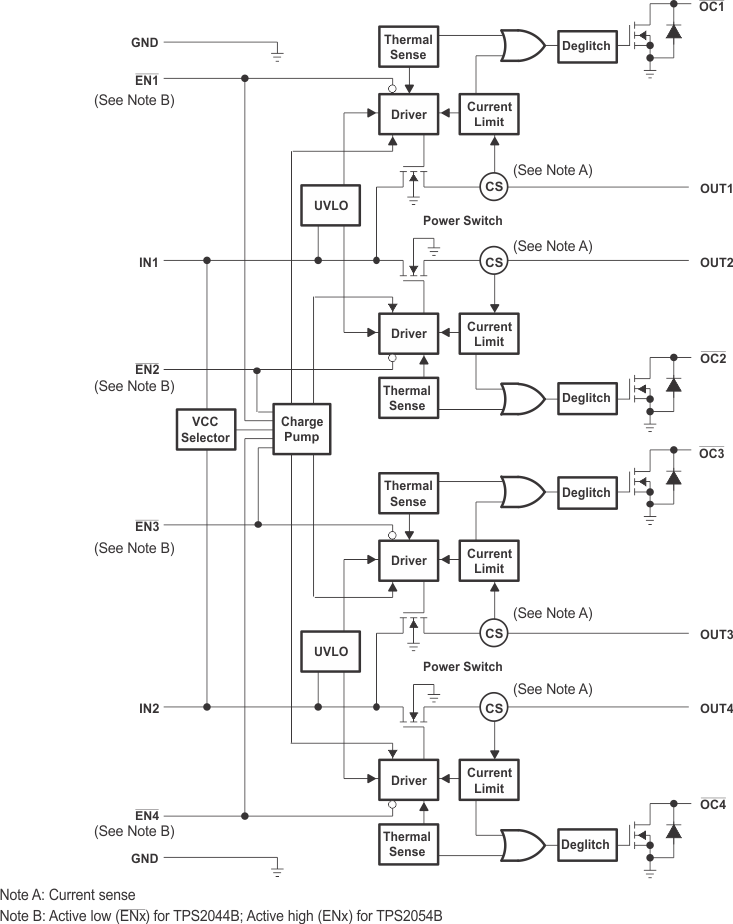
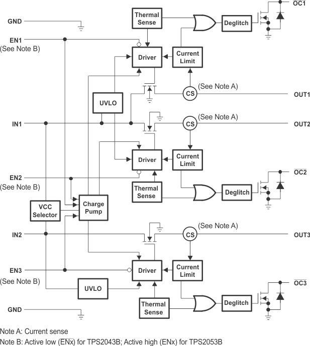
The TPS20xxB power-distribution switches are intended for applications where heavy capacitive loads and short circuits are likely to be encountered. These devices incorporates 70mΩ N-channel MOSFET power switches for power-distribution systems that require multiple power switches in a single package. Each switch is controlled by a logic enable input. Gate drive is provided by an internal charge pump designed to control the power-switch rise times and fall times to minimize current surges during switching. The charge pump requires no external components and allows operation from supplies as low as 2.7V.

When the output load exceeds the current-limit threshold or a short is present, the device limits the output current to a safe level by switching into a constant-current mode, pulling the overcurrent ( OCx) logic output low. When continuous heavy overloads and short circuits increase the power dissipation in the switch, causing the junction temperature to rise, a thermal protection circuit shuts off the switch to prevent damage. Recovery from a thermal shutdown is automatic once the device has cooled sufficiently. Internal circuitry ensures that the switch remains off until valid input voltage is present. This power-distribution switch is designed to set current limit at 1A (typical).

The TPS20xxB power-distribution switches are intended for applications where heavy capacitive loads and short circuits are likely to be encountered. These devices incorporates 70mΩ N-channel MOSFET power switches for power-distribution systems that require multiple power switches in a single package. Each switch is controlled by a logic enable input. Gate drive is provided by an internal charge pump designed to control the power-switch rise times and fall times to minimize current surges during switching. The charge pump requires no external components and allows operation from supplies as low as 2.7V.

When the output load exceeds the current-limit threshold or a short is present, the device limits the output current to a safe level by switching into a constant-current mode, pulling the overcurrent ( OCx) logic output low. When continuous heavy overloads and short circuits increase the power dissipation in the switch, causing the junction temperature to rise, a thermal protection circuit shuts off the switch to prevent damage. Recovery from a thermal shutdown is automatic once the device has cooled sufficiently. Internal circuitry ensures that the switch remains off until valid input voltage is present. This power-distribution switch is designed to set current limit at 1A (typical).

Subscribe to Welllinkchips !
Your Name
* Email
Submit a request