0
TPIC2030
  • TPIC2030
  • TPIC2030

TPIC2030

ACTIVE

Serial interface controlled 7-ch motor driver with 1-ch step-down regulator

Texas Instruments TPIC2030 Product Info

1 April 2026 0

Parameters

Applications

CD, DVD

Motor driver channels

7

Integrated supply

1 LDO predriver

Operating supply (V)

5

Driver supply voltage (V)

5

Operating temperature range (°C)

-20 to 75

Rating

Catalog

Package

TSSOP (DBT)-44-71.36 mm² 11.15 x 6.4

Features

  • Serial Peripheral Interface
    • Maximum Read/Write 35 MHz
    • 3.3-V Digital I/O
  • Actuator and Motor Driver
    • PWM Control With H-Bridge Output
    • Focus / Tracking / Tilt Actuator Driver With 12-
      Bit DAC Control
    • Sled Motor Drivers With Current Mode, 10-Bit
      DAC Control
    • Load Driver With 12-Bit DAC Control
    • End Position Sensing for Sled Without Position
      Sensor
  • Spindle Motor Driver
    • Integrated Spindle Current Sense Resistor
    • Sensor-Less: Rotor Position Sense by Motor
      BEMF
    • 12-Bit Spindle DAC
    • Quick Stop by Automatic Controlled Brake
      (Auto Short Brake)
    • LS Mode: Restricted to 25% of Normal Speed
  • On-Chip Thermometer (15°C to 165°C/1.2°C)
  • Software Controlled Switch for LED Driver With
    0.1-A OCP
  • Switch
    • CSW: Low RDS(ON) Current Switch With
      Selectable OCP Limit (Supposing Use <0.2 A)
    • LED: Software Control Current Output Port
      With 0.1-A OCP
  • DC-DC Converter
    • Pin Selectable Conversion Voltage 1.0 V/ 1.2 V/
      1.5 V/ 3.3 V (or Disable)
    • Improved Efficiency at Low Current With
      Discontinuous Regulation Mode
  • Protection
    • Individual Thermal Protect Circuit on
      LED/CSW, Switch, DCDC Converter, SPM,
      and Actuator
    • Overcurrent Protection
    • Undervoltage Lockout (UVLO) and
      Overvoltage Protection (OVP)
  • Serial Peripheral Interface
    • Maximum Read/Write 35 MHz
    • 3.3-V Digital I/O
  • Actuator and Motor Driver
    • PWM Control With H-Bridge Output
    • Focus / Tracking / Tilt Actuator Driver With 12-
      Bit DAC Control
    • Sled Motor Drivers With Current Mode, 10-Bit
      DAC Control
    • Load Driver With 12-Bit DAC Control
    • End Position Sensing for Sled Without Position
      Sensor
  • Spindle Motor Driver
    • Integrated Spindle Current Sense Resistor
    • Sensor-Less: Rotor Position Sense by Motor
      BEMF
    • 12-Bit Spindle DAC
    • Quick Stop by Automatic Controlled Brake
      (Auto Short Brake)
    • LS Mode: Restricted to 25% of Normal Speed
  • On-Chip Thermometer (15°C to 165°C/1.2°C)
  • Software Controlled Switch for LED Driver With
    0.1-A OCP
  • Switch
    • CSW: Low RDS(ON) Current Switch With
      Selectable OCP Limit (Supposing Use <0.2 A)
    • LED: Software Control Current Output Port
      With 0.1-A OCP
  • DC-DC Converter
    • Pin Selectable Conversion Voltage 1.0 V/ 1.2 V/
      1.5 V/ 3.3 V (or Disable)
    • Improved Efficiency at Low Current With
      Discontinuous Regulation Mode
  • Protection
    • Individual Thermal Protect Circuit on
      LED/CSW, Switch, DCDC Converter, SPM,
      and Actuator
    • Overcurrent Protection
    • Undervoltage Lockout (UVLO) and
      Overvoltage Protection (OVP)

Description

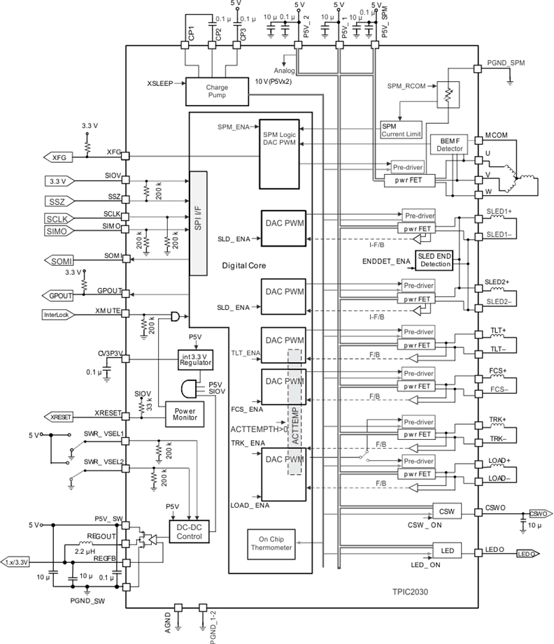
TPIC2030 is very-low noise type motor driver IC suitable for slim or ultra-slim DVD reader/writer. The integrated current sense resistance for the spindle motor reduces cost and board area in designs. The TPIC2030 is an integrated solution for driving the spindle motor, sled motor, load motor, and Focus / Tracking / Tilt actuators in an optical disk drive. It also integrates a synchronous DC-DC converter to supply 1.0 or 3.3 V. The discontinuous mode regulation feature on the DC-DC converter improves efficiency at low power consumption.

Sensorless control using BEMF allows for self-starting and low-noise operation of the spindle motor without requiring external sensors. In addition, the TPIC2030 has many built-in protection features including: spindle driver output current limiting, thermal shutdown, sled-end detection, and power-reset circuit. It also integrates a thermometer to measure IC temperature.

TPIC2030 is very-low noise type motor driver IC suitable for slim or ultra-slim DVD reader/writer. The integrated current sense resistance for the spindle motor reduces cost and board area in designs. The TPIC2030 is an integrated solution for driving the spindle motor, sled motor, load motor, and Focus / Tracking / Tilt actuators in an optical disk drive. It also integrates a synchronous DC-DC converter to supply 1.0 or 3.3 V. The discontinuous mode regulation feature on the DC-DC converter improves efficiency at low power consumption.

Sensorless control using BEMF allows for self-starting and low-noise operation of the spindle motor without requiring external sensors. In addition, the TPIC2030 has many built-in protection features including: spindle driver output current limiting, thermal shutdown, sled-end detection, and power-reset circuit. It also integrates a thermometer to measure IC temperature.

Subscribe to Welllinkchips !
Your Name
* Email
Submit a request