0
SN74LV594A
  • SN74LV594A
  • SN74LV594A
  • SN74LV594A
  • SN74LV594A
  • SN74LV594A
  • SN74LV594A
  • SN74LV594A

SN74LV594A

ACTIVE

Eight-bit shift registers with output registers

Texas Instruments SN74LV594A Product Info

1 April 2026 0

Parameters

Configuration

Serial-in, Parallel-out

Bits (#)

8

Technology family

LV-A

Supply voltage (min) (V)

2

Supply voltage (max) (V)

5.5

Input type

Standard CMOS

Output type

Push-Pull

Clock frequency (MHz)

85

IOL (max) (mA)

12

IOH (max) (mA)

-12

Supply current (max) (µA)

20

Features

Balanced outputs, Output register, Over-voltage tolerant inputs, Partial power down (Ioff), Very high speed (tpd 5-10ns)

Operating temperature range (°C)

-40 to 125

Rating

Catalog

Package

SOIC (D)-16-59.4 mm² 9.9 x 6

Features

  • VCC operation of 2 V to 5.5 V
  • Maximum tpd of 6.5 ns at 5 V
  • Typical VOLP (output ground bounce) <0.8 V at VCC = 3.3 V, TA = 25°C
  • Support mixed-mode voltage operation on all ports
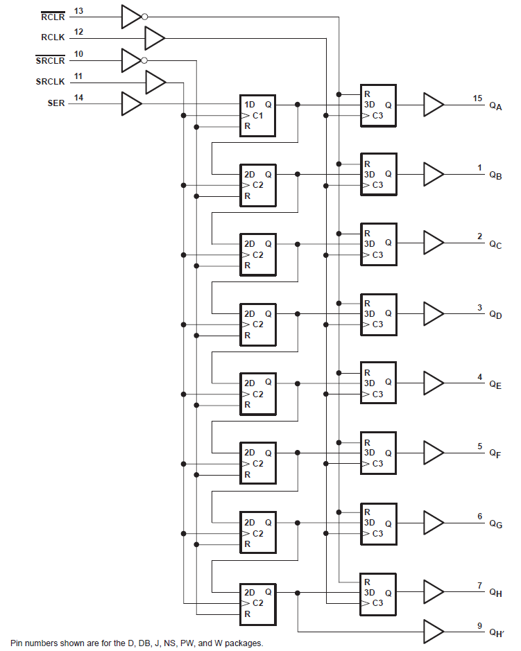
  • 8-bit serial-in, parallel-out shift registers with storage
  • Independent direct overriding clears on shift and storage registers
  • Independent clocks for shift and storage registers
  • Latch-up performance exceeds 100 mA per JESD 78, Class II
  • VCC operation of 2 V to 5.5 V
  • Maximum tpd of 6.5 ns at 5 V
  • Typical VOLP (output ground bounce) <0.8 V at VCC = 3.3 V, TA = 25°C
  • Support mixed-mode voltage operation on all ports
  • 8-bit serial-in, parallel-out shift registers with storage
  • Independent direct overriding clears on shift and storage registers
  • Independent clocks for shift and storage registers
  • Latch-up performance exceeds 100 mA per JESD 78, Class II

Description

The SN74LV594A devices are 8-bit shift registers designed for 2 V to 5.5 V VCC operation.

The SN74LV594A devices are 8-bit shift registers designed for 2 V to 5.5 V VCC operation.

Subscribe to Welllinkchips !
Your Name
* Email
Submit a request