0
TPD6S300A
  • TPD6S300A
  • TPD6S300A

TPD6S300A

ACTIVE

USB Type-C® port protector: short-to-VBUS overvoltage and 6ch ESD protection with improved OVP

Texas Instruments TPD6S300A Product Info

1 April 2026 0

Parameters

Interface type

USB Type-C

Features

CC dead battery resistors, Overvoltage protection, Short-to-VBUS

Number of switches

4

Rating

Catalog

IEC 61000-4-2 contact (±V)

8000

IEC 61000-4-2 air-gap (±V)

15000

Bi-/uni-directional

Unidirectional

Clamping voltage (V)

8

IO capacitance (typ) (pF)

1.5

Operating temperature range (°C)

-40 to 85

Package

WQFN (RUK)-20-9 mm² 3 x 3

Features

  • 4-Channels of Short-to-VBUS Overvoltage Protection (CC1, CC2, SBU1, SBU2 or
    CC1, CC2, DP, DM): 24-VDC Tolerant
  • 6-Channels of IEC 61000-4-2 ESD Protection (CC1, CC2, SBU1, SBU2, DP, DM)
  • CC1 and CC2 Overvoltage Protection FETs 600 mA Capable for Passing VCONN Power
  • CC Dead Battery Resistors Integrated for Handling Dead Battery Use Case in Mobile Devices
  • Advantages over TPD6S300
    • Improved Dead Battery Performance
    • USB Type-C Port Stays Connected during an IEC 61000-4-2 ESD Strike
  • 3-mm × 3-mm WQFN Package
  • 4-Channels of Short-to-VBUS Overvoltage Protection (CC1, CC2, SBU1, SBU2 or
    CC1, CC2, DP, DM): 24-VDC Tolerant
  • 6-Channels of IEC 61000-4-2 ESD Protection (CC1, CC2, SBU1, SBU2, DP, DM)
  • CC1 and CC2 Overvoltage Protection FETs 600 mA Capable for Passing VCONN Power
  • CC Dead Battery Resistors Integrated for Handling Dead Battery Use Case in Mobile Devices
  • Advantages over TPD6S300
    • Improved Dead Battery Performance
    • USB Type-C Port Stays Connected during an IEC 61000-4-2 ESD Strike
  • 3-mm × 3-mm WQFN Package

Description

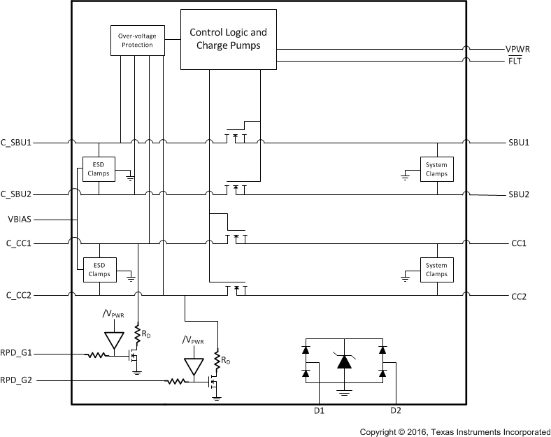
The TPD6S300A is a single-chip USB Type-C port protection device that provides 20-V Short-to-VBUS overvoltage and IEC ESD protection.

Since the release of the USB Type-C connector, many products and accessories for USB Type-C have been released that do not meet the USB Type-C specification. One example of this is USB Type-C Power Delivery adaptors that only place 20 V on the VBUS line. Another concern for USB Type-C is that mechanical twisting and sliding of the connector could short pins due to the close proximity they have in this small connector. This can cause 20-V VBUS to be shorted to the CC and SBU pins. Also due to the proximity of the pins in the Type-C connector, there is a heightened concern that debris and moisture will cause the 20-V VBUS pin to be shorted to the CC and SBU pins.

These non-ideal equipments and mechanical events make it necessary for the CC and SBU pins to be 20-V tolerant, even though the pins only operate at 5 V or lower. The TPD6S300A enables the CC and SBU pins to be 20-V tolerant without interfering with normal operation by providing overvoltage protection on the CC and SBU pins. The device places high voltage FETs in series on the SBU and CC lines. When a voltage above the OVP threshold is detected on these lines, the high voltage switches are opened up, isolating the rest of the system from the high voltage condition present on the connector.

Finally, most systems require IEC 61000-4-2 system level ESD protection for external pins. The TPD6S300A integrates IEC 61000-4-2 ESD protection for the CC1, CC2, SBU1, SBU2, DP, and DM pins, eliminating the need to place high voltage TVS diodes externally on the connector.

The TPD6S300A is a single-chip USB Type-C port protection device that provides 20-V Short-to-VBUS overvoltage and IEC ESD protection.

Since the release of the USB Type-C connector, many products and accessories for USB Type-C have been released that do not meet the USB Type-C specification. One example of this is USB Type-C Power Delivery adaptors that only place 20 V on the VBUS line. Another concern for USB Type-C is that mechanical twisting and sliding of the connector could short pins due to the close proximity they have in this small connector. This can cause 20-V VBUS to be shorted to the CC and SBU pins. Also due to the proximity of the pins in the Type-C connector, there is a heightened concern that debris and moisture will cause the 20-V VBUS pin to be shorted to the CC and SBU pins.

These non-ideal equipments and mechanical events make it necessary for the CC and SBU pins to be 20-V tolerant, even though the pins only operate at 5 V or lower. The TPD6S300A enables the CC and SBU pins to be 20-V tolerant without interfering with normal operation by providing overvoltage protection on the CC and SBU pins. The device places high voltage FETs in series on the SBU and CC lines. When a voltage above the OVP threshold is detected on these lines, the high voltage switches are opened up, isolating the rest of the system from the high voltage condition present on the connector.

Finally, most systems require IEC 61000-4-2 system level ESD protection for external pins. The TPD6S300A integrates IEC 61000-4-2 ESD protection for the CC1, CC2, SBU1, SBU2, DP, and DM pins, eliminating the need to place high voltage TVS diodes externally on the connector.

Subscribe to Welllinkchips !
Your Name
* Email
Submit a request