0
BQ24640
  • BQ24640
  • BQ24640

BQ24640

ACTIVE

Standalone 1-8 cell Buck battery charge controller for super capacitor

Texas Instruments BQ24640 Product Info

1 April 2026 1

Parameters

Rating

Catalog

Number of series cells

1, 2, 3, 4, 5, 6, 7, 8

Cell chemistry

SuperCap

Charge current (max) (A)

10

Features

BAT temp thermistor monitoring (hot/cold profile)

Vin (min) (V)

5

Vin (max) (V)

28

Absolute max Vin (max) (V)

33

Control topology

Switch-Mode Buck

Battery charge voltage (min) (V)

2.1

Battery charge voltage (max) (V)

26

Control interface

Standalone (RC-Settable)

Operating temperature range (°C)

-40 to 85

Package

VQFN (RVA)-16-12.25 mm² 3.5 x 3.5

Features

  • Charge Super Capacitor Pack From 2.1 V to 26 V
  • CC/CV Charge Profile From 0 V Without
    Precharge
  • 600-kHz NMOS-NMOS Synchronous Buck
    Controller
  • Over 90% Efficiency for up to 10-A Charge
    Current
  • 5-V to 28-V VCC Input Voltage Range
  • Accuracy
    • ±0.5% Charge Voltage Regulation
    • ±3% Charge Current Regulation
  • High Integration
    • Internal Loop Compensation
    • Internal Digital Soft Start
  • Safety
    • Input Overvoltage Protection
    • Capacitor Temperature Sensing Hot and Cold
      Charge Suspend
    • Thermal Shutdown
  • Status Outputs
    • Adapter Present
    • Charger Operation Status
  • Charge Enable Pin
  • 30-ns Driver Dead Time and 99.5% Maximum
    Effective Duty Cycle
  • Automatic Sleep Mode for Low Power
    Consumption
    • <15-µA Off-State Super Capacitor Discharge
      Current
    • <1.5-mA Off-State Input Quiescent Current
  • APPLICATIONS
    • Memory Backup Systems
    • Industrial UPS Systems and Power Transient Buffering
    • Bridge Power to Buffer the Battery

All other trademarks are the property of their respective owners

  • Charge Super Capacitor Pack From 2.1 V to 26 V
  • CC/CV Charge Profile From 0 V Without
    Precharge
  • 600-kHz NMOS-NMOS Synchronous Buck
    Controller
  • Over 90% Efficiency for up to 10-A Charge
    Current
  • 5-V to 28-V VCC Input Voltage Range
  • Accuracy
    • ±0.5% Charge Voltage Regulation
    • ±3% Charge Current Regulation
  • High Integration
    • Internal Loop Compensation
    • Internal Digital Soft Start
  • Safety
    • Input Overvoltage Protection
    • Capacitor Temperature Sensing Hot and Cold
      Charge Suspend
    • Thermal Shutdown
  • Status Outputs
    • Adapter Present
    • Charger Operation Status
  • Charge Enable Pin
  • 30-ns Driver Dead Time and 99.5% Maximum
    Effective Duty Cycle
  • Automatic Sleep Mode for Low Power
    Consumption
    • <15-µA Off-State Super Capacitor Discharge
      Current
    • <1.5-mA Off-State Input Quiescent Current
  • APPLICATIONS
    • Memory Backup Systems
    • Industrial UPS Systems and Power Transient Buffering
    • Bridge Power to Buffer the Battery

All other trademarks are the property of their respective owners

Description

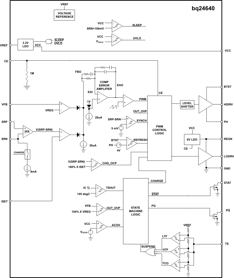
The bq24640 device is a highly integrated switched-mode super capacitor charge controller. The device offers a constant-frequency synchronous PWM controller with high accuracy charge current, voltage regulation, and charge status monitoring.

The bq24640 charges a super capacitor in two phases: constant current and constant voltage (CC/CV). The device can charge super capacitors from 0 V with current set on the ISET pin. When the super capacitor voltage reaches the programmed target voltage, charge current begins tapering down.

The bq24640 enters a low-current sleep mode
(<15 µA) when the input voltage falls below the output capacitor voltage.

The bq24640 has an input CE pin to enable and disable charge, and the STAT and PG output pins report charge and adapter status. The TS pin on the bq24640 monitors the temperature of the capacitor and suspends charge during hot and cold conditions.

The bq24640 device is a highly integrated switched-mode super capacitor charge controller. The device offers a constant-frequency synchronous PWM controller with high accuracy charge current, voltage regulation, and charge status monitoring.

The bq24640 charges a super capacitor in two phases: constant current and constant voltage (CC/CV). The device can charge super capacitors from 0 V with current set on the ISET pin. When the super capacitor voltage reaches the programmed target voltage, charge current begins tapering down.

The bq24640 enters a low-current sleep mode
(<15 µA) when the input voltage falls below the output capacitor voltage.

The bq24640 has an input CE pin to enable and disable charge, and the STAT and PG output pins report charge and adapter status. The TS pin on the bq24640 monitors the temperature of the capacitor and suspends charge during hot and cold conditions.

Subscribe to Welllinkchips !
Your Name
* Email
Submit a request