0
TPD3S713A-Q1
  • TPD3S713A-Q1
  • TPD3S713A-Q1
  • TPD3S713A-Q1

TPD3S713A-Q1

ACTIVE

Automotive USB 0.05-A to 0.6-A adjustable current limit and VBUS/D+/D- short-to-VBATT protection

Texas Instruments TPD3S713A-Q1 Product Info

1 April 2026 1

Parameters

Interface type

USB 2.0

Features

Current limit, Short-to-battery protection

Number of switches

1

Rating

Automotive

IEC 61000-4-2 contact (±V)

8000

IEC 61000-4-2 air-gap (±V)

15000

Bi-/uni-directional

Unidirectional

IO capacitance (typ) (pF)

10.9

Operating temperature range (°C)

-40 to 125

TI functional safety category

Functional Safety-Capable

Package

WQFN (RVC)-20-12 mm² 4 x 3

Features

  • AEC-Q100 qualified for automotive applications:
    • Device temperature grade 1: –40°C to +125°C ambient operating temperature range
    • Device HBM ESD classification level H2
    • Device CDM ESD classification level C5
  • Short-to-battery (up to 18 V) and short-to-ground protection on V BUS pin
  • Short-to-battery (up to 18 V) and short-to-V BUS protection on DM_IN, DP_IN pins
  • DP_IN, DM_IN and V BUS IEC 61000-4-2 rated
    • ±8-kV contact and ±15-kV air discharge
  • DP_IN, DM_IN and V BUS ISO 10605 (330 pF, 330 Ω) rated
    • ±8-kV contact and ±15-kV air discharge
  • High speed data switches (1230-MHz BW)
  • 4.5-V to 5.5-V input operating range
  • 50-mA to 600-mA adjustable current limit (±13.5% at 200 mA)
  • Integrated 73-mΩ (typical) high-side MOSFET
  • 500-mA maximum continuous output current
  • V BUS cable compensation
  • 20-pin QFN (3 mm × 4 mm) package
  • AEC-Q100 qualified for automotive applications:
    • Device temperature grade 1: –40°C to +125°C ambient operating temperature range
    • Device HBM ESD classification level H2
    • Device CDM ESD classification level C5
  • Short-to-battery (up to 18 V) and short-to-ground protection on V BUS pin
  • Short-to-battery (up to 18 V) and short-to-V BUS protection on DM_IN, DP_IN pins
  • DP_IN, DM_IN and V BUS IEC 61000-4-2 rated
    • ±8-kV contact and ±15-kV air discharge
  • DP_IN, DM_IN and V BUS ISO 10605 (330 pF, 330 Ω) rated
    • ±8-kV contact and ±15-kV air discharge
  • High speed data switches (1230-MHz BW)
  • 4.5-V to 5.5-V input operating range
  • 50-mA to 600-mA adjustable current limit (±13.5% at 200 mA)
  • Integrated 73-mΩ (typical) high-side MOSFET
  • 500-mA maximum continuous output current
  • V BUS cable compensation
  • 20-pin QFN (3 mm × 4 mm) package

Description

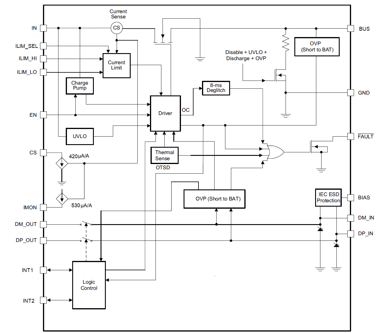
The TPD3S713x-Q1 is a single-chip solution for short-to-battery, short-circuit, and ESD protection for high-speed data and power lines in automotive USB hub, head unit, telematics, and media interface applications. The integrated data switches provide best-in-class bandwidth for minimal signal degradation during USB short-to-battery events. The high bandwidth of 1.2 GHz allows for a clean USB2.0 high-speed 480-Mbps eye diagram with the long captive cables that are common in the automotive USB environment.

The short-to-battery protection isolates the internal system circuits from any overvoltage conditions at the V BUS, DP_IN, and DM_IN pins. On these pins, the TPD3S713x-Q1 can handle overvoltages up to 18 V for hot plug and DC events and shut off the internal switches to the upstream transceiver from harmful voltage and current spikes.

The V BUS pin also provides an adjustable current limited load switch from 50 mA to 600 mA, which provides flexibility and also saves system power budget when the port requires only several tens of milliampere.

The TPD3S713x-Q1 device has a current-sense output that is able to control an upstream supply, which allows it to maintain 5 V at the remote USB port connected after a long USB cables.

The TPD3S713x-Q1 is a single-chip solution for short-to-battery, short-circuit, and ESD protection for high-speed data and power lines in automotive USB hub, head unit, telematics, and media interface applications. The integrated data switches provide best-in-class bandwidth for minimal signal degradation during USB short-to-battery events. The high bandwidth of 1.2 GHz allows for a clean USB2.0 high-speed 480-Mbps eye diagram with the long captive cables that are common in the automotive USB environment.

The short-to-battery protection isolates the internal system circuits from any overvoltage conditions at the V BUS, DP_IN, and DM_IN pins. On these pins, the TPD3S713x-Q1 can handle overvoltages up to 18 V for hot plug and DC events and shut off the internal switches to the upstream transceiver from harmful voltage and current spikes.

The V BUS pin also provides an adjustable current limited load switch from 50 mA to 600 mA, which provides flexibility and also saves system power budget when the port requires only several tens of milliampere.

The TPD3S713x-Q1 device has a current-sense output that is able to control an upstream supply, which allows it to maintain 5 V at the remote USB port connected after a long USB cables.

Subscribe to Welllinkchips !
Your Name
* Email
Submit a request