0
TPA3221
  • TPA3221
  • TPA3221
  • TPA3221
  • TPA3221

TPA3221

ACTIVE

100-W stereo, 200-W mono, 7- to 32-V supply, analog input Class-D audio amplifier w/ low idle

Texas Instruments TPA3221 Product Info

1 April 2026 1

Parameters

Audio input type

Analog Input

Architecture

Class-D

Speaker channels (max)

Stereo

Control interface

Hardware

Output power (W)

100

Power stage supply (max) (V)

30

Power stage supply (min) (V)

7

RDS(on) (Ω)

0.07

THD + N at 1 kHz (%)

0.02

Load (min) (Ω)

1

Analog supply voltage (min) (V)

5

Analog supply voltage (max) (V)

30

Rating

Catalog

Operating temperature range (°C)

-40 to 85

Package

HTSSOP (DDV)-44-113.4 mm² 14 x 8.1

Features

  • Wide 7V to 30V Supply Voltage Operation
  • Stereo (2 x BTL) and mono (1 x PBTL) operation
  • Output Power at 10% THD+N
    • 105W Stereo into 4Ω in BTL Configuration
    • 112W Stereo into 3Ω in BTL Configuration
    • 208W Mono into 2Ω in PBTL Configuration
  • Output Power at 1% THD+N
    • 88W Stereo into 4Ω in BTL Configuration
    • 100W Stereo into 3Ω in BTL Configuration
    • 170W Mono into 2Ω in PBTL Configuration
  • 5V Gate drive or built-in LDO for optional single-supply operation
  • Closed-loop feedback design
    • Signal Bandwidth up to 100kHz for High-Frequency Content From HD Sources
    • 0.02% THD+N at 1W into 4Ω
    • 60dB PSRR (BTL, No input signal)
    • <75µV output noise (A-weighted)
    • >108dB SNR (A-weighted)
    • AD or HEAD modulation schemes
  • Low-Power operating modes
    • Standby modes: mute and < 1mA shutdown
    • Low Idle-current HEAD modulation scheme
    • Single-channel BTL operation
  • Multiple input options to simplify pre-amp design
    • Differential or single-ended analog inputs
    • Selectable Gains: 18dB, 24dB, 30dB, 34dB
  • Integrated Protection: Undervoltage, Cycle-by-cycle Current Limit, Short Circuit, Clipping Detection, Overtemperature Warning and Shutdown, and DC Speaker Protection
  • 90% Efficient Class-D Operation (4Ω)
  • Thermal pad located on package bottom
  • Pin-compatible family of devices with voltage and power-level options
  • Wide 7V to 30V Supply Voltage Operation
  • Stereo (2 x BTL) and mono (1 x PBTL) operation
  • Output Power at 10% THD+N
    • 105W Stereo into 4Ω in BTL Configuration
    • 112W Stereo into 3Ω in BTL Configuration
    • 208W Mono into 2Ω in PBTL Configuration
  • Output Power at 1% THD+N
    • 88W Stereo into 4Ω in BTL Configuration
    • 100W Stereo into 3Ω in BTL Configuration
    • 170W Mono into 2Ω in PBTL Configuration
  • 5V Gate drive or built-in LDO for optional single-supply operation
  • Closed-loop feedback design
    • Signal Bandwidth up to 100kHz for High-Frequency Content From HD Sources
    • 0.02% THD+N at 1W into 4Ω
    • 60dB PSRR (BTL, No input signal)
    • <75µV output noise (A-weighted)
    • >108dB SNR (A-weighted)
    • AD or HEAD modulation schemes
  • Low-Power operating modes
    • Standby modes: mute and < 1mA shutdown
    • Low Idle-current HEAD modulation scheme
    • Single-channel BTL operation
  • Multiple input options to simplify pre-amp design
    • Differential or single-ended analog inputs
    • Selectable Gains: 18dB, 24dB, 30dB, 34dB
  • Integrated Protection: Undervoltage, Cycle-by-cycle Current Limit, Short Circuit, Clipping Detection, Overtemperature Warning and Shutdown, and DC Speaker Protection
  • 90% Efficient Class-D Operation (4Ω)
  • Thermal pad located on package bottom
  • Pin-compatible family of devices with voltage and power-level options

Description

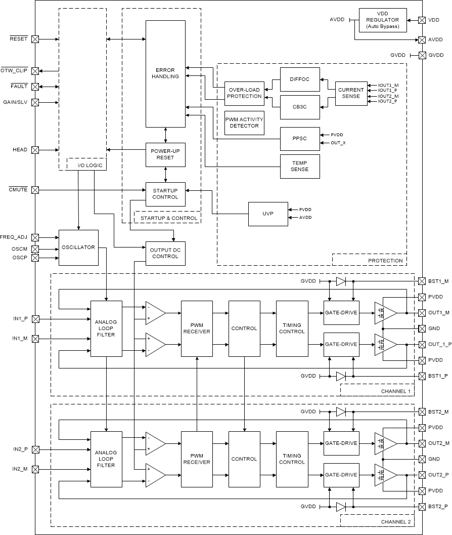
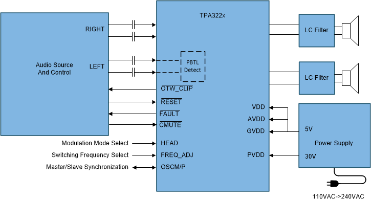
TPA3221 is a high-power Class-D amplifier that enables efficient operation at full-power, idle and standby. The device features closed-loop feedback with a bandwidth up to 100kHz, which provides low distortion across the audio band and delivers excellent sound quality. The device operates with either AD or low idle-current HEAD (High Efficient AD mode) modulation, and can drive up to 2 x 105W into 4Ω load or 1 x 208W into 2Ω load.

The TPA3221 features a single-ended or differential analog-input interface that supports up to 2VRMS with four selectable gains: 18dB, 24dB, 30dB and 34dB. The TPA3221 also achieves >90% efficiency, low idle power (<0.25W) and ultra-low standby power (<0.1W). This is made possible through the use of 70mΩ MOSFETs, an optimized gate drive scheme and low-power operating modes. TPA3221 includes a built-in LDO for easy integration in single-power-supply systems. To further simplify the design, the device integrates essential protection features including undervoltage, cycle-by-cycle current limit, short circuit, clipping detection, overtemperature warning and shutdown, as well as DC speaker protection.

TPA3221 is a high-power Class-D amplifier that enables efficient operation at full-power, idle and standby. The device features closed-loop feedback with a bandwidth up to 100kHz, which provides low distortion across the audio band and delivers excellent sound quality. The device operates with either AD or low idle-current HEAD (High Efficient AD mode) modulation, and can drive up to 2 x 105W into 4Ω load or 1 x 208W into 2Ω load.

The TPA3221 features a single-ended or differential analog-input interface that supports up to 2VRMS with four selectable gains: 18dB, 24dB, 30dB and 34dB. The TPA3221 also achieves >90% efficiency, low idle power (<0.25W) and ultra-low standby power (<0.1W). This is made possible through the use of 70mΩ MOSFETs, an optimized gate drive scheme and low-power operating modes. TPA3221 includes a built-in LDO for easy integration in single-power-supply systems. To further simplify the design, the device integrates essential protection features including undervoltage, cycle-by-cycle current limit, short circuit, clipping detection, overtemperature warning and shutdown, as well as DC speaker protection.

Subscribe to Welllinkchips !
Your Name
* Email
Submit a request