0
SN75DP130
  • SN75DP130
  • SN75DP130
  • SN75DP130

SN75DP130

ACTIVE

5.4-Gbps DP 1.2 limited redriver

Texas Instruments SN75DP130 Product Info

1 April 2026 1

Parameters

Type

Redriver

Protocols

DisplayPort

Rating

Catalog

Speed (max) (Gbpp)

5.4

Number of channels

1

Supply voltage (V)

3.3

Operating temperature range (°C)

0 to 85

Package

VQFN (RGZ)-48-49 mm² 7 x 7

Features

  • Supports DP v1.1a and DP v1.2 Signaling
    Including HBR2 Data Rates to 5.4 Gbps
  • Supports HDMI 1.4a With TMDS Clock
    Frequencies up to 340 MHz
  • Glueless Interface to AMD, Intel, and NVIDIA
    Graphics Processors
  • Auto-Configuration Through Link Training
  • Output Signal Conditioning With Tunable Voltage
    Swing and Pre-Emphasis Gain
  • Highly Configurable Input Variable Equalizer
  • Two Device Options Including a Dual Power
    Supply Configuration for Lowest Power
  • 2-kV ESD HBM Protection
  • Temperature Range: 0°C to 85°C
  • 48-Pin 7-mm × 7-mm VQFNPackage
  • Supports DP v1.1a and DP v1.2 Signaling
    Including HBR2 Data Rates to 5.4 Gbps
  • Supports HDMI 1.4a With TMDS Clock
    Frequencies up to 340 MHz
  • Glueless Interface to AMD, Intel, and NVIDIA
    Graphics Processors
  • Auto-Configuration Through Link Training
  • Output Signal Conditioning With Tunable Voltage
    Swing and Pre-Emphasis Gain
  • Highly Configurable Input Variable Equalizer
  • Two Device Options Including a Dual Power
    Supply Configuration for Lowest Power
  • 2-kV ESD HBM Protection
  • Temperature Range: 0°C to 85°C
  • 48-Pin 7-mm × 7-mm VQFNPackage

Description

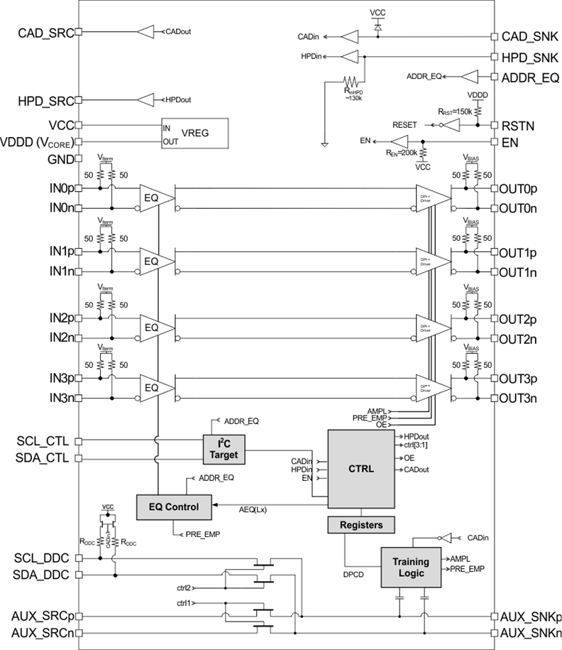
The SN75DP130 device is a single channel DisplayPort™ (DP) re-driver that regenerates the DP high-speed digital link. The device complies with the VESA DisplayPort Standard Version 1.2, and supports a 4-lane Main Link interface signaling up to HBR2 rates at 5.4 Gbps per lane. This device also supports DP++ Dual-Mode, offering TMDS signaling for DVI and full HDMI Version 1.4a support.

The device compensates for PCB-related frequency loss and switching-related loss to provide the optimum DP electrical performance from source to sink. The Main Link signal inputs feature configurable equalizers with selectable boost settings. At the Main Link output, four primary levels of differential output voltage swing (VOD) and four primary levels of pre-emphasis are available. A secondary level of boost adjustment, programmed through I2C, for fine-tuning the Main Link output. The device can monitor the AUX channel and automatically adjust the output signaling levels and input equalizers in response to Link Training commands. Additionally, the SN75DP130 output signal conditioning and EQ parameters are fully programmable through the I2C interface.

The SN75DP130 is optimized for mobile applications, and contains activity detection circuitry on the Main Link input that transitions to a low-power Output Disable mode in the absence of a valid input signal. Other low-power modes are supported, including a standby mode with typical dissipation of approximately 2 mW when no video sink (for example, monitor) is connected.

The device is characterized for an extended operational temperature range from 0°C to 85°C.

The SN75DP130 offers separate AUX and DDC source interfaces that connect to one AUX sink channel. This minimizes component count when implemented with a graphics processor (GPU) comprising separate DDC and AUX interfaces. For GPUs with combined DDC/AUX, the device can operate as a FET switch to short-circuit the AUX channel AC coupling caps while connected to a TMDS sink device. Other sideband circuits such as Hot Plug Detect (HPD) are optimized to reduce external components, providing a seamless connection to Intel, AMD, and NVIDIA graphics processors.

The SN75DP130 device is a single channel DisplayPort™ (DP) re-driver that regenerates the DP high-speed digital link. The device complies with the VESA DisplayPort Standard Version 1.2, and supports a 4-lane Main Link interface signaling up to HBR2 rates at 5.4 Gbps per lane. This device also supports DP++ Dual-Mode, offering TMDS signaling for DVI and full HDMI Version 1.4a support.

The device compensates for PCB-related frequency loss and switching-related loss to provide the optimum DP electrical performance from source to sink. The Main Link signal inputs feature configurable equalizers with selectable boost settings. At the Main Link output, four primary levels of differential output voltage swing (VOD) and four primary levels of pre-emphasis are available. A secondary level of boost adjustment, programmed through I2C, for fine-tuning the Main Link output. The device can monitor the AUX channel and automatically adjust the output signaling levels and input equalizers in response to Link Training commands. Additionally, the SN75DP130 output signal conditioning and EQ parameters are fully programmable through the I2C interface.

The SN75DP130 is optimized for mobile applications, and contains activity detection circuitry on the Main Link input that transitions to a low-power Output Disable mode in the absence of a valid input signal. Other low-power modes are supported, including a standby mode with typical dissipation of approximately 2 mW when no video sink (for example, monitor) is connected.

The device is characterized for an extended operational temperature range from 0°C to 85°C.

The SN75DP130 offers separate AUX and DDC source interfaces that connect to one AUX sink channel. This minimizes component count when implemented with a graphics processor (GPU) comprising separate DDC and AUX interfaces. For GPUs with combined DDC/AUX, the device can operate as a FET switch to short-circuit the AUX channel AC coupling caps while connected to a TMDS sink device. Other sideband circuits such as Hot Plug Detect (HPD) are optimized to reduce external components, providing a seamless connection to Intel, AMD, and NVIDIA graphics processors.

Subscribe to Welllinkchips !
Your Name
* Email
Submit a request