0
TPA3110D2-Q1
  • TPA3110D2-Q1
  • TPA3110D2-Q1

TPA3110D2-Q1

ACTIVE

Automotive, 15-W, 2-ch, 8- to 26-V supply analog input Class-D audio amplifier w/ SpeakerGuard™

Texas Instruments TPA3110D2-Q1 Product Info

1 April 2026 0

Parameters

Output power (W)

10

Power stage supply (max) (V)

26

Power stage supply (min) (V)

8

Speaker channels (max)

Stereo

Audio input type

Analog Input

Control interface

Hardware

THD + N at 1 kHz (%)

0.1

Output noise voltage (µV)

65

Rating

Automotive

Operating temperature range (°C)

-40 to 125

Package

HTSSOP (PWP)-28-62.08 mm² 9.7 x 6.4

Features

  • Qualified for Automotive Applications
  • AEC-Q100 Qualified With the Following Results:
    • Device Temperature Grade 1: –40°C to 125°C
      Ambient Operating Temperature Range
    • Device HBM ESD Classification Level H2
    • Device CDM ESD Classification Level C2
  • 15-W/ch Into 8-Ω Loads at 10% THD+N From a
    16-V Supply
  • 10-W/ch Into 8-Ω Loads at 10% THD+N From a
    13-V Supply
  • 30-W Into a 4-Ω Mono Load at 10% THD+N From a
    16-V Supply
  • 90% Efficient Class-D Operation Eliminates Need
    for Heat Sinks
  • Wide Supply Voltage Range Allows Operation
    from 8 V to 26 V
  • Filter-Free Operation
  • SpeakerGuard™ Protection Circuitry Includes
    Adjustable Power Limiter Plus DC Protection
  • Flow Through Pin Out Facilitates Easy Board
    Layout
  • Robust Pin-to-Pin Short-Circuit Protection and
    Thermal Protection with Auto Recovery Option
  • Excellent THD+N and Pop-Free Performance
  • Four Selectable Fixed Gain Settings
  • Differential Inputs
  • Qualified for Automotive Applications
  • AEC-Q100 Qualified With the Following Results:
    • Device Temperature Grade 1: –40°C to 125°C
      Ambient Operating Temperature Range
    • Device HBM ESD Classification Level H2
    • Device CDM ESD Classification Level C2
  • 15-W/ch Into 8-Ω Loads at 10% THD+N From a
    16-V Supply
  • 10-W/ch Into 8-Ω Loads at 10% THD+N From a
    13-V Supply
  • 30-W Into a 4-Ω Mono Load at 10% THD+N From a
    16-V Supply
  • 90% Efficient Class-D Operation Eliminates Need
    for Heat Sinks
  • Wide Supply Voltage Range Allows Operation
    from 8 V to 26 V
  • Filter-Free Operation
  • SpeakerGuard™ Protection Circuitry Includes
    Adjustable Power Limiter Plus DC Protection
  • Flow Through Pin Out Facilitates Easy Board
    Layout
  • Robust Pin-to-Pin Short-Circuit Protection and
    Thermal Protection with Auto Recovery Option
  • Excellent THD+N and Pop-Free Performance
  • Four Selectable Fixed Gain Settings
  • Differential Inputs

Description

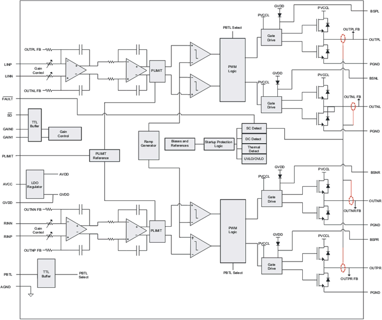
The TPA3110D2-Q1 is a 15-W (per channel) efficient, Class-D audio power amplifier for driving bridged-tied stereo speakers. Advanced EMI suppression technology enables the use of inexpensive ferrite bead filters at the outputs while meeting EMC requirements. SpeakerGuard protection circuitry includes an adjustable power limiter and a DC detection circuit. The adjustable power limiter allows the user to set a virtual voltage rail lower than the chip supply to limit the amount of current through the speaker. The DC detect circuit measures the frequency and amplitude of the PWM signal and shuts off the output stage if the input capacitors are damaged or shorts exist on the inputs.

The TPA3110D2-Q1 can drive stereo speakers as low as 4 Ω. The high efficiency of the device, 90%, eliminates the need for an external heat sink when playing music.

The outputs are also fully protected against shorts to GND, VCC, and output-to-output. The short-circuit protection and thermal protection includes an auto-recovery feature.

The TPA3110D2-Q1 is a 15-W (per channel) efficient, Class-D audio power amplifier for driving bridged-tied stereo speakers. Advanced EMI suppression technology enables the use of inexpensive ferrite bead filters at the outputs while meeting EMC requirements. SpeakerGuard protection circuitry includes an adjustable power limiter and a DC detection circuit. The adjustable power limiter allows the user to set a virtual voltage rail lower than the chip supply to limit the amount of current through the speaker. The DC detect circuit measures the frequency and amplitude of the PWM signal and shuts off the output stage if the input capacitors are damaged or shorts exist on the inputs.

The TPA3110D2-Q1 can drive stereo speakers as low as 4 Ω. The high efficiency of the device, 90%, eliminates the need for an external heat sink when playing music.

The outputs are also fully protected against shorts to GND, VCC, and output-to-output. The short-circuit protection and thermal protection includes an auto-recovery feature.

Subscribe to Welllinkchips !
Your Name
* Email
Submit a request