0
TLV171-Q1
  • TLV171-Q1
  • TLV171-Q1

TLV171-Q1

ACTIVE

Automotive-grade, single, 36-V, 3-MHz, low-power op amp for cost-sensitive applications

Texas Instruments TLV171-Q1 Product Info

1 April 2026 0

Parameters

Number of channels

1

Total supply voltage (+5 V = 5, ±5 V = 10) (max) (V)

36

Total supply voltage (+5 V = 5, ±5 V = 10) (min) (V)

4.5

Rail-to-rail

In to V-, Out

GBW (typ) (MHz)

3

Slew rate (typ) (V/µs)

1.5

Vos (offset voltage at 25°C) (max) (mV)

2.7

Iq per channel (typ) (mA)

0.525

Vn at 1 kHz (typ) (nV√Hz)

16

Rating

Automotive

Operating temperature range (°C)

-40 to 125

Offset drift (typ) (µV/°C)

1

Features

Cost Optimized, EMI Hardened, High Cload Drive

CMRR (typ) (dB)

120

Iout (typ) (A)

0.025

Architecture

CMOS

Input common mode headroom (to negative supply) (typ) (V)

-0.1

Input common mode headroom (to positive supply) (typ) (V)

-2

Output swing headroom (to negative supply) (typ) (V)

0.09

Output swing headroom (to positive supply) (typ) (V)

-0.16

Package

SOT-23 (DBV)-5-8.12 mm² 2.9 x 2.8

Features

  • Qualified for Automotive Applications
  • AEC-Q100 Test Guidance With the Following Results:
    • Device Temperature Grade 1:
      –40°C to +125°C Ambient Operating Temperature
    • Device HBM ESD Classification Level:
      • Level 3A for TLV171-Q1 and TLV2171-Q1
      • Level 2 for TLV4171-Q1
    • Device CDM ESD Classification Level
      • Level C4A for TLV171-Q1
      • Level C6 for TLV2171-Q1and TLV4171-Q1
  • Supply Range:
    • Single-Supply: 4.5 V to 36 V
    • Dual-Supply ±2.25 V to ±18 V
  • Low Noise: 16 nV/√Hz at 1 kHz
  • Low Offset Drift: ±1 µV/°C (Typical)
  • Input Range Includes Negative Supply
  • Input Range Operates to Positive Supply With Reduced Performance
  • Rail-to-Rail Output
  • Gain Bandwidth: 3 MHz
  • Low Quiescent Current: 525 µA per Amplifier
  • Common-Mode Rejection: 120 dB (Typical)
  • Low Input Bias Current: 10 pA
  • Qualified for Automotive Applications
  • AEC-Q100 Test Guidance With the Following Results:
    • Device Temperature Grade 1:
      –40°C to +125°C Ambient Operating Temperature
    • Device HBM ESD Classification Level:
      • Level 3A for TLV171-Q1 and TLV2171-Q1
      • Level 2 for TLV4171-Q1
    • Device CDM ESD Classification Level
      • Level C4A for TLV171-Q1
      • Level C6 for TLV2171-Q1and TLV4171-Q1
  • Supply Range:
    • Single-Supply: 4.5 V to 36 V
    • Dual-Supply ±2.25 V to ±18 V
  • Low Noise: 16 nV/√Hz at 1 kHz
  • Low Offset Drift: ±1 µV/°C (Typical)
  • Input Range Includes Negative Supply
  • Input Range Operates to Positive Supply With Reduced Performance
  • Rail-to-Rail Output
  • Gain Bandwidth: 3 MHz
  • Low Quiescent Current: 525 µA per Amplifier
  • Common-Mode Rejection: 120 dB (Typical)
  • Low Input Bias Current: 10 pA

Description

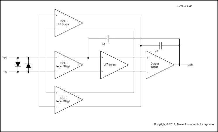
The TLVx171-Q1 family of devices is a 36-V,
single-supply, low-noise operational amplifier (op amp) with the ability to operate on supplies ranging from 4.5 V (± 2.25 V) to 36 V (±18 V). This series is available in multiple packages and offers low offset, drift, and low quiescent current. The single, dual, and quad versions all have identical specifications for maximum design flexibility.

Unlike most op amps, which are specified at only one supply voltage, the TLVx171-Q1 family of devices is specified from 4.5 V to 36 V. Input signals beyond the supply rails do not cause phase reversal.
The TLVx171-Q1 family of devices is stable with capacitive loads up to 300 pF. The input can operate 100 mV below the negative rail and within 2 V of the top rail during normal operation. The device can operate with full rail-to-rail input 100 mV beyond the top rail, but with reduced performance within 2 V of the top rail.

The TLVx171-Q1 op amp family is specified from –40°C to +125°C.

The TLVx171-Q1 family of devices is a 36-V,
single-supply, low-noise operational amplifier (op amp) with the ability to operate on supplies ranging from 4.5 V (± 2.25 V) to 36 V (±18 V). This series is available in multiple packages and offers low offset, drift, and low quiescent current. The single, dual, and quad versions all have identical specifications for maximum design flexibility.

Unlike most op amps, which are specified at only one supply voltage, the TLVx171-Q1 family of devices is specified from 4.5 V to 36 V. Input signals beyond the supply rails do not cause phase reversal.
The TLVx171-Q1 family of devices is stable with capacitive loads up to 300 pF. The input can operate 100 mV below the negative rail and within 2 V of the top rail during normal operation. The device can operate with full rail-to-rail input 100 mV beyond the top rail, but with reduced performance within 2 V of the top rail.

The TLVx171-Q1 op amp family is specified from –40°C to +125°C.

Subscribe to Welllinkchips !
Your Name
* Email
Submit a request