0
THVD2410V-EP
  • THVD2410V-EP
  • THVD2410V-EP
  • THVD2410V-EP
  • THVD2410V-EP

THVD2410V-EP

ACTIVE

Enhanced-product 3V to 5.5V 1Mbps half-duplex RS-485 transceiver with flexible IO and 70V bus fault

Texas Instruments THVD2410V-EP Product Info

1 April 2026 0

Parameters

Number of receivers

1

Number of transmitters

1

Duplex

Half

Supply voltage (nom) (V)

3.3, 5

Signaling rate (max) (Mbps)

1

IEC 61000-4-2 contact (±V)

15000

Fault protection (V)

-70 to 70

Common-mode range (V)

-12 to 12

Number of nodes

256

Features

1.65-V I/O supply, Fault protection, IEC ESD protection, PROFIBUS

Isolated

No

Supply current (max) (µA)

5600

Rating

HiRel Enhanced Product

Operating temperature range (°C)

-55 to 125

Package

VSON (DRC)-10-9 mm² 3 x 3

Features

  • Meets or exceeds the requirements of the TIA/EIA-485A and TIA/EIA-422B standards
  • Enhanced Product
    • Military temperature range (-55°C to 125°C)
    • One wafer fabrication site and one assembly and test site
    • Gold bond wire, NiPdAu lead finish
    • Wafer lot traceability
    • Extended product life cycle
  • 3V to 5.5V supply voltage
  • Differential output exceeds 2.1V for PROFIBUS compatibility with 5V supply
  • 1.65V to 5.5V Supply for data and enable signals
  • SLR Pin Selectable Data Rates:
    • THVD2410V-EP : 250kbps and 1Mbps
    • THVD2450V-EP, THVD2452V-EP: 20Mbps and 50Mbps
  • Bus I/O protection
    • ±70V DC bus fault
    • ±16kV HBM ESD
    • THVD2410V-EP, THVD2450V-EP
      • ±15kV IEC 61000-4-2 contact and air-gap discharge
    • THVD2452V-EP
      • ±8kV IEC 61000-4-2 contact and air-gap discharge
    • ±4kV IEC 61000-4-4 fast transient burst
  • Half-duplex and full-duplex devices available in two speed grades
  • Symmetric common mode voltage range: ±12V
  • Enhanced receiver hysteresis for noise immunity
  • Low power consumption
    • Low shutdown supply current: < 1µA
    • Current during operation: < 5.3mA
  • Glitch-free power-up/down for hot plug-in capability
  • Open, short, and idle bus failsafe
  • Thermal shutdown
  • 1/8 unit load (up to 256 bus nodes)
  • Small mm x 3mm VSON package (half-duplex) to save board space, or 14-D (full-duplex) for drop-in compatibility
  • Meets or exceeds the requirements of the TIA/EIA-485A and TIA/EIA-422B standards
  • Enhanced Product
    • Military temperature range (-55°C to 125°C)
    • One wafer fabrication site and one assembly and test site
    • Gold bond wire, NiPdAu lead finish
    • Wafer lot traceability
    • Extended product life cycle
  • 3V to 5.5V supply voltage
  • Differential output exceeds 2.1V for PROFIBUS compatibility with 5V supply
  • 1.65V to 5.5V Supply for data and enable signals
  • SLR Pin Selectable Data Rates:
    • THVD2410V-EP : 250kbps and 1Mbps
    • THVD2450V-EP, THVD2452V-EP: 20Mbps and 50Mbps
  • Bus I/O protection
    • ±70V DC bus fault
    • ±16kV HBM ESD
    • THVD2410V-EP, THVD2450V-EP
      • ±15kV IEC 61000-4-2 contact and air-gap discharge
    • THVD2452V-EP
      • ±8kV IEC 61000-4-2 contact and air-gap discharge
    • ±4kV IEC 61000-4-4 fast transient burst
  • Half-duplex and full-duplex devices available in two speed grades
  • Symmetric common mode voltage range: ±12V
  • Enhanced receiver hysteresis for noise immunity
  • Low power consumption
    • Low shutdown supply current: < 1µA
    • Current during operation: < 5.3mA
  • Glitch-free power-up/down for hot plug-in capability
  • Open, short, and idle bus failsafe
  • Thermal shutdown
  • 1/8 unit load (up to 256 bus nodes)
  • Small mm x 3mm VSON package (half-duplex) to save board space, or 14-D (full-duplex) for drop-in compatibility

Description

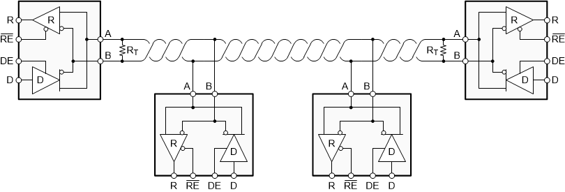
THVD24xxV-EP are ±70V fault-protected, half and full-duplex RS-422/RS-485 transceivers using a 1.65V to 5.5V logic supply for data and enable logic signals, and a 3V to 5.5V bus side supply. These devices have slew rate select feature that enables them to be used at two maximum speeds based on the SLR pin setting

These devices feature integrated IEC ESD protection, eliminating the need for external system-level protection components. The ±12V input common-mode range makes reliable data communication over longer cable run lengths and/or in the presence of large ground loop voltages. Enhanced 250mV receiver hysteresis provides high noise rejection. In addition, the receiver fail-safe feature makes sure of a logic high when the inputs are open or shorted together.

THVD24xxV-EP half-duplex devices are available in small VSON package for space-constrained applications. The devices are available in standard 14-SOIC package.

THVD24xxV-EP are ±70V fault-protected, half and full-duplex RS-422/RS-485 transceivers using a 1.65V to 5.5V logic supply for data and enable logic signals, and a 3V to 5.5V bus side supply. These devices have slew rate select feature that enables them to be used at two maximum speeds based on the SLR pin setting

These devices feature integrated IEC ESD protection, eliminating the need for external system-level protection components. The ±12V input common-mode range makes reliable data communication over longer cable run lengths and/or in the presence of large ground loop voltages. Enhanced 250mV receiver hysteresis provides high noise rejection. In addition, the receiver fail-safe feature makes sure of a logic high when the inputs are open or shorted together.

THVD24xxV-EP half-duplex devices are available in small VSON package for space-constrained applications. The devices are available in standard 14-SOIC package.

Subscribe to Welllinkchips !
Your Name
* Email
Submit a request