0
THS6212
  • THS6212
  • THS6212

THS6212

ACTIVE

High Speed, Differential Broadband PLC/HPLC Line Driver Amplifier

Texas Instruments THS6212 Product Info

1 April 2026 0

Parameters

Number of channels

1

Architecture

PLC Line Driver

Total supply voltage (+5 V = 5, ±5 V = 10) (min) (V)

10

Total supply voltage (+5 V = 5, ±5 V = 10) (max) (V)

28

BW at Acl (MHz)

285

Acl, min spec gain (V/V)

10

Vn at flatband (typ) (nV√Hz)

2.5

Vn at 1 kHz (typ) (nV√Hz)

9

Iq per channel (typ) (mA)

23

Vos (offset voltage at 25°C) (max) (mV)

12

Rail-to-rail

No

Features

Adjustable BW/IQ/IOUT, Shutdown

Rating

Catalog

Operating temperature range (°C)

-40 to 85

CMRR (typ) (dB)

65

Input bias current (max) (pA)

3500000

Offset drift (typ) (µV/°C)

155

GBW (typ) (MHz)

285

Iout (typ) (mA)

665

2nd harmonic (dBc)

86

3rd harmonic (dBc)

101

Frequency of harmonic distortion measurement (MHz)

1

Package

VQFN (RHF)-24-20 mm² 5 x 4

Features

  • Low power consumption:
    • Full-bias mode: 23mA
    • Mid-bias mode: 17.5mA
    • Low-bias mode: 11.9mA
    • Low-power shutdown mode
    • IADJ pin for variable bias
  • Low noise:
    • Voltage noise: 2.5nV/√Hz
    • Inverting current noise: 18pA/√Hz
    • Noninverting current noise: 1.4pA/√Hz
  • Low distortion:
    • –86dBc HD2 (1MHz, 100Ω differential load)
    • –101dBc HD3 (1MHz, 100Ω differential load)
  • High output current: > 665mA (25Ω load)
  • Wide output swing:
    • 49VPP (28V, 100Ω differential load)
  • Wide bandwidth: 205MHz (GDIFF = 10V/V)
  • PSRR: >55dB at 1MHz for good isolation
  • Wide power-supply range: 10V to 28V
  • Thermal protection: 175°C (typical)
  • Alternative device with integrated common-mode buffer: THS6222
  • Low power consumption:
    • Full-bias mode: 23mA
    • Mid-bias mode: 17.5mA
    • Low-bias mode: 11.9mA
    • Low-power shutdown mode
    • IADJ pin for variable bias
  • Low noise:
    • Voltage noise: 2.5nV/√Hz
    • Inverting current noise: 18pA/√Hz
    • Noninverting current noise: 1.4pA/√Hz
  • Low distortion:
    • –86dBc HD2 (1MHz, 100Ω differential load)
    • –101dBc HD3 (1MHz, 100Ω differential load)
  • High output current: > 665mA (25Ω load)
  • Wide output swing:
    • 49VPP (28V, 100Ω differential load)
  • Wide bandwidth: 205MHz (GDIFF = 10V/V)
  • PSRR: >55dB at 1MHz for good isolation
  • Wide power-supply range: 10V to 28V
  • Thermal protection: 175°C (typical)
  • Alternative device with integrated common-mode buffer: THS6222

Description

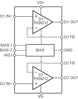
The THS6212 is a differential line-driver amplifier with a current-feedback architecture. The device is targeted for use in broadband, wideband power line communications (PLC) line driver applications and is fast enough to support transmissions of 14.5dBm line power up to 30MHz.

The unique architecture of the THS6212 uses minimal quiescent current and still achieves very high linearity. Differential distortion under full bias conditions is –86dBc at 1MHz and reduces to only –71dBc at 10MHz. Fixed multiple bias settings allow for enhanced power savings for line lengths where the full performance of the amplifier is not required. To allow for even more flexibility and power savings, an adjustable current pin (IADJ) is available to further lower the bias currents.

The wide output swing of 49VPP (100Ω differential load) with 28V power supplies, coupled with over a 650mA current drive (25Ω load), allows for wide dynamic headroom that keeps distortion minimal.

The THS6212 is available in a 24-pin VQFN package.

The THS6212 is a differential line-driver amplifier with a current-feedback architecture. The device is targeted for use in broadband, wideband power line communications (PLC) line driver applications and is fast enough to support transmissions of 14.5dBm line power up to 30MHz.

The unique architecture of the THS6212 uses minimal quiescent current and still achieves very high linearity. Differential distortion under full bias conditions is –86dBc at 1MHz and reduces to only –71dBc at 10MHz. Fixed multiple bias settings allow for enhanced power savings for line lengths where the full performance of the amplifier is not required. To allow for even more flexibility and power savings, an adjustable current pin (IADJ) is available to further lower the bias currents.

The wide output swing of 49VPP (100Ω differential load) with 28V power supplies, coupled with over a 650mA current drive (25Ω load), allows for wide dynamic headroom that keeps distortion minimal.

The THS6212 is available in a 24-pin VQFN package.

Subscribe to Welllinkchips !
Your Name
* Email
Submit a request