0
SN74AUP1G74
  • SN74AUP1G74
  • SN74AUP1G74
  • SN74AUP1G74
  • SN74AUP1G74
  • SN74AUP1G74
  • SN74AUP1G74
  • SN74AUP1G74

SN74AUP1G74

ACTIVE

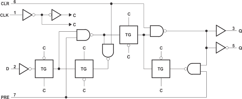
Low-Power Single Positive-Edge-Triggered D-Type Flip-Flop

Texas Instruments SN74AUP1G74 Product Info

1 April 2026 0

Parameters

Number of channels

1

Technology family

AUP

Supply voltage (min) (V)

0.8

Supply voltage (max) (V)

3.6

Input type

Standard CMOS

Output type

Push-Pull

Clock frequency (max) (MHz)

160

IOL (max) (mA)

4

IOH (max) (mA)

-4

Supply current (max) (µA)

0.9

Features

Balanced outputs, Over-voltage tolerant inputs, Partial power down (Ioff), Very high speed (tpd 5-10ns)

Operating temperature range (°C)

-40 to 85

Rating

Catalog

Package

DSBGA (YFP)-8-1.8 mm² 1 x 1.8

Features

  • Available in the Texas Instruments NanoStar Package
  • Low Static-Power Consumption: ICC = 0.9 μA Maximum
  • Low Dynamic-Power Consumption: Cpd = 5.5 pF Typical at 3.3 V
  • Low Input Capacitance: Ci = 1.5 pF Typical
  • Low Noise – Overshoot and Undershoot < 10% of VCC
  • Ioff Supports Partial-Power-Down Mode Operation
  • Schmitt-Trigger Action Allows Slow Input Transition and Better Switching Noise Immunity at the Input (Vhys = 250 mV Typical at 3.3 V)
  • Wide Operating VCC Range of 0.8 V to 3.6 V
  • Optimized for 3.3-V Operation
  • 3.6-V I/O Tolerant to Support Mixed-Mode Signal Operation
  • tpd = 5 ns Maximum at 3.3 V
  • Suitable for Point-to-Point Applications
  • Latch-Up Performance Exceeds 100 mA Per JESD 78, Class II
  • ESD Performance Tested Per JESD 22
    • 2000-V Human-Body Model (A114-B, Class II)
    • 1000-V Charged-Device Model (C101)
  • NanoStar Is a trademark of Texas Instruments. All other trademarks are the property of their respective owners

  • APPLICATIONS
    • Servers
    • LED Displays
    • Network Switches
    • Telecom Infrastructure
    • Motor Drivers
    • I/O Expanders
  • Available in the Texas Instruments NanoStar Package
  • Low Static-Power Consumption: ICC = 0.9 μA Maximum
  • Low Dynamic-Power Consumption: Cpd = 5.5 pF Typical at 3.3 V
  • Low Input Capacitance: Ci = 1.5 pF Typical
  • Low Noise – Overshoot and Undershoot < 10% of VCC
  • Ioff Supports Partial-Power-Down Mode Operation
  • Schmitt-Trigger Action Allows Slow Input Transition and Better Switching Noise Immunity at the Input (Vhys = 250 mV Typical at 3.3 V)
  • Wide Operating VCC Range of 0.8 V to 3.6 V
  • Optimized for 3.3-V Operation
  • 3.6-V I/O Tolerant to Support Mixed-Mode Signal Operation
  • tpd = 5 ns Maximum at 3.3 V
  • Suitable for Point-to-Point Applications
  • Latch-Up Performance Exceeds 100 mA Per JESD 78, Class II
  • ESD Performance Tested Per JESD 22
    • 2000-V Human-Body Model (A114-B, Class II)
    • 1000-V Charged-Device Model (C101)
  • NanoStar Is a trademark of Texas Instruments. All other trademarks are the property of their respective owners

  • APPLICATIONS
    • Servers
    • LED Displays
    • Network Switches
    • Telecom Infrastructure
    • Motor Drivers
    • I/O Expanders
  • Description

    The AUP family is TI's premier solution to the industry's low-power needs in battery-powered portable applications. This family ensures a very low static- and dynamic-power consumption across the entire VCC range of 0.8 V to 3.6 V, resulting in increased battery life. This product also maintains excellent signal integrity (see the very low undershoot and overshoot characteristics shown in ).

    The AUP family is TI's premier solution to the industry's low-power needs in battery-powered portable applications. This family ensures a very low static- and dynamic-power consumption across the entire VCC range of 0.8 V to 3.6 V, resulting in increased battery life. This product also maintains excellent signal integrity (see the very low undershoot and overshoot characteristics shown in ).

    Subscribe to Welllinkchips !
    Your Name
    * Email
    Submit a request