0
DS90C385A
  • DS90C385A
  • DS90C385A
  • DS90C385A

DS90C385A

ACTIVE

LVDS transmitter flat-panel display, 85-MHz

Texas Instruments DS90C385A Product Info

1 April 2026 1

Parameters

Protocols

Catalog

Rating

Catalog

Operating temperature range (°C)

-10 to 70

Package

TSSOP (DGG)-56-113.4 mm² 14 x 8.1

Features

  • Pin-to-Pin Compatible to DS90C383, DS90C383A and DS90C385
  • No Special Start-Up Sequence Required between Clock/Data and /PD Pins. Input Signals (Clock and Data) can be Applied Either Before or After the Device is Powered.
  • Support Spread Spectrum Clocking up to 100kHz Frequency Modulation and Deviations of ±2.5% Center Spread or -5% Down Spread
  • “Input Clock Detection" Feature Will Pull All LVDS Pairs to Logic Low When Input Clock is Missing and When /PD Pin is Logic High
  • 18 to 87.5 MHz Shift Clock Support
  • Tx Power Consumption < 147 mW (typ) at 87.5MHz Grayscale
  • Tx Power-Down Mode < 60 μW (typ)
  • Supports VGA, SVGA, XGA, SXGA(Dual Pixel), SXGA+(Dual Pixel), UXGA(Dual Pixel).
  • Narrow Bus Reduces Cable Size and Cost
  • Up to 2.45 Gbps Throughput
  • Up to 306.25Megabyte/sec Bandwidth
  • 345 mV (typ) Swing LVDS Devices for Low EMI
  • PLL Requires No External Components
  • Compliant to TIA/EIA-644 LVDS standard
  • Low Profile 56-lead TSSOP Package

All trademarks are the property of their respective owners.

  • Pin-to-Pin Compatible to DS90C383, DS90C383A and DS90C385
  • No Special Start-Up Sequence Required between Clock/Data and /PD Pins. Input Signals (Clock and Data) can be Applied Either Before or After the Device is Powered.
  • Support Spread Spectrum Clocking up to 100kHz Frequency Modulation and Deviations of ±2.5% Center Spread or -5% Down Spread
  • “Input Clock Detection" Feature Will Pull All LVDS Pairs to Logic Low When Input Clock is Missing and When /PD Pin is Logic High
  • 18 to 87.5 MHz Shift Clock Support
  • Tx Power Consumption < 147 mW (typ) at 87.5MHz Grayscale
  • Tx Power-Down Mode < 60 μW (typ)
  • Supports VGA, SVGA, XGA, SXGA(Dual Pixel), SXGA+(Dual Pixel), UXGA(Dual Pixel).
  • Narrow Bus Reduces Cable Size and Cost
  • Up to 2.45 Gbps Throughput
  • Up to 306.25Megabyte/sec Bandwidth
  • 345 mV (typ) Swing LVDS Devices for Low EMI
  • PLL Requires No External Components
  • Compliant to TIA/EIA-644 LVDS standard
  • Low Profile 56-lead TSSOP Package

All trademarks are the property of their respective owners.

Description

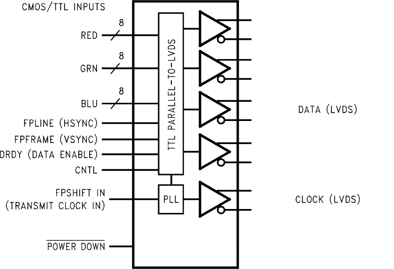
The DS90C385A is a pin to pin compatible replacement for DS90C383, DS90C383A and DS90C385. The DS90C385A has additional features and improvements making it an ideal replacement for DS90C383, DS90C383A and DS90C385. family of LVDS Transmitters.

The DS90C385A transmitter converts 28 bits of LVCMOS/LVTTL data into four LVDS (Low Voltage Differential Signaling) data streams. A phase-locked transmit clock is transmitted in parallel with the data streams over the fifth LVDS link. Every cycle of the transmit clock 28 bits of input data are sampled and transmitted. At a transmit clock frequency of 87.5 MHz, 24 bits of RGB data and 3 bits of LCD timing and control data (FPLINE, FPFRAME, DRDY) are transmitted at a rate of 612.5Mbps per LVDS data channel. Using a 87.5 MHz clock, the data throughput is 306.25Mbytes/sec. This transmitter can be programmed for Rising edge strobe or Falling edge strobe through a dedicated pin. A Rising edge or Falling edge strobe transmitter will interoperate with a Falling edge strobe FPDLink Receiver without any translation logic.

This chipset is an ideal means to solve EMI and cable size problems associated with wide, high-speed TTL interfaces with added Spread Spectrum Clocking support.

The DS90C385A is a pin to pin compatible replacement for DS90C383, DS90C383A and DS90C385. The DS90C385A has additional features and improvements making it an ideal replacement for DS90C383, DS90C383A and DS90C385. family of LVDS Transmitters.

The DS90C385A transmitter converts 28 bits of LVCMOS/LVTTL data into four LVDS (Low Voltage Differential Signaling) data streams. A phase-locked transmit clock is transmitted in parallel with the data streams over the fifth LVDS link. Every cycle of the transmit clock 28 bits of input data are sampled and transmitted. At a transmit clock frequency of 87.5 MHz, 24 bits of RGB data and 3 bits of LCD timing and control data (FPLINE, FPFRAME, DRDY) are transmitted at a rate of 612.5Mbps per LVDS data channel. Using a 87.5 MHz clock, the data throughput is 306.25Mbytes/sec. This transmitter can be programmed for Rising edge strobe or Falling edge strobe through a dedicated pin. A Rising edge or Falling edge strobe transmitter will interoperate with a Falling edge strobe FPDLink Receiver without any translation logic.

This chipset is an ideal means to solve EMI and cable size problems associated with wide, high-speed TTL interfaces with added Spread Spectrum Clocking support.

Subscribe to Welllinkchips !
Your Name
* Email
Submit a request