0
TCAN4550-Q1
  • TCAN4550-Q1
  • TCAN4550-Q1
  • TCAN4550-Q1
  • TCAN4550-Q1
  • TCAN4550-Q1

TCAN4550-Q1

ACTIVE

Automotive system basis chip (SBC) with integrated CAN FD controller & transceiver

Texas Instruments TCAN4550-Q1 Product Info

1 April 2026 0

Parameters

Type

Advanced

Protocols

CAN, CAN FD

Number of channels

1

Signaling rate (max) (Mbps)

8

Supply voltage (V)

5.5 to 30

Bus fault voltage (V)

-58 to 58

Iout (max) (mA)

70

Regulated outputs (#)

1

Step-down DC/DC converter

0

LDO

1

LDO Vout (typ) (V)

5

Watchdog type

Integrated, Timeout

Low-power mode

Sleep

Rating

Automotive

Package

VQFN (RGY)-20-15.75 mm² 4.5 x 3.5

Features

  • AEC-Q100: qualified for automotive applications
    • Temperature grade 1: –40°C to 125°C TA
  • Functional Safety Quality-Managed
  • CAN FD controller with integrated CAN FD transceiver and serial peripheral interface (SPI)
  • CAN FD controller supports both ISO 11898-1:2015 and Bosch M_CAN Revision 3.2.1.1
  • Meets the requirements of ISO 11898-2:2016
  • Supports CAN FD data rates up to 8 Mbps with up to 18 MHz SPI clock speed
  • Classic CAN backwards compatible
  • Operating modes: normal, standby, sleep, and failsafe
  • 3.3 V to 5 V input/output logic support for microprocessors
  • Wide operating ranges on CAN bus
    • ±58 V bus fault protection
    • ±12 V common mode
  • Integrated low drop out voltage regulator supplying 5 V to CAN transceiver and up to 70 mA for external devices
  • Optimized behavior when unpowered
    • Bus and logic terminals are high impedance (No load to operating bus or application)
    • Power up and down glitch free operation
  • AEC-Q100: qualified for automotive applications
    • Temperature grade 1: –40°C to 125°C TA
  • Functional Safety Quality-Managed
  • CAN FD controller with integrated CAN FD transceiver and serial peripheral interface (SPI)
  • CAN FD controller supports both ISO 11898-1:2015 and Bosch M_CAN Revision 3.2.1.1
  • Meets the requirements of ISO 11898-2:2016
  • Supports CAN FD data rates up to 8 Mbps with up to 18 MHz SPI clock speed
  • Classic CAN backwards compatible
  • Operating modes: normal, standby, sleep, and failsafe
  • 3.3 V to 5 V input/output logic support for microprocessors
  • Wide operating ranges on CAN bus
    • ±58 V bus fault protection
    • ±12 V common mode
  • Integrated low drop out voltage regulator supplying 5 V to CAN transceiver and up to 70 mA for external devices
  • Optimized behavior when unpowered
    • Bus and logic terminals are high impedance (No load to operating bus or application)
    • Power up and down glitch free operation

Description

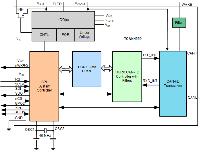
The TCAN4550-Q1 is a CAN FD controller with an integrated CAN FD transceiver supporting data rates up to 8 Mbps. The CAN FD controller meets the specifications of the ISO11898-1:2015 high speed controller area network (CAN) data link layer and meets the physical layer requirements of the ISO11898–2:2016 high speed CAN specification.

The TCAN4550-Q1 provides an interface between the CAN bus and the system processor through serial peripheral interface (SPI), supporting both classic CAN and CAN FD, allowing port expansion or CAN support with processors that do not support CAN FD. The TCAN4550-Q1 provides CAN FD transceiver functionality: differential transmit capability to the bus and differential receive capability from the bus. The device supports wake-up via local wake-up (LWU) and bus wake using the CAN bus implementing the ISO11898-2:2016 Wake-Up Pattern (WUP).

The device includes many protection features providing device and CAN bus robustness. These features include failsafe mode, internal dominant state timeout , wide bus operating range and a time-out watchdog as examples.

The TCAN4550-Q1 is a CAN FD controller with an integrated CAN FD transceiver supporting data rates up to 8 Mbps. The CAN FD controller meets the specifications of the ISO11898-1:2015 high speed controller area network (CAN) data link layer and meets the physical layer requirements of the ISO11898–2:2016 high speed CAN specification.

The TCAN4550-Q1 provides an interface between the CAN bus and the system processor through serial peripheral interface (SPI), supporting both classic CAN and CAN FD, allowing port expansion or CAN support with processors that do not support CAN FD. The TCAN4550-Q1 provides CAN FD transceiver functionality: differential transmit capability to the bus and differential receive capability from the bus. The device supports wake-up via local wake-up (LWU) and bus wake using the CAN bus implementing the ISO11898-2:2016 Wake-Up Pattern (WUP).

The device includes many protection features providing device and CAN bus robustness. These features include failsafe mode, internal dominant state timeout , wide bus operating range and a time-out watchdog as examples.

Subscribe to Welllinkchips !
Your Name
* Email
Submit a request