0
TPS62170-Q1
  • TPS62170-Q1
  • TPS62170-Q1

TPS62170-Q1

ACTIVE

3-17V 0.5A Automotive Step-Down Converter in 2x2 QFN package

Texas Instruments TPS62170-Q1 Product Info

1 April 2026 1

Parameters

Rating

Automotive

Topology

Buck

Iout (max) (A)

0.5

Vin (max) (V)

17

Vin (min) (V)

3

Vout (max) (V)

6

Vout (min) (V)

0.9

Features

Enable, Light-load efficiency, Output discharge, Power good, Synchronous rectification

Control mode

Constant on-time (COT), DCS-Control

Operating temperature range (°C)

-40 to 125

Iq (typ) (A)

0.000017

Duty cycle (max) (%)

100

TI functional safety category

Functional Safety-Capable

Package

WSON (DSG)-8-4 mm² 2 x 2

Features

  • DCS-Control™ topology
  • Qualified for automotive applications
  • AEC-Q100 qualified with the following results:
    • Device temperature grade: –40°C to 125°C operating junction temperature range
    • Device HBM ESD classification level H2
    • Device CDM ESD classification level C4B
  • Functional Safety-Capable
    • Documentation available to aid functional safety system design
  • Input voltage range: 3 V to 17 V
  • Up to 500-mA output current
  • Adjustable output voltage from 0.9 V to 6 V
  • Fixed output voltage versions
  • Seamless power save mode transition
  • Typically 17-µA quiescent current
  • Power-good output
  • 100% Duty cycle mode
  • Short circuit protection
  • Overtemperature protection
  • Pin-to-pin compatible with TPS62160-Q1
  • Available in a 2 × 2 mm, WSON-8 package
  • Create a custom design using the TPS62170-Q1 with the WEBENCH® power designer
  • DCS-Control™ topology
  • Qualified for automotive applications
  • AEC-Q100 qualified with the following results:
    • Device temperature grade: –40°C to 125°C operating junction temperature range
    • Device HBM ESD classification level H2
    • Device CDM ESD classification level C4B
  • Functional Safety-Capable
    • Documentation available to aid functional safety system design
  • Input voltage range: 3 V to 17 V
  • Up to 500-mA output current
  • Adjustable output voltage from 0.9 V to 6 V
  • Fixed output voltage versions
  • Seamless power save mode transition
  • Typically 17-µA quiescent current
  • Power-good output
  • 100% Duty cycle mode
  • Short circuit protection
  • Overtemperature protection
  • Pin-to-pin compatible with TPS62160-Q1
  • Available in a 2 × 2 mm, WSON-8 package
  • Create a custom design using the TPS62170-Q1 with the WEBENCH® power designer

Description

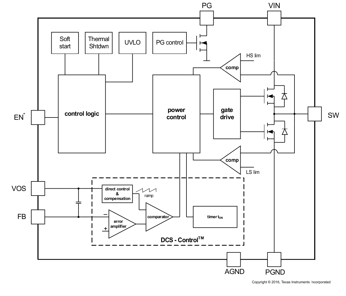
The TPS6217x-Q1 family is an easy to use synchronous step-down DC-DC converter optimized for applications with high power density. A high switching frequency of typically 2.25 MHz allows the use of small inductors and provides fast transient response as well as high output voltage accuracy by utilization of the DCS-Control topology.

With their wide operating input voltage range of 3 V to 17 V, the devices are ideally suited for systems powered from either a Li-Ion or other battery as well as from 12-V intermediate power rails. It supports up to 0.5-A continuous output current at output voltages between 0.9 V and 6 V (with 100% duty cycle mode).

Power sequencing is also possible by configuring the Enable and open-drain Power Good pins.

In Power Save Mode, the devices draw quiescent current of about 17 µA from VIN. Power Save Mode, entered automatically and seamlessly if load is small, maintains high efficiency over the entire load range. In Shutdown Mode, the device is turned off and shutdown current consumption is less than 2 µA.

The device, available in adjustable and fixed output voltage versions, is packaged in an 8-pin WSON package measuring 2 × 2 mm (DSG).

The TPS6217x-Q1 family is an easy to use synchronous step-down DC-DC converter optimized for applications with high power density. A high switching frequency of typically 2.25 MHz allows the use of small inductors and provides fast transient response as well as high output voltage accuracy by utilization of the DCS-Control topology.

With their wide operating input voltage range of 3 V to 17 V, the devices are ideally suited for systems powered from either a Li-Ion or other battery as well as from 12-V intermediate power rails. It supports up to 0.5-A continuous output current at output voltages between 0.9 V and 6 V (with 100% duty cycle mode).

Power sequencing is also possible by configuring the Enable and open-drain Power Good pins.

In Power Save Mode, the devices draw quiescent current of about 17 µA from VIN. Power Save Mode, entered automatically and seamlessly if load is small, maintains high efficiency over the entire load range. In Shutdown Mode, the device is turned off and shutdown current consumption is less than 2 µA.

The device, available in adjustable and fixed output voltage versions, is packaged in an 8-pin WSON package measuring 2 × 2 mm (DSG).

Subscribe to Welllinkchips !
Your Name
* Email
Submit a request