0
TCAN1048AV-Q1
  • TCAN1048AV-Q1
  • TCAN1048AV-Q1
  • TCAN1048AV-Q1
  • TCAN1048AV-Q1

TCAN1048AV-Q1

ACTIVE

Enhanced Automotive dual CAN transceiver with inverted Standby and 1.8-V I/O Support

Texas Instruments TCAN1048AV-Q1 Product Info

1 April 2026 0

Parameters

Protocols

CAN, CAN FD

Number of channels

2

Supply voltage (V)

4.5 to 5.5

Bus fault voltage (V)

-58 to 58

Signaling rate (max) (Mbps)

8

Rating

Automotive

Package

SOIC (D)-14-51.9 mm² 8.65 x 6

Features

  • AEC-Q100 (Grade 1): Qualified for automotive applications
  • Two high-speed CAN transceivers with independent mode control
  • Meets the requirements of ISO 11898-2:2016 physical layer standard
  • Functional Safety-Capable
  • Support of classical CAN and optimized CAN FD performance at 2, 5, and 8 Mbps
    • Short and symmetrical propagation delays for enhanced timing margin
  • I/O voltage range supports 1.7 V to 5.5 V
  • Support for 12-V and 24-V battery applications
  • Receiver common-mode input voltage: ±12 V
  • Protection features:
    • Bus fault protection: ±58 V
    • Undervoltage protection
    • TXD-dominant time-out (DTO)
      • Data rates down to 9.2 kbps
    • Thermal-shutdown protection (TSD)
  • Operating modes:
    • Normal mode
    • Low power standby mode supporting remote wake-up request
  • Optimized behavior when unpowered
    • Bus and logic pins are high impedance (no load to operating bus or application)
    • Hot-plug capable: power-up and power-down glitch-free operation on bus and RXD output
  • Junction temperatures from: –40°C to 150°C
  • Available in space-saving SOT-23, SOIC (14) and leadless VSON (14) packages (4.5 mm x 3.0 mm) with improved automated optical inspection (AOI) capability
  • AEC-Q100 (Grade 1): Qualified for automotive applications
  • Two high-speed CAN transceivers with independent mode control
  • Meets the requirements of ISO 11898-2:2016 physical layer standard
  • Functional Safety-Capable
  • Support of classical CAN and optimized CAN FD performance at 2, 5, and 8 Mbps
    • Short and symmetrical propagation delays for enhanced timing margin
  • I/O voltage range supports 1.7 V to 5.5 V
  • Support for 12-V and 24-V battery applications
  • Receiver common-mode input voltage: ±12 V
  • Protection features:
    • Bus fault protection: ±58 V
    • Undervoltage protection
    • TXD-dominant time-out (DTO)
      • Data rates down to 9.2 kbps
    • Thermal-shutdown protection (TSD)
  • Operating modes:
    • Normal mode
    • Low power standby mode supporting remote wake-up request
  • Optimized behavior when unpowered
    • Bus and logic pins are high impedance (no load to operating bus or application)
    • Hot-plug capable: power-up and power-down glitch-free operation on bus and RXD output
  • Junction temperatures from: –40°C to 150°C
  • Available in space-saving SOT-23, SOIC (14) and leadless VSON (14) packages (4.5 mm x 3.0 mm) with improved automated optical inspection (AOI) capability

Description

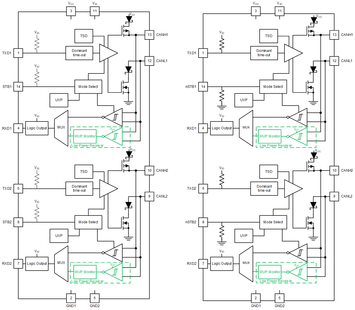
The TCAN1046AV-Q1 and TCAN1048AV-Q1 ( TCAN104xAV-Q1) are dual, high-speed controller area network (CAN) transceivers that meet the physical layer requirements of the ISO 11898-2:2016 high-speed CAN specification.

The TCAN104xAV-Q1 transceivers support both classical CAN and CAN FD networks up to 8 megabits per second (Mbps). The device includes internal logic level translation via the VIO terminal to allow for interfacing the transceiver I/O’s directly to 1.8-V, 2.5-V, 3.3-V, or 5-V logic levels.

The two CAN channels support independent mode control through the standby pins. Therefore, each transceiver can be placed into a low-power state, standby mode, without impacting the state of the other CAN channel. While in standby mode, the device supports remote wake-up pattern via the CAN bus which is compliant to the ISO 11898-2:2016 defined wake-up pattern (WUP).

The TCAN1046AV-Q1 and TCAN1048AV-Q1 ( TCAN104xAV-Q1) are dual, high-speed controller area network (CAN) transceivers that meet the physical layer requirements of the ISO 11898-2:2016 high-speed CAN specification.

The TCAN104xAV-Q1 transceivers support both classical CAN and CAN FD networks up to 8 megabits per second (Mbps). The device includes internal logic level translation via the VIO terminal to allow for interfacing the transceiver I/O’s directly to 1.8-V, 2.5-V, 3.3-V, or 5-V logic levels.

The two CAN channels support independent mode control through the standby pins. Therefore, each transceiver can be placed into a low-power state, standby mode, without impacting the state of the other CAN channel. While in standby mode, the device supports remote wake-up pattern via the CAN bus which is compliant to the ISO 11898-2:2016 defined wake-up pattern (WUP).

Subscribe to Welllinkchips !
Your Name
* Email
Submit a request