0
ADC10D040
  • ADC10D040
  • ADC10D040
  • ADC10D040

ADC10D040

ACTIVE

Dual-Channel, 10-Bit, 40-MSPS Analog-to-Digital Converter (ADC) Key Specifications Key Specifications

Texas Instruments ADC10D040 Product Info

1 April 2026 1

Parameters

Sample rate (max) (Msps)

40

Resolution (Bits)

10

Number of input channels

2

Interface type

Parallel CMOS, TTL

Analog input BW (MHz)

140

Features

Low Power

Rating

Catalog

Peak-to-peak input voltage range (V)

1.4

Power consumption (typ) (mW)

267

Architecture

Two-Step

SNR (dB)

60

ENOB (Bits)

9.5

SFDR (dB)

72

Operating temperature range (°C)

-40 to 85

Input buffer

No

Package

TQFP (PFB)-48-81 mm² 9 x 9

Features

  • Internal Sample-and-Hold
  • Internal Reference Capability
  • Dual Gain Settings
  • Offset Correction
  • Selectable Offset Binary or 2's Complement Output
  • Multiplexed or Parallel Output Bus
  • Single +3.0V to 3.6V Operation
  • Power Down and Standby Modes
  • 3V TTL Logic Input/Output Compatible

Key Specifications

  • Resolution: 10 Bits
  • Conversion Rate: 40 MSPS
  • ENOB: 9.4 Bits (typ)
  • DNL: 0.35 LSB (typ)
  • Conversion Latency Parallel Outputs: 2.5 Clock Cycles
    • Multiplexed Outputs, I Data Bus: 2.5 Clock Cycles
    • Multiplexed Outputs, Q Data Bus: 3 Clock Cycles
  • PSRR: 90 dB
  • Power Consumption—Normal Operation: 267 mW (typ)
    • Power Down Mode: < 1 mW (typ)
    • Fast Recovery Standby Mode: 30 mW (typ)

All trademarks are the property of their respective owners.

  • Internal Sample-and-Hold
  • Internal Reference Capability
  • Dual Gain Settings
  • Offset Correction
  • Selectable Offset Binary or 2's Complement Output
  • Multiplexed or Parallel Output Bus
  • Single +3.0V to 3.6V Operation
  • Power Down and Standby Modes
  • 3V TTL Logic Input/Output Compatible

Key Specifications

  • Resolution: 10 Bits
  • Conversion Rate: 40 MSPS
  • ENOB: 9.4 Bits (typ)
  • DNL: 0.35 LSB (typ)
  • Conversion Latency Parallel Outputs: 2.5 Clock Cycles
    • Multiplexed Outputs, I Data Bus: 2.5 Clock Cycles
    • Multiplexed Outputs, Q Data Bus: 3 Clock Cycles
  • PSRR: 90 dB
  • Power Consumption—Normal Operation: 267 mW (typ)
    • Power Down Mode: < 1 mW (typ)
    • Fast Recovery Standby Mode: 30 mW (typ)

All trademarks are the property of their respective owners.

Description

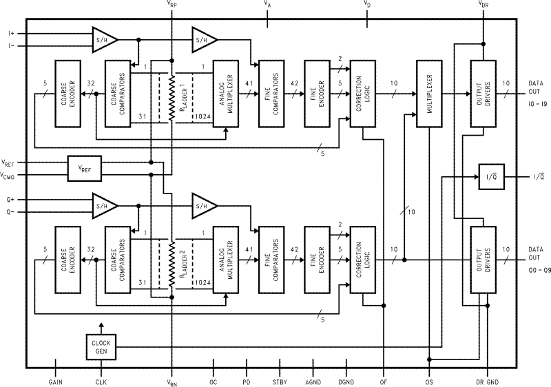
The ADC10D040 is a dual low power, high performance CMOS analog-to-digital converter that digitizes signals to 10 bits resolution at sampling rates up to 45 MSPS while consuming a typical 267 mW from a single 3.3V supply. No missing codes is specified over the full operating temperature range. The unique two stage architecture achieves 9.4 Effective Bits over the entire Nyquist band at 40 MHz sample rate. An output formatting choice of offset binary or 2's complement coding and a choice of two gain settings eases the interface to many systems. Also allowing great flexibility of use is a selectable 10-bit multiplexed or 20-bit parallel output mode. An offset correction feature minimizes the offset error.

To ease interfacing to most low voltage systems, the digital output power pins of the ADC10D040 can be tied to a separate supply voltage of 1.5V to 3.6V, making the outputs compatible with other low voltage systems. When not converting, power consumption can be reduced by pulling the PD (Power Down) pin high, placing the converter into a low power state where it typically consumes less than 1 mW and from which recovery is less than 1 ms. Bringing the STBY (Standby) pin high places the converter into a standby mode where power consumption is about 30 mW and from which recovery is 800 ns.

The ADC10D040's speed, resolution and single supply operation make it well suited for a variety of applications, including high speed portable applications.

Operating over the industrial (−40° ≤ TA ≤ +85°C) temperature range, the ADC10D040 is available in a 48-pin TQFP. An evaluation board is available to ease the design effort.

The ADC10D040 is a dual low power, high performance CMOS analog-to-digital converter that digitizes signals to 10 bits resolution at sampling rates up to 45 MSPS while consuming a typical 267 mW from a single 3.3V supply. No missing codes is specified over the full operating temperature range. The unique two stage architecture achieves 9.4 Effective Bits over the entire Nyquist band at 40 MHz sample rate. An output formatting choice of offset binary or 2's complement coding and a choice of two gain settings eases the interface to many systems. Also allowing great flexibility of use is a selectable 10-bit multiplexed or 20-bit parallel output mode. An offset correction feature minimizes the offset error.

To ease interfacing to most low voltage systems, the digital output power pins of the ADC10D040 can be tied to a separate supply voltage of 1.5V to 3.6V, making the outputs compatible with other low voltage systems. When not converting, power consumption can be reduced by pulling the PD (Power Down) pin high, placing the converter into a low power state where it typically consumes less than 1 mW and from which recovery is less than 1 ms. Bringing the STBY (Standby) pin high places the converter into a standby mode where power consumption is about 30 mW and from which recovery is 800 ns.

The ADC10D040's speed, resolution and single supply operation make it well suited for a variety of applications, including high speed portable applications.

Operating over the industrial (−40° ≤ TA ≤ +85°C) temperature range, the ADC10D040 is available in a 48-pin TQFP. An evaluation board is available to ease the design effort.

Subscribe to Welllinkchips !
Your Name
* Email
Submit a request