0
TCA9406
  • TCA9406
  • TCA9406
  • TCA9406
  • TCA9406

TCA9406

ACTIVE

2-bit bidirectional 1MHz I2C/SMBus voltage level translator with internal pull-up resistor

Texas Instruments TCA9406 Product Info

1 April 2026 0

Parameters

Features

Enable pin

Protocols

I2C

Frequency (max) (MHz)

1

VCCA (min) (V)

1.65

VCCA (max) (V)

3.6

VCCB (min) (V)

2.3

VCCB (max) (V)

5.5

Supply restrictions

VCCA <= VCCB

Rating

Catalog

Operating temperature range (°C)

-40 to 85

Package

DSBGA (YZP)-8-2.8125 mm² 2.25 x 1.25

Features

  • 2-Bit Bidirectional Translator for SDA and SCL Lines in I2C Applications
  • Provides Bidirectional Voltage Translation With No Direction Pin
  • High-Impedance Output SCL_A, SDA_A, SCL_B, SDA_B Pins When OE = Low or VCC = 0 V
  • Internal 10-kΩ Pullup Resistor on All SDA and SCL Pins
  • 1.65 V to 3.6 V on A port and 2.3 V to 5.5 V on B port (VCCA  ≤ VCCB)
  • VCC Isolation Feature: If Either VCC Input Is at GND, Both Ports Are in the High-Impedance State
  • No Power-Supply Sequencing Required: Either VCCA or VCCB Can Be Ramped First
  • Low Ioff of 2 µA When Either VCCA or VCCB = 0 V
  • OE Input Can Be Tied Directly to VCCA Or Controlled By GPIO
  • Latch-Up Performance Exceeds 100 mA Per JESD 78, Class II
  • ESD Protection Exceeds JESD 22
    • A Port
      • 2500-V Human-Body Model (A114-B)
      • 250-V Machine Model (A115-A)
      • 1500-V Charged-Device Model (C101)
    • B Port
      • 8-kV Human-Body Model (A114-B)
      • 250-V Machine Model (A115-A)
      • 1500-V Charged-Device Model (C101)
  • 2-Bit Bidirectional Translator for SDA and SCL Lines in I2C Applications
  • Provides Bidirectional Voltage Translation With No Direction Pin
  • High-Impedance Output SCL_A, SDA_A, SCL_B, SDA_B Pins When OE = Low or VCC = 0 V
  • Internal 10-kΩ Pullup Resistor on All SDA and SCL Pins
  • 1.65 V to 3.6 V on A port and 2.3 V to 5.5 V on B port (VCCA  ≤ VCCB)
  • VCC Isolation Feature: If Either VCC Input Is at GND, Both Ports Are in the High-Impedance State
  • No Power-Supply Sequencing Required: Either VCCA or VCCB Can Be Ramped First
  • Low Ioff of 2 µA When Either VCCA or VCCB = 0 V
  • OE Input Can Be Tied Directly to VCCA Or Controlled By GPIO
  • Latch-Up Performance Exceeds 100 mA Per JESD 78, Class II
  • ESD Protection Exceeds JESD 22
    • A Port
      • 2500-V Human-Body Model (A114-B)
      • 250-V Machine Model (A115-A)
      • 1500-V Charged-Device Model (C101)
    • B Port
      • 8-kV Human-Body Model (A114-B)
      • 250-V Machine Model (A115-A)
      • 1500-V Charged-Device Model (C101)

Description

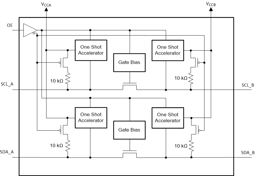
The TCA9406 is a 2-bit bidirectional I2C and SMBus voltage-level translator with an output enable (OE) input. It is operational from 1.65 V to 3.6 V on the A-side, referenced toVCCA, and from 2.3 V to 5.5 V on the B-side, referenced to VCCB. This allows the device to interface between lower and higher logic signal levels at any of the typical 1.8-V, 2.5-V, 3.3-V, and
5-V supply rails.

The OE input pin is referenced to VCCA, can be tied directly to VCCA, but it is also 5.5-V tolerant. The OE pin can also be controlled and set to a logic low to place all the SCL and SDA pins in a high-impedance state, which significantly reduces the quiescent current consumption.

Under normal I2C and SMBus operation or other open-drain configurations, the TCA9406 can support up to 2 Mbps; therefore, it is compatible with standard I2C speeds where the frequency of SCL is 100 kHz (Standard-mode), 400 kHz (Fast-mode), or 1 MHz (Fast-mode Plus). The device can also be used as a general purpose level translator, and when the A- and B-side ports are both driven with push-pull devices the TCA9406 can support up to 24 Mbps.

The TCA9406 features internal 10-kΩ pullup resistors on SCL_A, SDA_A, SCL_B, and SDA_B. Additional external pullup resistors can be added to the bus to reduce the total pullup resistance and speed up rising edges.

The TCA9406 is a 2-bit bidirectional I2C and SMBus voltage-level translator with an output enable (OE) input. It is operational from 1.65 V to 3.6 V on the A-side, referenced toVCCA, and from 2.3 V to 5.5 V on the B-side, referenced to VCCB. This allows the device to interface between lower and higher logic signal levels at any of the typical 1.8-V, 2.5-V, 3.3-V, and
5-V supply rails.

The OE input pin is referenced to VCCA, can be tied directly to VCCA, but it is also 5.5-V tolerant. The OE pin can also be controlled and set to a logic low to place all the SCL and SDA pins in a high-impedance state, which significantly reduces the quiescent current consumption.

Under normal I2C and SMBus operation or other open-drain configurations, the TCA9406 can support up to 2 Mbps; therefore, it is compatible with standard I2C speeds where the frequency of SCL is 100 kHz (Standard-mode), 400 kHz (Fast-mode), or 1 MHz (Fast-mode Plus). The device can also be used as a general purpose level translator, and when the A- and B-side ports are both driven with push-pull devices the TCA9406 can support up to 24 Mbps.

The TCA9406 features internal 10-kΩ pullup resistors on SCL_A, SDA_A, SCL_B, and SDA_B. Additional external pullup resistors can be added to the bus to reduce the total pullup resistance and speed up rising edges.

Subscribe to Welllinkchips !
Your Name
* Email
Submit a request