0
SN75ALS174A
  • SN75ALS174A
  • SN75ALS174A
  • SN75ALS174A
  • SN75ALS174A
  • SN75ALS174A
  • SN75ALS174A

SN75ALS174A

ACTIVE

Quadruple Differential Line Driver

Texas Instruments SN75ALS174A Product Info

1 April 2026 0

Parameters

Number of receivers

0

Number of transmitters

4

Supply voltage (nom) (V)

5

Signaling rate (max) (Mbps)

20

IEC 61000-4-2 contact (±V)

None

Fault protection (V)

-10 to 15

Common-mode range (V)

-7 to 12

Number of nodes

32

Isolated

No

Supply current (max) (µA)

55000

Rating

Catalog

Operating temperature range (°C)

0 to 70

Package

PDIP (N)-16-181.42 mm² 19.3 x 9.4

Features

  • Meets or exceeds the requirements of ANSI EIA/TIA-422-B and RS-485
  • High-speed advanced low-power Schottky circuitry
  • Designed for up to 20Mbit/s operation in both serial and parallel applications
  • Designed for multipoint transmission on long bus lines in noisy environments
  • Low supply current requirements 55mA max
  • Wide positive and negative input/output bus voltage ranges
  • Driver output capacity: 60mA
  • Thermal-shutdown protection
  • Driver positive- and negative-current limiting
  • Functionally interchangeable with SN75174
  • Meets or exceeds the requirements of ANSI EIA/TIA-422-B and RS-485
  • High-speed advanced low-power Schottky circuitry
  • Designed for up to 20Mbit/s operation in both serial and parallel applications
  • Designed for multipoint transmission on long bus lines in noisy environments
  • Low supply current requirements 55mA max
  • Wide positive and negative input/output bus voltage ranges
  • Driver output capacity: 60mA
  • Thermal-shutdown protection
  • Driver positive- and negative-current limiting
  • Functionally interchangeable with SN75174

Description

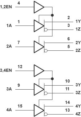
The SN75ALS174A is a quadruple line driver with tri-state differential outputs. It is designed to meet the requirements of ANSI Standards EIA/TIA-422-B and RS-485. This device is optimized for balanced multipoint bus transmission at rates of up to 20Mbit/s.

Each driver features wide positive and negative common-mode output voltage ranges that make them suitable for party-line applications in noisy environments.

The SN75ALS174A provides positive- and negative-current limiting and thermal shutdown for protection from line fault conditions on the transmission bus line. Shutdown occurs at a junction temperature of approximately 150°C.

The SN75ALS174A is characterized for operation from 0°C to 70°C.

The SN75ALS174A is a quadruple line driver with tri-state differential outputs. It is designed to meet the requirements of ANSI Standards EIA/TIA-422-B and RS-485. This device is optimized for balanced multipoint bus transmission at rates of up to 20Mbit/s.

Each driver features wide positive and negative common-mode output voltage ranges that make them suitable for party-line applications in noisy environments.

The SN75ALS174A provides positive- and negative-current limiting and thermal shutdown for protection from line fault conditions on the transmission bus line. Shutdown occurs at a junction temperature of approximately 150°C.

The SN75ALS174A is characterized for operation from 0°C to 70°C.

Subscribe to Welllinkchips !
Your Name
* Email
Submit a request