0
DRV5056-Q1
  • DRV5056-Q1
  • DRV5056-Q1
  • DRV5056-Q1
  • DRV5056-Q1
  • DRV5056-Q1

DRV5056-Q1

ACTIVE

Automotive, ratiometric unipolar linear hall effect sensor with analog output

Texas Instruments DRV5056-Q1 Product Info

1 April 2026 0

Parameters

Type

Ratiometric unipolar

Sensitivity (typ) (mV/mT)

25, 50, 100, 200

Sensitivity error (%)

5

Supply voltage (max) (V)

5.5

Supply voltage (min) (V)

3

Bandwidth (kHz)

20

Output

0.6 V to Vcc

Rating

Automotive

Operating temperature range (°C)

-40 to 150

Package

SOT-23 (DBZ)-3-6.9204 mm² 2.92 x 2.37

Features

  • Qualified for automotive applications
  • AEC-Q100 qualified with the following results:
    • Device temperature grade 0: –40°C to 150°C ambient operating temperature range
    • Device HBM ESD classification level 2
    • Device CDM ESD classification level C4B
  • Functional Safety-Capable
  • Unipolar linear hall effect magnetic sensor
  • Operates from 3.3-V and 5-V power supplies
  • Analog output with 0.6-V quiescent offset:
    • Maximizes voltage swing for high accuracy
  • Magnetic sensitivity options (at VCC = 5 V):
    • A1: 200 mV/mT, 20-mT range
    • A2: 100 mV/mT, 39-mT range
    • A3: 50 mV/mT, 79-mT range
    • A4: 25 mV/mT, 158-mT range
  • Fast 20-kHz sensing bandwidth
  • Low-noise output with ±1-mA drive
  • Compensation for magnet temperature drift
  • Standard industry packages:
    • Surface-mount SOT-23
    • Through-hole TO-92
  • Qualified for automotive applications
  • AEC-Q100 qualified with the following results:
    • Device temperature grade 0: –40°C to 150°C ambient operating temperature range
    • Device HBM ESD classification level 2
    • Device CDM ESD classification level C4B
  • Functional Safety-Capable
  • Unipolar linear hall effect magnetic sensor
  • Operates from 3.3-V and 5-V power supplies
  • Analog output with 0.6-V quiescent offset:
    • Maximizes voltage swing for high accuracy
  • Magnetic sensitivity options (at VCC = 5 V):
    • A1: 200 mV/mT, 20-mT range
    • A2: 100 mV/mT, 39-mT range
    • A3: 50 mV/mT, 79-mT range
    • A4: 25 mV/mT, 158-mT range
  • Fast 20-kHz sensing bandwidth
  • Low-noise output with ±1-mA drive
  • Compensation for magnet temperature drift
  • Standard industry packages:
    • Surface-mount SOT-23
    • Through-hole TO-92

Description

The DRV5056-Q1 is a linear Hall-effect sensor that responds proportionally to flux density of a magnetic south pole. The device can be used for accurate position sensing in a wide range of applications.

Featuring a unipolar magnetic response, the analog output drives 0.6 V when no magnetic field is present, and increases when a south magnetic pole is applied. This response maximizes the output dynamic range in applications that sense one magnetic pole. Four sensitivity options further maximize the output swing based on the required sensing range.

The device operates from 3.3-V or 5-V power supplies. Magnetic flux perpendicular to the top of the package is sensed, and the two package options provide different sensing directions.

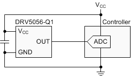
The device uses a ratiometric architecture that can minimize error from VCC tolerance when the external analog-to-digital converter (ADC) uses the same VCC for its reference. Additionally, the device features magnet temperature compensation to counteract how magnets drift for linear performance across a wide –40°C to +150°C temperature range.

The DRV5056-Q1 is a linear Hall-effect sensor that responds proportionally to flux density of a magnetic south pole. The device can be used for accurate position sensing in a wide range of applications.

Featuring a unipolar magnetic response, the analog output drives 0.6 V when no magnetic field is present, and increases when a south magnetic pole is applied. This response maximizes the output dynamic range in applications that sense one magnetic pole. Four sensitivity options further maximize the output swing based on the required sensing range.

The device operates from 3.3-V or 5-V power supplies. Magnetic flux perpendicular to the top of the package is sensed, and the two package options provide different sensing directions.

The device uses a ratiometric architecture that can minimize error from VCC tolerance when the external analog-to-digital converter (ADC) uses the same VCC for its reference. Additionally, the device features magnet temperature compensation to counteract how magnets drift for linear performance across a wide –40°C to +150°C temperature range.

Subscribe to Welllinkchips !
Your Name
* Email
Submit a request