0
SN74VMEH22501A-EP
  • SN74VMEH22501A-EP
  • SN74VMEH22501A-EP
  • SN74VMEH22501A-EP

SN74VMEH22501A-EP

ACTIVE

Enhanced Product 8-Bit Universal Bus Transceiver And Two 1-Bit Bus Transceivers

Texas Instruments SN74VMEH22501A-EP Product Info

1 April 2026 1

Parameters

Supply voltage (min) (V)

3.15

Supply voltage (max) (V)

3.45

Number of channels

8

IOL (max) (mA)

12

IOH (max) (mA)

-24

Input type

Standard CMOS

Output type

3-State

Features

Balanced outputs, Bias Vcc, Bus-hold, Damping resistors, Over-voltage tolerant inputs, Partial power down (Ioff), Power up 3-state, Very high speed (tpd 5-10ns)

Technology family

VME

Rating

HiRel Enhanced Product

Operating temperature range (°C)

-55 to 125

Package

TSSOP (DGG)-48-101.25 mm² 12.5 x 8.1

Features

  • Controlled Baseline
    • One Assembly/Test Site, One Fabrication Site
  • Enhanced Diminishing Manufacturing Sources (DMS) Support
  • Enhanced Product-Change Notification
  • Qualification Pedigree(1)
  • Member of the Texas Instruments Widebus Family
  • UBT Transceiver Combines D-Type Latches and D-Type Flip-Flops for Operation in Transparent, Latched, or Clocked Modes
  • OEC Circuitry Improves Signal Integrity and Reduces Electromagnetic Interference (EMI)
  • Compliant With VME64, 2eVME, and 2eSST Protocols Validated at TA = -40°C to 85°C
  • Bus Transceiver Split LVTTL Port Provides a Feedback Path for Control and Diagnostics Monitoring
  • I/O Interfaces are 5-V Tolerant
  • B-Port Outputs (-48 mA/64 mA)
  • Y and A-Port Outputs (-12 mA/12 mA)
  • Ioff, Power-Up 3-State, and BIAS VCC Support Live Insertion
  • Bus Hold on 3A-Port Data Inputs
  • 26-Ω Equivalent Series Resistor on 3A Ports and Y Outputs
  • Flow-Through Architecture Facilitates Printed Circuit Board Layout
  • Distributed VCC and GND Pins Minimize High-Speed Switching Noise
  • Latch-Up Performance Exceeds 100 mA Per
    JESD 78, Class II
  • ESD Protection Exceeds JESD 22
    • 2000-V Human-Body Model (A114-A)
    • 200-V Machine Model (A115-A)
    • 1000-V Charged-Device Model (C101)
  • Controlled Baseline
    • One Assembly/Test Site, One Fabrication Site
  • Enhanced Diminishing Manufacturing Sources (DMS) Support
  • Enhanced Product-Change Notification
  • Qualification Pedigree(1)
  • Member of the Texas Instruments Widebus Family
  • UBT Transceiver Combines D-Type Latches and D-Type Flip-Flops for Operation in Transparent, Latched, or Clocked Modes
  • OEC Circuitry Improves Signal Integrity and Reduces Electromagnetic Interference (EMI)
  • Compliant With VME64, 2eVME, and 2eSST Protocols Validated at TA = -40°C to 85°C
  • Bus Transceiver Split LVTTL Port Provides a Feedback Path for Control and Diagnostics Monitoring
  • I/O Interfaces are 5-V Tolerant
  • B-Port Outputs (-48 mA/64 mA)
  • Y and A-Port Outputs (-12 mA/12 mA)
  • Ioff, Power-Up 3-State, and BIAS VCC Support Live Insertion
  • Bus Hold on 3A-Port Data Inputs
  • 26-Ω Equivalent Series Resistor on 3A Ports and Y Outputs
  • Flow-Through Architecture Facilitates Printed Circuit Board Layout
  • Distributed VCC and GND Pins Minimize High-Speed Switching Noise
  • Latch-Up Performance Exceeds 100 mA Per
    JESD 78, Class II
  • ESD Protection Exceeds JESD 22
    • 2000-V Human-Body Model (A114-A)
    • 200-V Machine Model (A115-A)
    • 1000-V Charged-Device Model (C101)

Description

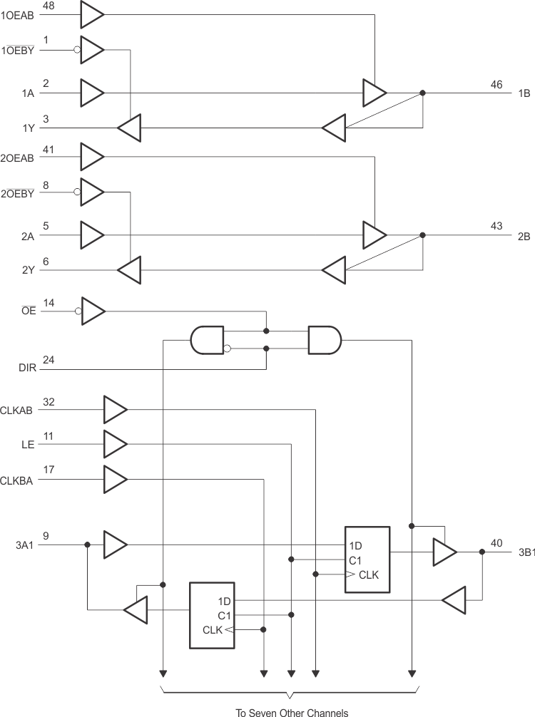
The SN74VMEH22501A-EP 8-bit universal bus transceiver has two integral 1-bit three-wire bus transceivers and is designed for 3.3-V VCC operation with 5-V tolerant inputs. The UBT transceiver allows transparent, latched, and flip-flop modes of data transfer, and the separate LVTTL input and outputs on the bus transceivers provide a feedback path for control and diagnostics monitoring. This device provides a high-speed interface between cards operating at LVTTL logic levels and VME64, VME64x, or VME320(2) backplane topologies.

The SN74VMEH22501A-EP device is pin-for-pin compatible to the SN74VMEH22501 device (SCES357), but operates at a wider operating temperature range.

High-speed backplane operation is a direct result of the improved OEC circuitry and high drive that has been designed and tested into the VME64x backplane model. The B-port I/Os are optimized for driving large capacitive loads and include pseudo-ETL input thresholds (½ VCC ±50 mV) for increased noise immunity. These specifications support the 2eVME protocols in VME64x (ANSI/VITA 1.1) and 2eSST protocols in VITA 1.5.

With proper design of a 21-slot VME system, a designer can achieve 320-MB transfer rates on linear backplanes and, possibly, 1-GB transfer rates on the VME320 backplane.

All inputs and outputs are 5-V tolerant and are compatible with TTL and 5-V CMOS inputs.

Active bus-hold circuitry holds unused or undriven 3A-port inputs at a valid logic state. Bus-hold circuitry is not provided on 1A or 2A inputs, any B-port input, or any control input. Use of pullup or pulldown resistors with the bus-hold circuitry is not recommended.

This device is fully specified for live-insertion applications using Ioff, power-up 3-state, and BIAS VCC. The Ioff circuitry prevents damaging current to backflow through the device when it is powered off/on. The power-up 3-state circuitry places the outputs in the high-impedance state during power up and power down, which prevents driver conflict. The BIAS VCC circuitry precharges and preconditions the B-port input/output connections, preventing disturbance of active data on the backplane during card insertion or removal, and permits true live-insertion capability.

When VCC is between 0 and 1.5 V, the device is in the high-impedance state during power up or power down. However, to ensure the high-impedance state above 1.5 V, output-enable (OE and OEBY) inputs should be tied to VCC through a pullup resistor and output-enable (OEAB) inputs should be tied to GND through a pulldown resistor; the minimum value of the resistor is determined by the drive capability of the device connected to this input.

The SN74VMEH22501A-EP 8-bit universal bus transceiver has two integral 1-bit three-wire bus transceivers and is designed for 3.3-V VCC operation with 5-V tolerant inputs. The UBT transceiver allows transparent, latched, and flip-flop modes of data transfer, and the separate LVTTL input and outputs on the bus transceivers provide a feedback path for control and diagnostics monitoring. This device provides a high-speed interface between cards operating at LVTTL logic levels and VME64, VME64x, or VME320(2) backplane topologies.

The SN74VMEH22501A-EP device is pin-for-pin compatible to the SN74VMEH22501 device (SCES357), but operates at a wider operating temperature range.

High-speed backplane operation is a direct result of the improved OEC circuitry and high drive that has been designed and tested into the VME64x backplane model. The B-port I/Os are optimized for driving large capacitive loads and include pseudo-ETL input thresholds (½ VCC ±50 mV) for increased noise immunity. These specifications support the 2eVME protocols in VME64x (ANSI/VITA 1.1) and 2eSST protocols in VITA 1.5.

With proper design of a 21-slot VME system, a designer can achieve 320-MB transfer rates on linear backplanes and, possibly, 1-GB transfer rates on the VME320 backplane.

All inputs and outputs are 5-V tolerant and are compatible with TTL and 5-V CMOS inputs.

Active bus-hold circuitry holds unused or undriven 3A-port inputs at a valid logic state. Bus-hold circuitry is not provided on 1A or 2A inputs, any B-port input, or any control input. Use of pullup or pulldown resistors with the bus-hold circuitry is not recommended.

This device is fully specified for live-insertion applications using Ioff, power-up 3-state, and BIAS VCC. The Ioff circuitry prevents damaging current to backflow through the device when it is powered off/on. The power-up 3-state circuitry places the outputs in the high-impedance state during power up and power down, which prevents driver conflict. The BIAS VCC circuitry precharges and preconditions the B-port input/output connections, preventing disturbance of active data on the backplane during card insertion or removal, and permits true live-insertion capability.

When VCC is between 0 and 1.5 V, the device is in the high-impedance state during power up or power down. However, to ensure the high-impedance state above 1.5 V, output-enable (OE and OEBY) inputs should be tied to VCC through a pullup resistor and output-enable (OEAB) inputs should be tied to GND through a pulldown resistor; the minimum value of the resistor is determined by the drive capability of the device connected to this input.

Subscribe to Welllinkchips !
Your Name
* Email
Submit a request