0
SN74LVC595A
  • SN74LVC595A
  • SN74LVC595A
  • SN74LVC595A
  • SN74LVC595A

SN74LVC595A

ACTIVE

1.1V to 3.6V eight-bit shift registers with tri-state output registers

Texas Instruments SN74LVC595A Product Info

1 April 2026 0

Parameters

Operating temperature range (°C)

to

Rating

Catalog

Package

TSSOP (PW)-16-32 mm² 5 x 6.4

Features

  • Operating range from 1.1V to 3.6V
  • Over-voltage tolerant inputs support up to 5.5V independent of VCC
  • Supports partial-power-down with back drive protection (Ioff)
  • High push-pull output drive strength:

    • ±24mA at 3.3V
    • ±8mA at 2.3V
    • ±4mA at 1.65V
  • Latch-up performance exceeds 250mAper JESD78
  • Operating range from 1.1V to 3.6V
  • Over-voltage tolerant inputs support up to 5.5V independent of VCC
  • Supports partial-power-down with back drive protection (Ioff)
  • High push-pull output drive strength:

    • ±24mA at 3.3V
    • ±8mA at 2.3V
    • ±4mA at 1.65V
  • Latch-up performance exceeds 250mAper JESD78

Description

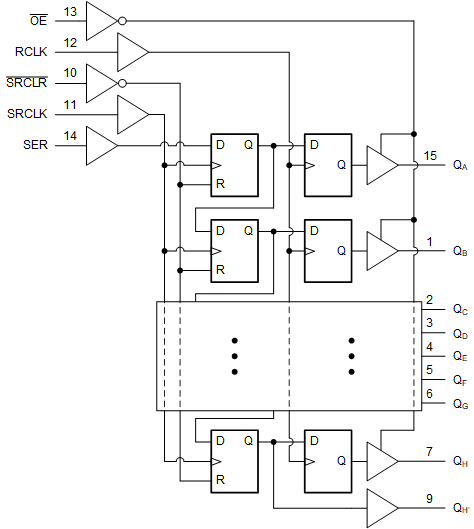
The SN74LVC595A device contains an 8-bit serial-in, parallel-out shift register that feeds an 8-bit D-type storage register. The storage register has parallel 3- state outputs. Separate clocks are provided for both the shift and storage registers. The shift register has a direct overriding clear ( /SRCLR) input, a serial (SER) input, and a serial output for cascading. When the output-enable ( /OE) input is high, all outputs except QH′ are in the high-impedance state.

The SN74LVC595A device contains an 8-bit serial-in, parallel-out shift register that feeds an 8-bit D-type storage register. The storage register has parallel 3- state outputs. Separate clocks are provided for both the shift and storage registers. The shift register has a direct overriding clear ( /SRCLR) input, a serial (SER) input, and a serial output for cascading. When the output-enable ( /OE) input is high, all outputs except QH′ are in the high-impedance state.

Subscribe to Welllinkchips !
Your Name
* Email
Submit a request