0
TPS53318
  • TPS53318
  • TPS53318

TPS53318

ACTIVE

1.5-V to 22-V, 8-A synchronous buck converter with eco-mode

Texas Instruments TPS53318 Product Info

1 April 2026 1

Parameters

Rating

Catalog

Topology

Buck

Iout (max) (A)

8

Vin (max) (V)

22

Vin (min) (V)

1.5

Vout (max) (V)

5.5

Vout (min) (V)

0.6

Features

Adjustable current limit, Enable, Light-load efficiency, Power good, Prebias startup, Synchronous rectification

Control mode

D-CAP

Operating temperature range (°C)

-40 to 125

Iq (typ) (A)

0.00032

Duty cycle (max) (%)

90

Package

LSON-CLIP (DQP)-22-30 mm² 6 x 5

Features

  • New products available: TPS548A28 and TPS548A29 16V, 15A, synchronous converters with remote sense
  • Conversion input voltage range: 1.5V to 22V
  • VDD input voltage range: 4.5V to 25V
  • 91% efficiency from 12V to 1.5V at 14A
  • Output voltage range: 0.6V to 5.5V
  • 5V LDO output
  • Supports single-rail input
  • Integrated power MOSFETs with 8A (TPS53318) or 14A (TPS53319) of continuous output current
  • Auto-skip Eco-mode for light-load efficiency
  • < 110µA shutdown current
  • D-CAP™ integrated circuit mode with fast transient response
  • Selectable switching frequency from 250kHz to 1MHz with external resistor
  • Selectable auto-skip or PWM-only operation
  • Built-in 1% 0.6V reference
  • 0.7ms, 1.4ms, 2.8ms and 5.6ms selectable internal voltage servo soft-start
  • Integrated boost switch
  • Pre-charged start-up capability
  • Adjustable overcurrent limit with thermal compensation
  • Overvoltage, undervoltage, UVLO and overtemperature protection
  • Supports all ceramic output capacitors
  • Open-drain power-good indication
  • Incorporates NexFET™ power MOSFET block technology
  • 22-pin QFN (DQP) package with PowerPAD™ integrated circuit package
  • New products available: TPS548A28 and TPS548A29 16V, 15A, synchronous converters with remote sense
  • Conversion input voltage range: 1.5V to 22V
  • VDD input voltage range: 4.5V to 25V
  • 91% efficiency from 12V to 1.5V at 14A
  • Output voltage range: 0.6V to 5.5V
  • 5V LDO output
  • Supports single-rail input
  • Integrated power MOSFETs with 8A (TPS53318) or 14A (TPS53319) of continuous output current
  • Auto-skip Eco-mode for light-load efficiency
  • < 110µA shutdown current
  • D-CAP™ integrated circuit mode with fast transient response
  • Selectable switching frequency from 250kHz to 1MHz with external resistor
  • Selectable auto-skip or PWM-only operation
  • Built-in 1% 0.6V reference
  • 0.7ms, 1.4ms, 2.8ms and 5.6ms selectable internal voltage servo soft-start
  • Integrated boost switch
  • Pre-charged start-up capability
  • Adjustable overcurrent limit with thermal compensation
  • Overvoltage, undervoltage, UVLO and overtemperature protection
  • Supports all ceramic output capacitors
  • Open-drain power-good indication
  • Incorporates NexFET™ power MOSFET block technology
  • 22-pin QFN (DQP) package with PowerPAD™ integrated circuit package

Description

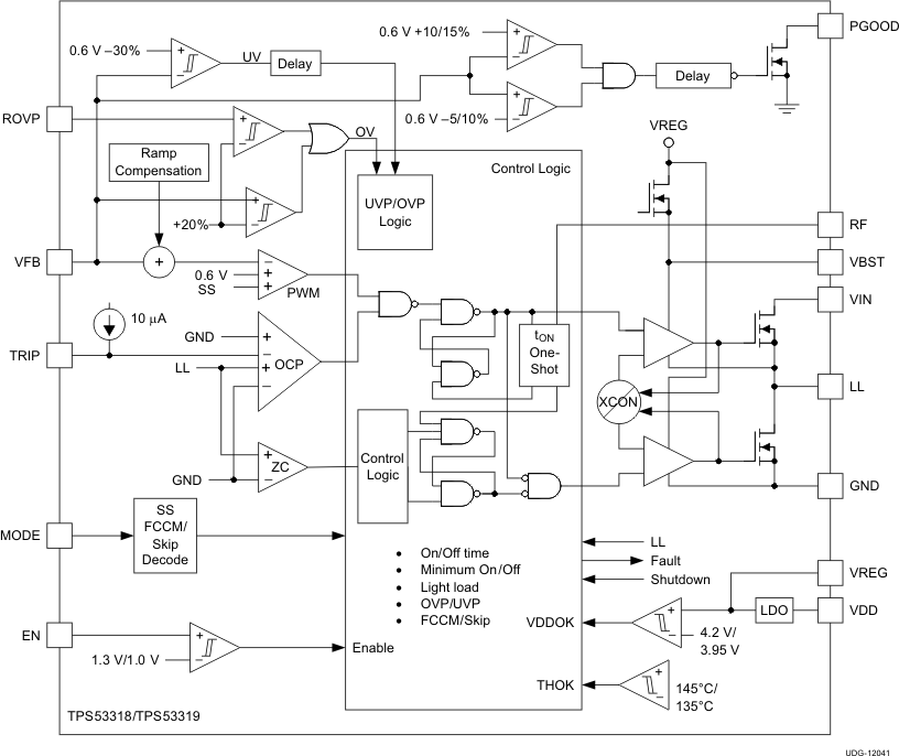
The TPS53318 and TPS53319 devices are D-CAP mode, 8A or 14A, synchronous switchers with integrated MOSFETs. These devices are designed for ease of use, low external component count, and space-conscious power systems.

These devices feature accurate 1%, 0.6V reference, and integrated boost switch. A sample of competitive features include: 1.5V to 22V wide conversion input voltage range, very low external component count, D-CAP integrated circuit mode control for super fast transient, auto-skip mode operation, internal soft-start control, selectable frequency, and no need for compensation.

The conversion input voltage ranges from 1.5V to 22V, the supply voltage range is from 4.5V to 25V, and the output voltage range is from 0.6V to 5.5V.

These devices are available in 5mm × 6mm, 22-pin QFN package and is specified from –40°C to 85°C.

The TPS548A28 and TPS548A29 are newer 15A devices designed for data center applications in a smaller, fully lead-free package.

The TPS53318 and TPS53319 devices are D-CAP mode, 8A or 14A, synchronous switchers with integrated MOSFETs. These devices are designed for ease of use, low external component count, and space-conscious power systems.

These devices feature accurate 1%, 0.6V reference, and integrated boost switch. A sample of competitive features include: 1.5V to 22V wide conversion input voltage range, very low external component count, D-CAP integrated circuit mode control for super fast transient, auto-skip mode operation, internal soft-start control, selectable frequency, and no need for compensation.

The conversion input voltage ranges from 1.5V to 22V, the supply voltage range is from 4.5V to 25V, and the output voltage range is from 0.6V to 5.5V.

These devices are available in 5mm × 6mm, 22-pin QFN package and is specified from –40°C to 85°C.

The TPS548A28 and TPS548A29 are newer 15A devices designed for data center applications in a smaller, fully lead-free package.

Subscribe to Welllinkchips !
Your Name
* Email
Submit a request