0
TPS80010
  • TPS80010
  • TPS80010

TPS80010

ACTIVE

Power Management IC (PMIC) with battery monitor switch for wireless accessories

Texas Instruments TPS80010 Product Info

1 April 2026 1

Parameters

Regulated outputs (#)

2

Step-down DC/DC converter

1

Step-up DC/DC converter

1

LDO

0

Vin (min) (V)

1.8

Vin (max) (V)

3.6

Vout (min) (V)

1.8

Vout (max) (V)

3.1

Iout (max) (A)

0.1

Configurability

Factory programmable

Features

Power good

Rating

Catalog

Operating temperature range (°C)

-40 to 85

Step-down DC/DC controller

0

Step-up DC/DC controller

0

Iq (typ) (mA)

0.0235

Switching frequency (max) (kHz)

2500

Shutdown current (ISD) (typ) (µA)

0.1

Switching frequency (typ) (kHz)

2250

Package

VQFN (RSM)-32-16 mm² 4 x 4

Features

  • 1.8-V Buck DC-DC Converter
  • 3.1-V Boost DC-DC Converter with 3-V Post-Regulation LDO
  • Over 91% Conversion Efficiency
  • Current-Limited Start-Up for Both DC-DC Converters
  • Load Switch With Current-Limited Turnon
  • Battery-Level Monitor Switch
  • 32-Pin, 4-mm × 4-mm × 1-mm VQFN Package
  • ESD Performance Tested per JESD 22
    • 2000-V Human-Body Model
      (A114-B, Class II)
    • 500-V Charged-Device Model (C101)
  • 1.8-V Buck DC-DC Converter
  • 3.1-V Boost DC-DC Converter with 3-V Post-Regulation LDO
  • Over 91% Conversion Efficiency
  • Current-Limited Start-Up for Both DC-DC Converters
  • Load Switch With Current-Limited Turnon
  • Battery-Level Monitor Switch
  • 32-Pin, 4-mm × 4-mm × 1-mm VQFN Package
  • ESD Performance Tested per JESD 22
    • 2000-V Human-Body Model
      (A114-B, Class II)
    • 500-V Charged-Device Model (C101)

Description

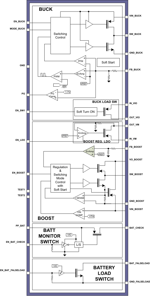
The TPS80010 device provides an integrated power-management solution for 2-cell alkaline battery applications such as wireless mice, keyboards, and video game controllers. The VBUCK 1.8-V output is powered by a buck converter with a load capacity of 100 mA. A Power Good (PG) signal is generated when VBUCK is greater than 90% of its target output voltage. Integrated in the TPS80010 is an 80-mΩ load switch that can be connected to the VBUCK output, allowing more system design flexibility when connecting to multiple loads. The 3.1-V VBOOST output is powered by a boost converter. The VBOOST output voltage is post-regulated by the integrated 3-V LDO. This post-regulation provides a low-noise supply level through the specified battery range.

The TPS80010 device provides an integrated power-management solution for 2-cell alkaline battery applications such as wireless mice, keyboards, and video game controllers. The VBUCK 1.8-V output is powered by a buck converter with a load capacity of 100 mA. A Power Good (PG) signal is generated when VBUCK is greater than 90% of its target output voltage. Integrated in the TPS80010 is an 80-mΩ load switch that can be connected to the VBUCK output, allowing more system design flexibility when connecting to multiple loads. The 3.1-V VBOOST output is powered by a boost converter. The VBOOST output voltage is post-regulated by the integrated 3-V LDO. This post-regulation provides a low-noise supply level through the specified battery range.

Subscribe to Welllinkchips !
Your Name
* Email
Submit a request